VSM0632 точный миниатюрный мотор педали. Вал выхода с винтом винта M1.7 0.3mm. Проходящ через винты, штанга винта поддерживает поворачивать винта к тяге.
Основной шаг мотора 9 градусов, и мотор бежит 40 шагов неделя для того чтобы достигнуть цели точного контроля.
Привод использован для того чтобы удовлетворять водитель.
Потому что вал выхода этого мотора винт, во время поворачивать винта, винт управляет слайдером взад и вперед. Это удобно для предусмотрения действий как переднее и отсталое. К тому же, мотор шага может точно контролировать скорость, вращение, etc., который также определяет скорость движения слайдера, и положение движения точно и controllable.
Из-за своих небольшого размера, высокой точности, легких для того чтобы контролировать и другие превосходные характеристики, микро- - мотор передачи шага широко использован для камер, оптических инструментов, объектива, оборудования точности медицинского, автоматических замков и других полей.
Часть входного сигнала мотора FPC, но можно изменить на соединяясь поток, PCB и другие формы согласно потребностям клиента.
Вы можете изменить кронштейн установки согласно требованиям к клиента.
Главная программа
1) автомат
2) Оптические инструменты
3) медицинские службы точности
4) оборудование красоты
Другое точное применение контроля
| Модель нет. | VSM0652 |
| Тип мотора | Линейный stepper мотор |
| Участок нет. | 2 участка |
| Угол шага | 18°/step |
| Сопротивление участка | 40 Ω±10% |
| Метод возбуждения | 2-2 двухполярный привод |
| Расклассифицированное напряжение тока | DC 4.6V |
| Ход | 6mm |
| Тяга вырывания | 36g MIN. (5V 200mA, 300PPS-400PPS) |
| Максимальная начиная частота |
1100pps MIN. (НА DC 4,6 v) |
| Максимальная частота slewing | 2000pps MIN. (НА DC 4,6 v) |
| КЛАСС ИЗОЛЯЦИИ | КЛАССИФИЦИРУЙТЕ E ДЛЯ КАТУШЕК |
| ПРОЧНОСТЬ ИЗОЛЯЦИИ | AC 300 V НА ОДНА СЕКУНДА |
| СОПРОТИВЛЕНИЕ ИЗОЛЯЦИИ | 1,0 MΩ (DC 100 V) |
| ТЕМПЕРАТУРНАЯ АМПЛИТУДА РАБОЧЕЙ ТЕМПЕРАТУРЫ | -10 ℃ ~+60 |
| OEM & ОБСЛУЖИВАНИЕ ODM | ДОСТУПНЫЙ |
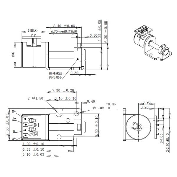
Чертеж мотора пластикового слайдера 6mm stepper с ходом 6mm:

ТИП ПРОВОДА СОЕДИНЯЕТСЯ:
Метод ввода мотора с типом Pin
, FPC, PCB, подводящий провод etc. эти можно подгонять согласно потребностям клиента.

Дисплей продукта для мотора пластикового слайдера 6 mm stepper:
винта слайдера DC линейного мотора 4.6V 6mm мотор мини микро- stepper объектива фотоаппарата

1. Наружный диаметр мотора можно выбрать в различных размерах как 6 8 10 15 20 25mm согласно прочности окружающей среды и космоса пользы клиента.
2. Положение выхода можно свободно выбрать внутри ряд 360 градусов для того чтобы соотвествовать установки в самом лучшем государстве. В то же время, соединитель может выбрать руководство, PCB, штырь FPC обнаженный.
2. Согласно требованиям клиента, эффективный ход мотора можно подгонять внутри некоторый ряд, главным образом рассматривающ диаметр и длину винта руководства.
Обычно максимальная длина винтов M2 может быть 50mm, винты M3 могут быть 100mm, и винты M4 могут быть 100mm. 150mm можно также достигнуть. Небольшие моторы используют винты руководства со слишком большими диаметрами, которые уничтожают много силу. Поэтому, клиенты должны рассматривать всесторонне когда выбирая моторы.
4. Материал слайдера вообще пластиковый, который легок для того чтобы сформировать и экономический.
Когда клиенты имеют особенные окружающую среду и требования к пользы, слайдер может также использовать части металла.
Конечно, цена будет относительно высока, которая определена согласно требованиям к клиента для формы и размера слайдера.
