Это мотор особенной точности шагая с кронштейнами и ведущими брусьями (когда мотор вращает, ведущие брусья двигают), двигая скорость может быть проконтролировано частотой ИМПа ульс, и двигая расстояние может быть проконтролировано числом ИМПов ульс. Для этого типичного мотора, когда мотор управляет 2-2 участками, 1 ИМП ульс водит мотор 0,02 mm.
Это stepper мотор оборудованный с кронштейном, винтом руководства и слайдером относительного движения.
В виду того что вал выхода мотора винт руководства, во время вращения винта руководства, винт руководства управляет слайдером для того чтобы двинуть взад и вперед. Это удобно предусматривает действия как переднее и отсталое. К тому же, шагая мотор может точно контролировать скорость, число революций, etc., который также определяет скорость движения слайдера, и положение движения точно controllable. Располагая точность можно контролировать не позднее 0.05mm.
Этот мотор имеет превосходные характеристики как небольшой размер, высокая точность и легкий контроль.
Часть входного сигнала мотора FPC, но ее можно изменить на форму прошивочного провода, PCB, etc. согласно потребностям клиента.
Кронштейны можно заменить согласно требованиям клиента.
Должный к вышеуказанным характеристикам, такие моторы широко использованы в камерах, оптических инструментах, объективах, оборудовании точности медицинском, автоматических замках, оборудовании красоты, медицинском оборудовании, автоматах, быстрых испытывая и других полях.
1) автомат
2) Оптические инструменты
3) медицинские службы точности
4) оборудование красоты
Другое точное применение контроля
спецификации stepper мотора слайдера винта руководства 8mm M2:
| Модель нет. | VSM08102 |
| Тип мотора | Линейный stepper мотор |
| Участок нет. | 2 участка |
| Угол шага | 18 °/step |
| Сопротивление участка | 20 Ω±10%/phase |
| Метод возбуждения | 2-2 двухполярный привод |
| Расклассифицированное напряжение тока | DC 3.3-5.0V |
| Тип винта руководства | Поток M2*0.4Pitch |
| Ход | 10mm |
| Срабативани тяга | минута gf-см 1,5 (НА DC 500 PPS, 3.3V) |
| Тяга вырывания | минута gf-см 2,5 (НА DC 500 PPS, 3.3V) |
| Частота startiog Макс |
800pps MIN. (НА DC 3.3V) |
| Максимальная частота slewing | 2000pps MIN. (НА DC 3.3V) |
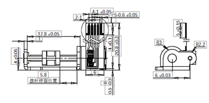
Чертеж мотора пластикового слайдера 8mm stepper с ходом 10mm:


ТИП ПРОВОДА СОЕДИНЯЕТСЯ:
Метод ввода мотора с типом Pin
, FPC, PCB, подводящий провод etc. эти можно подгонять согласно потребностям клиента.

Дисплей продукта для мотора пластикового слайдера 8 mm stepper:
винта слайдера линейного мотора 3.3VDC 8mm мотор мини микро- stepper объектива фотоаппарата


