Мотор слайдера винта руководства POM M2 диаметра VSM10152 10mm линейный stepper с 4 штырями FPC
Описание:
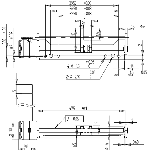
Этот мотор VSM10152 мотор диаметра 10mm линейный stepper с винтом + слайдером руководства.
Угол шага регулярное 18°/step, водит винт M2*P0.4, длина шага 0.02mm/step
(Расстояние середин длины шага линейное что слайдер путешествует когда мотор предпринимает меры один)
Расстояние перемещения 39mm, и оно определяло длиной винта руководства.
Если клиенты думают, то винт руководства слишком длинен, и мы имеем другие моторы с короткими винтами руководства для выбора.
О типе соединителя, это 4 штыря FPC.
Мы можем изменить его в PCB+wires+cable если клиенты хотят соединитель
(Molex 51021-0400, соединитель тангажа 1.25mm чего мы наиболее обыкновенно используем)
Параметры:
| Угол шага | 18°/step | Сопротивление | 10Ω/phase | Напряжение тока | 3.3~5 DC V |
| Перемещение в шаг | 0.02mm | Винт руководства | M2*P0.4 | Эффективный ход | 39 mm |
| Макс начиная частоту | 1000Hz (минута) | Максимальная частота ответа | 1200Hz (минута) | Тяга вырывания |
минута 120g (500 PPS) |
Чертеж дизайна:

Дисплей продукта:

О линейном stepper моторе со слайдером:
Наш мотор слайдера полный набор собрания включая мотор + винт + кронштейн + слайдер руководства.
Угол шага мотора вообще 18°/step, которое значит 20 шагов для каждого поворота.
Когда мотор поворачивает один поворот, слайдер двигает одно руководство.
Для одиночных винтов руководства начала: =lead тангажа.
Так длина шага (перемещения слайдера движения середин длины шага линейные, когда stepper мотор предпримет точно один):
Руководство винта руководства/шаги каждого вращения
Например если винт руководства M2*0.4P (винт руководства M2 тангажа 0.4mm регулярный), то угол шага мотора 18°, длина шага этого мотора 0.4mm/20=0.02mm/step.
Также, приведите длину винта ориентированный на заказчика, и нам также нужно отрегулировать дизайн кронштейна, если вы подгоняете длину винта руководства.
Применение stepper моторов:
Stepper моторы использованы для точного контроля, широко использованный на медицинском оборудовании, принтере 3D, промышленном точном контроле, оборудовании автоматизации, etc.
Stepper моторы можно использовать в любых conrtol требованию к механизмов точном и вращательном/линейном движении.
Преимущество stepper моторов:
Stepper мотор может достигнуть точный контроль даже без кодировщиков конц-петли/без системы питания назад, также почищенные щеткой они не имеет электрическое. Таким образом никакие электромагнитного вопросы взаимодействия и электрических искр. В некоторых случаях, они могут заменить DC почистили моторы щеткой моторов безщеточные.
Stepper моторы легки для того чтобы контролировать с водителями, и этой особенностью установить свое важное положение в поле точного контроля.
1. Точный контроль достижимый, programmable
2. Без электромагнитного взаимодействия & электрических искр
3. Небольшой размер
4. Умеренная цена
5. Малошумный
6. Длинный срок службы

Упаковывая и грузя информация:
Образцы упакованы с губкой пены внутри бумажной коробки.
Для массового производства, продукты упакованы в коробке бумаги.
Для доставки моря (массового производства), коробки упакованы на паллете.
Грузя время:
срочным (UPS/Federal Express TNT DHL): 5~12 дня
4PX срочным: 10~20 дней
Доставка моря: 40~60 дней (зависит от различных стран)