Мотор мотора скутера моря подводной лодки ROV силы 800W FPV подводный ныряя безщеточный
Мотор подводной лодки модели снаряжения для подводного плавания двигателя SW4025 ROV безщеточный
1. Импортированные подшипники нержавеющей стали, антиржавейные, анти--корозия, тест брызг соли могут достигнуть больше чем 192 часа, далеко более высоко чем водоустойчивый уровень IP68.
2. уникальные дизайн патента PCB, PCB и руководства построены в мотор, который может упаковать и затвердеть руководства припоя совместные для клиентов, и сразу отрегулировать провод.
3. Вращая вал сделан из особенной нержавеющей стали, с особенной антиржавейной обработкой как термическая обработка.
4. Диск сделан из материала NdFeB высокотемпературного устойчивого, и поверхность обработана с особенной обработкой водоустойчивых и анти--корозии.
5. Статор принимает импортированные материалы от Кавасаки, Японию, и поверхность обработана с особенной обработкой водоустойчивых и анти--корозии.
6. Каждый мотор имеет тест баланса перед выходить фабрика, и баланс чем 10mg.
7. для того чтобы облегчить клиентов для того чтобы начать и испытать воду и подводные продукты оборудования, наш персонал научных исследований и разработки специально конструировал и напечатал лезвия этого типа согласно независимому дизайну патента жидких механиков, и обеспечил клиентов с такими тестами необходимого мотора поддерживая для подводного оборудования SW4025.
Параметры:
|
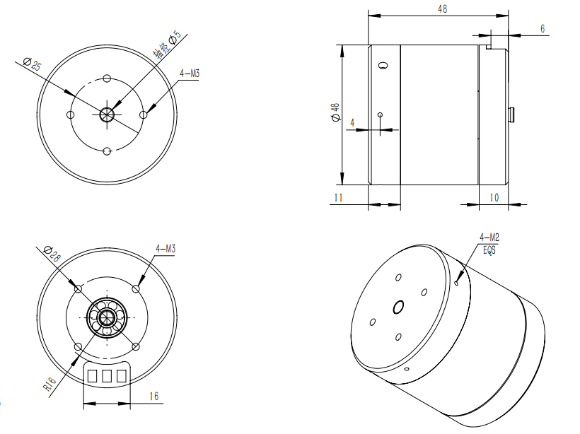
Чертеж дизайна:

Кривая 24V erformance 4025 p:

Примечание: вышеуказанная номинальная нагрузка главным образом использована в подводном
Продукт displany:


Вне информация о компании:
Наша информация о компании
CO. Techology мотора Vic-техника Changzhou, Ltd специализировало в произведении микро- моторов и аксессуаров с главных продуктов 2011.Our: Микро- stepper мотор, зацепленный мотор, подводные двигатель и водители и регуляторы мотора.
Мы имеем команду НИОКР с 20 летами опыта в развитии мотора, обеспечивающ клиентов с индивидуальными обслуживаниями дизайна и развития. усилением наши честность, dependability и качество, цели мотора Vic-техника, который нужно продолжать как пионер в продажах международных путем искать глобальных партнеров.