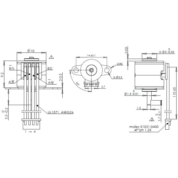
VSM1070 мотор миниатюры точности шагая с наружным диаметром 10mm, высотой мотора 9.2mm, и диаметром вала выхода 1.5mm. Длину вала выхода можно соотвественно изменить согласно требованиям к установки клиента, и может также быть оборудована с шестернями, шкивами, червями, водит винты, приспособление для вывода etc.
Из-за своих небольшого размера, высокой точности, легких для того чтобы контролировать и другие превосходные характеристики, поэтому этот микро- stepper мотор широко использованы в камере, оптических инструментах, объективах, медицинских службах точности, автоматических замках и других полях.
Часть входного сигнала мотора FPC, но может согласно покупательскому спросу можно изменить на соединяясь линию иглу, PCB и другие формы.
Кронштейн можно изменить согласно запросу клиента.
лист параметра stepper мотора 10mm микро-:
| НАЗВАНИЕ ПРОДУКТА | МОТОР 10 MM МИКРО- STEPPER |
| МОДЕЛЬ | VSM1070 |
| МАКСИМАЛЬН STARTING ЧАСТОТА | 1250 PPS MIN. (НА DC 5,0 v) |
| МАКСИМАЛЬН SLEWING ЧАСТОТА | 1950 PPS MIN. (НА DC 5,0 v) |
| ВЫТЯНИТЕ ВНУТРИ ВРАЩАЮЩИЙ МОМЕНТ | 5,4 gf-см MIN. (НА DC 500 PPS, 5.0V) |
| ВЫТЯНИТЕ ВНЕ ВРАЩАЮЩИЙ МОМЕНТ | 6 gf-см MIN. (НА DC 500 PPS, 5.0V) |
| КЛАСС ИЗОЛЯЦИИ | КЛАССИФИЦИРУЙТЕ E ДЛЯ КАТУШЕК |
| ПРОЧНОСТЬ ИЗОЛЯЦИИ | AC 100V НА ОДНА СЕКУНДА |
| СОПРОТИВЛЕНИЕ ИЗОЛЯЦИИ | 1 MΩ (DC 100 V) |
| ТЕМПЕРАТУРНАЯ АМПЛИТУДА РАБОЧЕЙ ТЕМПЕРАТУРЫ | -10~+60 ℃ |
| OEM & ОБСЛУЖИВАНИЕ ODM | ДОСТУПНЫЙ |

мотор 10mm микро- stepper вне чертежа:

Мотор мотора премьер-министра микро- 5v 10mm диаметра 10BY мини stepper шагая

Этот вид небольшого мотора главным образом использован в камерах, объективах, оптических инструментах и других полях, с небольшим размером и точным контролем. Клиенты могут подгонять сопротивление мотора, размер установки, форму выхода и размер. Для особенных случаев, планетарной коробке передач можно соответствовать мотору для того чтобы получить низкоскоростной и высокий вращающий момент. Потребности клиентов направление мы должны стремиться для, и отвечать потребностямы клиентов будет нашим самым высоким преследованием. Пожалуйста держите в плотном контакте с нами.