90 выхода вала градусов коробки передач червя с DC цилиндра почистили мотор щеткой
Это мотор коробки передач серии JSX5300, оно DC почистило мотор щеткой прикрепленный с коробкой передач червя.
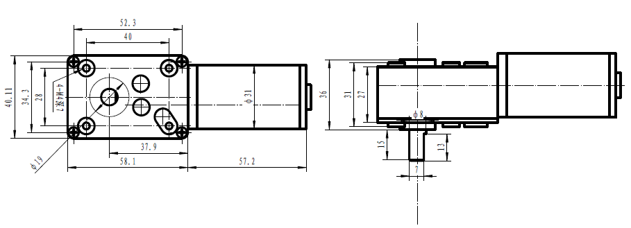
Вал выхода вал диаметра d 8mm, длина вала ориентирован на заказчика.
Также коробку передач можно изменить для того чтобы удвоить дизайн вала.
Мы имеем множественный коэффициент шестерни для вас тоже выбрать.
Чувствуйте свободный связаться мы если вы заинтересованы.
Параметры:
| Тип мотора | Мотор щетки DC + коробка передач червя |
| Расклассифицированное напряжение тока | DC 24V |
| Коэффициент шестерни | 49:1/74:1/101:1/218:1/505:1/634:1 |
| Диаметр мотора | 31mm |
| Разгруженное течение | 100~300 мам |
| Расклассифицированное течение | 1100~1400 мам |
| Разгруженная скорость (одиночный мотор) | 5000~8000 RPM |

Дисплей продукта:

О DC почистил моторы щеткой:
DC почистил моторы щеткой наиболее обыкновенно используемые моторы на рынке.
Оно имеет внутренность электрической щетки, и оно имеет положительные и отрицательные штыри (+ и -)
Скорость мотора DC можно контролировать с различными коэффициентами шестерни, или управлением PWM. (Модуляция ширины импульсов)
С поддержкой вращающего момента коробки передач, мотор DC может достигнуть гораздо выше вращающий момент, сравненный к вращающему моменту мотора первоначальному.
Преимущество моторов щетки DC:
1. Дешевая цена
2. Небольшой размер
3. Легкий для того чтобы соединиться, легкий для использования
4. Обыкновенно использованный
5. Быстрая скорость
6. Высокая эффективность (сравненная к stepper мотору)
Мотор DC с коробкой передач:
Коробка передач может поддержать вращающий момент мотора, и уменьшает скорость мотора
Мы имеем различные коэффициенты для вас, который нужно выбрать, также эффективность шестерни коробки передач связаны, что зацепляем уровни.
Эффективность коробки передач ratio* torque=original выхода torque*gear
Коэффициент скорости speed= выхода первоначальный/шестерни
Образцы упакованы с губкой пены внутри бумажной коробки.
Для массового производства, продукты упакованы в коробке бумаги.
Для доставки моря (массового производства), коробки упакованы на паллете.
Грузя время:
срочным (UPS/Federal Express TNT DHL): 5~12 дня
4PX срочным: 10~20 дней
Доставка моря: 40~60 дней (зависит от различных стран)