мотор постоянного магнита степени 30BYJ46 высокой точности 7,5 провода 12V 5 Stepper

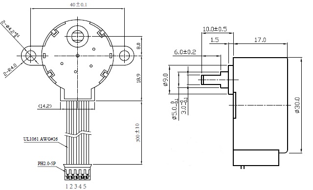
Дистанционирование отверстия нажимной накладки (mm): ориентированный на заказчика
Коэффициент уменьшения: 1/85,25
Угол шага: 7,5 °/85,25
Управлять режимом: возбуждение 1-2-phase или возбуждение 2-2-phase
Спецификация руководства: ul1061 26awg или ul2464 26awg
Расклассифицированное напряжение тока: 5VDC; 12VDC; 24VDC
Этот продукт главным образом использован для санитарных изделий, термостатического клапана, faucet горячей воды, автоматического регулирования подачи температуры воды и воды, etc.
В то же время, оно может осуществить другие поля которые требуют точного контроля. Должный к осуществлению управления незамкнутой сети, осуществлено недорогое управление положения.
Использованный в клапанах для впуска горючей смеси, клапанах очистителя воды, аппаратурах и других автоматических участках регулирования управления точности.
В то же время, внешнюю связывая проволокой часть можно использовать согласно требованиям клиента для различных типов и длин соединяясь линий, или FPC.
Параметры коробки передач 30BYJ46 stepper основные:
| НАЗВАНИЕ ПРОДУКТА | 30MM зацепили stepper мотор |
| МОДЕЛЬ | 30BYJ46 |
| RESISTENCE | 130Ω±7% |
| ТЕМПЕРАТУРНАЯ АМПЛИТУДА РАБОЧЕЙ ТЕМПЕРАТУРЫ | -0~+55 ℃ |
| КОЭФФИЦИЕНТ ШЕСТЕРНИ | 85:1 |
| OEM & ОБСЛУЖИВАНИЕ ODM | ДОСТУПНЫЙ |
| ЭФФЕКТИВНОСТЬ | 10~20% |
| ВЫТЯНИТЕ ВНУТРИ ВРАЩАЮЩИЙ МОМЕНТ | 58.8mN.m AT100pps |
Мотор шестерни 30BYJ46 stepper вне рисуя:

Рабочие параметры шестерни 30BYJ46 stepper:

Дисплей stepper мотора шестерни 30BYJ46:


CO. технологии мотора Vic-техника Changzhou, Ltd (следовать, мы только вызываем компанию) было основано в годе 2011, компания главным образом начинает, изготовляет и продает микро- stepper моторы, микро- коробки передач, микро- мотор слайдера, микро- линейный мотор и другие продукты
Компания расположена в поясе перепада Рекы Янцзы экономическом, одном из само экономически начатых регионов в Китае, и расположена в городе Changzhou, провинции Цзянсу, с красивой окружающей средой. Компания 20 километров далеко от аэропорта Changzhou, 5 километров далеко от высокоскоростного железнодорожного вокзала, и 1 километр далеко от высокоскоростного пересечения. И Шанхай и Нанкин около 120 километров прочь. Транспорт очень удобен, отечественные и международные снабжения и транспорт очень превращены и удобныся!
Главный технический персонал компании работает в родственных индустриях на больше чем 10 лет, и имеет трудовой стаж в иностранных компаниях как Япония, Южная Корея, Европа и Соединенные Штаты, и имеет трудовой стаж в отечественных перечисленных компаниях. Имейте систематическую способность совершенствованих продукций, идеальную способность руководства проектом и хорошую способность связи клиента. Компания начала больше чем 30 подгонянных проектов для отечественных и международных первоклассных компаний, и сотрудничала с больше чем 20 большими компаниями.