Зубы диаметра 9 VSM0613 мини 6mm зацепляют мотор постоянного магнита шагая
Описание:
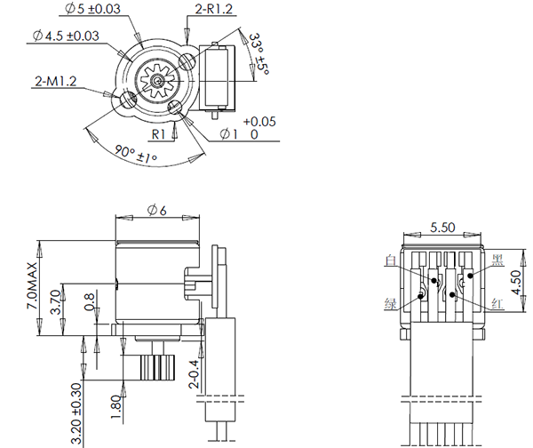
Это мотор постоянного магнита диаметра 6mm stepper прикрепленный с шестерней на вале.
Модуль шестерни 0,2, и мотор 9 зубов.
Мы можем извлечь движение если клиентам не нужно оно.
Вращающий момент мотора 6mm около 1 ряд g*cm, если клиентам нужен более высокий вращающий момент, то пожалуйста рассматривает более большой размер как моторы 10mm и 8mm.
Соединитель Molex 51021-0400 (соединитель тангажа 1.25mm), мы может заменить его на другие типы соединителя если вы хотите к.
Параметры мотора:
| Модель нет. | VSM0613 | 
| Тип мотора | Двухполярный мотор постоянного магнита | 
| Участок нет. | 2 участка | 
| Расклассифицированное напряжение тока | 3,3 DC V | 
| Угол шага | 18° | 
| Сопротивление | 12Ω | 
| Тип соединителя | Molex 51021-0400 | 
| Вращающий момент вырывания | 1g*cm (800PPS) | 
Параметры шестерни:
| Модуль | 0,2 | 
| Угол давления | 20° | 
| Зубы | 9 | 
| Cutle cir ссылки | Φ1.8 | 
| Коэффициент изменения | 0,1 | 
| Точность | JGMA4 | 
Чертеж дизайна:

Дисплей продукта:

Применение stepper моторов:
Stepper моторы использованы для точного контроля, широко использованный на медицинском оборудовании, принтере 3D, промышленном точном контроле, оборудовании автоматизации, etc.
Stepper моторы можно использовать в любых conrtol требованию к механизмов точном и вращательном/линейном движении.
Преимущество stepper моторов:
Stepper мотор может достигнуть точный контроль даже без кодировщиков конц-петли/без системы питания назад, также почищенные щеткой они не имеет электрическое. Таким образом никакие электромагнитного вопросы взаимодействия и электрических искр. В некоторых случаях, они могут заменить DC почистили моторы щеткой моторов безщеточные.
Stepper моторы легки для того чтобы контролировать с водителями, и этой особенностью установить свое важное положение в поле точного контроля.
1. Точный контроль достижимый, programmable
2. Без электромагнитного взаимодействия & электрических искр
3. Небольшой размер
4. Умеренная цена
5. Малошумный
6. Длинный срок службы