мотор высококачественной шестерни мотора 3.3vDC 25mm после полудня Stepper для управления клапана
мотор шестерни 25mm мини stepper зацепленный мотором Stepper
диаметр 25mm после полудня зацепил Stepper мотор шестерни шагать мотора 5V микро-

Мотор диаметр 25mm, тип stepper мотор после полудня с фиксированной коробкой передач. Винт и гайка также имеют структуру анти--вращения, так, что толкатель сможет двинуть вверх и вниз. Этот мотор SM25-412L имеет встроенную коробку передач коэффициента шестерни 10:1, которая осуществляет коэффициент уменьшения 1:10, улучшает вращающий момент, и в конце концов использует конец выхода со структурой стопа, для того чтобы осуществить функцию дорна двигая вперед и назад. Тяга вообще 7 о килограммах. Тяга больше чем другие моторы (о 70N, толкните 7KG)
Этот продукт главным образом использован в TRV (термостатическом клапане радиатора) и очень обыкновенно использован в управлении клапана. Низкооборотные и большая тяга идеальны для управления клапана или подобных применений.
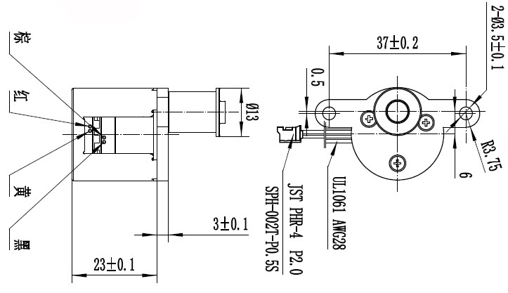
Относительно дизайна этого мотора, 2 отверстия в крышке мотора (используемой как отверстия установки), дистанционирование отверстия 37mm, мы также имеют версию 31mm.
Мотор приходит с соединителем тангажа P1.25mm (Molex 51021-0400)
В то же время, внешняя связывая проволокой часть может выбрать различные типы и длины проводов, или FFC FPC согласно требованиям клиента.
Угол формы и выхода панели можно подгонять согласно потребностям клиента!
| Тип мотора | Мотор постоянного магнита с коробкой передач |
| Диаметр мотора | 25mm |
| Напряжение тока | 2.2V DC~3.4VDC |
| Угол шага | 7.5° |
| Участок No.of | 2 - участок |
| Сопротивление катушки | 5Ω±7%/участок |
| НАЧАЛО ЧАСТОТЫ | 750PPS MIN. (НА DC 2.6V) |
| ЧАСТОТА ОТВЕТА | 800 PPS MIN. (НА DC 3.0V) |
| ВРАЩАЮЩИЙ МОМЕНТ DENTENT | 60g.cm |
| RATATION | CW/CCW |

Микро- зацепленный Stepper мотор 2 мотор wirer участка 4 двухполярный шагая
