диаметр 25mm после полудня зацепил Stepper мотор шестерни шагать мотора 5V микро-

Угол шага этого одиночного мотора 7,5 градуса, и он предпринимает меры 48 для того чтобы сделать одну революцию (без коробки передач)
К тому же, мы имеем различные коэффициенты шестерни для вас, который нужно выбрать, коэффициент уменьшения шестерни стандарт 1:100 1:75 1:60 1:30 1:20 1:15 1:10, который можно определить согласно вашим потребностям, шестерня мотора коэффициент 30: 1.
Так угол шага 7,5 degrees/30
Если вы не уверены о коэффициенте, то скорости вам, вы можете дать мне информацию о моторе вам нужен, как напряжение тока, скорость и вращающий момент мотора, и я могу порекомендовать его к вам основал на ваших потребностях
ЗАМЕЧЕННЫЙ:
Вал выхода мотора можно подгонять согласно требованиям к установки клиента.
применение:
Применение клапана
Кондиционирование воздуха бытовых приборов
bathroom холодильника умный
Автоматический монитор CCTV замка
Радиотехническая аппаратура
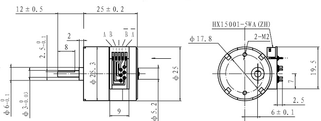
| Тип мотора | Мотор постоянного магнита с коробкой передач |
| Диаметр мотора | 25mm |
| Напряжение тока | CD 12V |
| Угол шага | 7.5°/30 |
| Участок No.of | 2 - участок |
| Сопротивление катушки | 20Ω±10% (25℃) |
| Удержание вращающего момента | g*cm 3500 |
| Максимальный срабативани тариф | 700pps |
| срабативани вращающий момент на 200pps | 1000g.cm |
| Течение в участок | 600mA |

Микро- зацепленный Stepper мотор 2 мотор wirer участка 4 двухполярный шагая

Мотор SM25-048S-30G stepper использован для управления точности и широко использован в медицинском оборудовании, принтерах 3D, промышленном управлении точности, оборудовании автоматизации, применениях клапана, etc.
Stepper моторы можно использовать в любом механизме который требует точного контроля и вращательного/линейного движения.
Если этот мотор не отвечает ваши потребностямы установки, то мы также рекомендуем другие моторы диаметра для вас, если вы имеете любые вопросы, то вы можем чувствовать, что свободно связались я