Описание:
Это лидирующая, высокоточная планетарная коробка передач.
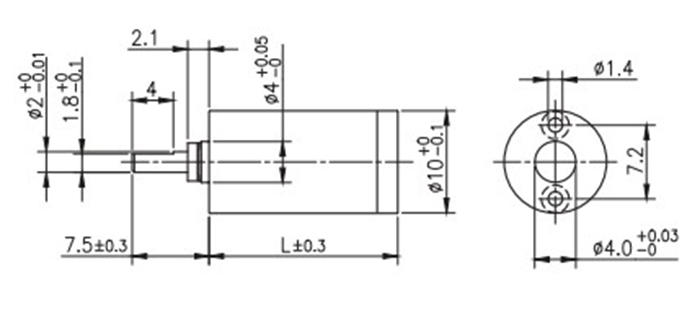
Оно имеет диаметр 10mm и соответствующий для stepper моторов с диаметром 10mm.
Также различные коэффициенты шестерни, который нужно выбрать от.
Коэффициент шестерни определен шестерней.
Оно имеет коэффициент шестерни 4:1 для каждого уровня.
Мы имеем 6 коэффициентов шестерни для клиентов, который нужно выбрать от.
Высокий оно коэффициент, больше вращающий момент коробка передач имеет, и она дороже.
| Уровни шестерни | 1 | 2 | 3 | 4 | 5 | 6 |
| Коэффициент шестерни | 4:1 | 16:1 | 64:1 | 256:1 | 1024:1 | 4096:1 |
| Максимальный мгновенный вращающий момент допуска (g*cm) | 150 | 300 | 900 | 1200 | 1500 | 1800 |
| Расклассифицированный вращающий момент допуска (g*cm) | 50 | 100 | 300 | 400 | 500 | 600 |
| Эффективность | 85% | 75% | 65% | 55% | 45% | 40% |
| Длина коробки передач (mm) | 11,7 | 14,8 | 17,9 | 21 | 24,1 | 27,2 |
| Вес (g) | 6,2 | 7,2 | 8,2 | 10,2 | 11,2 | 13,2 |
Чертеж дизайна:



Почищенные щеткой моторы DC наиболее обыкновенно используемые моторы на рынке.
Оно имеет щетки внутрь и имеет положительные и отрицательные штыри (+ и -)
Скорость мотора DC может быть проконтролирована различными коэффициентами шестерни или управлением PWM. (Широтная модуляция ИМПа ульс)
Мотор DC поддержан вращающим моментом коробки передач, и мотор DC может достигнуть более высокого вращающего момента сравненного к сырцовому вращающему моменту мотора.
1. Дешевая цена
2. Небольшой размер
3. Легкий для того чтобы соединиться, легкий для использования
4. Обыкновенно использованный
5. Быстрая скорость
6. Высокая эффективность (сравненная к stepper мотору)
Мотор DC с коробкой передач:
Коробка передач может поддержать вращающий момент мотора, и уменьшает скорость мотора
Мы имеем различные коэффициенты для вас, который нужно выбрать, также эффективность шестерни коробки передач связаны, что зацепляем уровни.
Эффективность коробки передач ratio* torque=original выхода torque*gear
Коэффициент скорости speed= выхода первоначальный/шестерни
Образцы упакованы с губкой пены внутри бумажной коробки.
Для массового производства, продукты упакованы в коробке бумаги.
Для доставки моря (массового производства), коробки упакованы на паллете.
Грузя время:
срочным (UPS/Federal Express TNT DHL): 5~12 дня
4PX срочным: 10~20 дней
Доставка моря: 40~60 дней (зависит от различных стран)
CO. Vic-техника Changzhou, Ltd основано в 2011. Оно специализировал в произведении микро- моторов и аксессуаров, со сверх 20 летами опыта НИОКР в автомобильной промышленности.
После 10 лет непрерывного нововведения и развития нашей компании, мы начинали расширить наше международное дело, и наши продукты были экспортированы к Европе, Южной Америке, Канаде, Соединенным Штатам, Азии и Австралии.
Наша компания обеспечивает обслуживания OEM/ODM и обеспечивает проворный ответ, лично испытывать, безопасный упаковывать, и своевременную доставку. Одна из самых больших причин за этим успехом наше эффективное послепродажное обслуживание, обеспечивающ проворную и профессиональную поддержку к нашим клиентам.
