Этот мотор мотор высокоточного, небольш-размера гибридный шагая с красивым возникновением и превосходное представление.
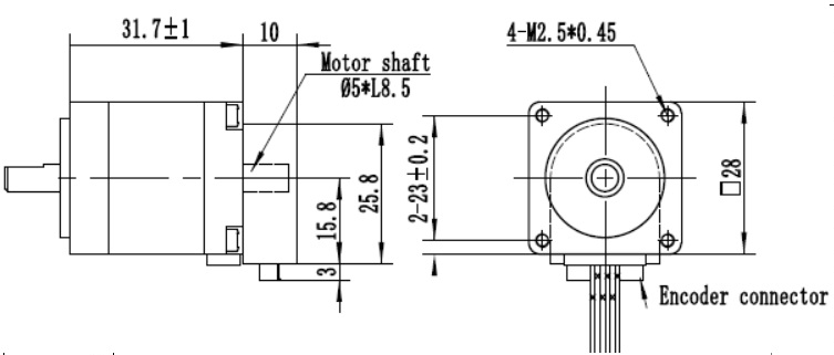
Это 28mm квадратный мотор с оптически кодировщиком на кабеле. Кабели привода мотора и кабели кодировщика в конце мотора. Обыкновенно используемые штепсельные вилки отмечены на чертеже, и длину, тип и тип штепсельной вилки кабелей можно использовать. Подгонянный согласно требованиям клиента
Только один угол шага для этого типа мотора в настоящее время, оно 1,8 градуса. Длину мотора можно выбрать между 30~51mm. Порекомендованная длина 32 45 51mm. Вращающий момент мотора меняет согласно длине. Больше вращающего момента, ряд вращающего момента этого мотора между 400~1200g.cm
Кодировщик использует высокоточный оптически кодировщик, и выходной сигнал имеет 3 канала, а именно сигнал b и сигнал индекса.
Разрешение выходного сигнала имеет 3 варианта: 500, 1000, и 2000CPR (изменение в reverlution). В то же время, линия выхода сигнала добавляет функцию взаимодействия защищая, которая может обеспечить что не нарушен и не передернут сигнал.
Должный к этим характеристикам, моторам широко используйте в медицинской промышленности, высокоточной индустрии инструментирования и других случаях которые требуют высокоточный располагать.
Уместные параметры мотора суммированы следующим образом, пожалуйста см. выбор. В то же время, потому что много параметров можно подгонять, пожалуйста выбирают сослаться на параметры ниже, и свяжутся мы, мы обеспечим более профессиональную поддержку.
Технические спецификации параметра мотора
| Тип мотора | Гибридный stepper кодировщик motor+Optical |
| Модель | 28HT32-3H-ENCODER |
| Режим возбуждения | 2-2 двухполярный |
| Вал выхода | Φ5D4.5 |
| Тип кодировщика |
Оптически кодировщик |
| Разрешение кодировщика |
500 1000 2000 CPR опционных |
| Вращающий момент выхода | 400~1000g.cm |
| Настоящий ряд | 0.2~1.2A/phase |
| Угол шага | степень 1,8° |
Вращающий момент мотора против управлять скоростью (pps)

Мотор вне чертежа:


% обслуживания ODM OEM:
Что более специфические требования для других аспектов продукта, мы можем подгонять его, и этот продукт можно оборудовать с планетарной коробкой передач для уменьшения скорости и увеличить вращающий момент, так, что его можно использовать в больше применений часть вала выхода можно также сделать в различные формы выхода как трапецоидальные винт и червь согласно потребностям клиентов. Вкратце, мы сделаем усилия 100% соотвествовать требованиям клиента для продуктов. Если вы имеете любые требования, то пожалуйста свяжитесь мы во времени.