Планетарная коробка передач с 0,9 градусами угол шага 1,8 градусов мотор 42 mm гибридный stepper
Описание:
Этот мотор 42mm квадратной формы гибридный stepper с планетарной коробкой передач.
Мы имеем различные комбинации коэффициента шестерни для вас, который нужно выбрать.
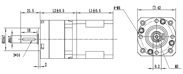
Вал выхода круглый вал со слотом.
Вращающий момент выхода мотора связан с длиной мотора и коэффициентом коробки передач.
Мы имеем различные коэффициенты коробки передач и длина мотора для выбирает.
Данные по коробки передач:
| Уровень нет. | Эффективность | Длина коробки передач (mm) | Коэффициент коробки передач |
| 1 | 95% | 40 | 3: 1/4: 1/5:1/7:1/10:1 |
| 2 | 90% | 51 |
12:1/15:1/16:1/20:1/25:1/ 28:1/35:1/40:1/50:1/70:1 |
| 3 | 85% | 62 |
64:1/80:1/100:1/125:1/ 140:1/175:1/200:1 |
Параметры мотора:
| Модель нет. | 42HS40-PLE |
| Возможная длина мотора (L1) | 25 / 28/34/40/48/52/60 |
| Настоящий ряд | 0.4~1.7A/phase |
| Тип выхода | Круглый вал со слотом |
| Угол шага (одиночный мотор) | 0.9°/1.8° |
| Вращающий момент выхода | Эффективность ratio* мотора torque*gear |
Чертеж дизайна:

Дисплей продукта:

Применение stepper моторов:
Stepper моторы использованы для точного контроля, широко использованный на медицинском оборудовании, принтере 3D, промышленном точном контроле, оборудовании автоматизации, etc.
Stepper моторы можно использовать в любых conrtol требованию к механизмов точном и вращательном/линейном движении.
Преимущество stepper моторов:
Stepper мотор может достигнуть точный контроль даже без кодировщиков конц-петли/без системы питания назад, также почищенные щеткой они не имеет электрическое. Таким образом никакие электромагнитного вопросы взаимодействия и электрических искр. В некоторых случаях, они могут заменить DC почистили моторы щеткой моторов безщеточные.
Stepper моторы легки для того чтобы контролировать с водителями, и этой особенностью установить свое важное положение в поле точного контроля.
1. Точный контроль достижимый, programmable
2. Без электромагнитного взаимодействия & электрических искр
3. Небольшой размер
4. Умеренная цена
5. Малошумный
6. Длинный срок службы