Мотор NEMA34 SM86C0905 86mm гибридный Stepper угол шага 1,8 градусов с винтом руководства
Описание:
Это мотор гибрида 86mm stepper с трапецоидальным винтом.
Угол шага 1.8°/step, и он предпринимает меры 200 для того чтобы повернуть точно 1 поворот.
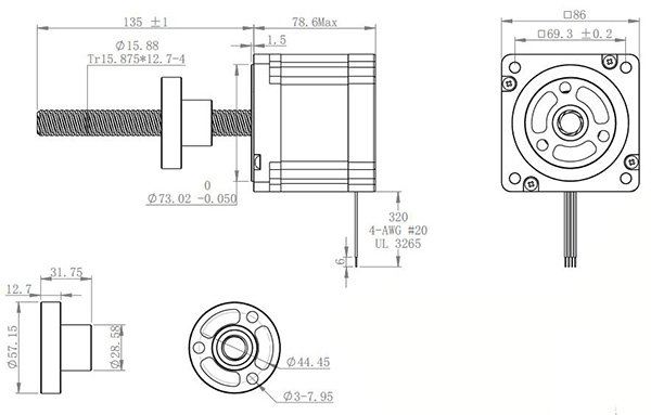
Руководство винта руководства 12.7mm которое значит когда мотор поворачивает один поворот, движения гайки 12.7mm.
Так шагают length=lead/200 steps=0.0635/step, которые значат когда мотор предпринимает меры один полный, гайка винта руководства делают движение 0.0635mm линейное.
Гайка сделана из самосмазочного пластикового материала (PPS), его может принять большую тягу с небольшим трением в то же время.
Параметры мотора:
| Модель нет. | SM86C0905 |
| Размер мотора | 86mm |
| Участок нет. | 2 участка (двухполярного) |
| Течение участка | 3.12A/phase |
| Сопротивление участка | 1.6Ω/phase |
| Индуктивность участка | 8.8mH±20% |
| Минимальная тяга (на 300 PPS) | 50KG |
Параметр винта руководства:
| Тип винта руководства | Трапецоидальный винт |
| Но. модели винта руководства. | Tr15.875*12.7-4 |
| Наружный диаметр | 15..875 mm |
| Руководство | 12.7mm |
| Начала | 4 |
| Тангаж | 3.175mm |
| Длина шага | 0.0635mm/step |
Чертеж дизайна:

Дисплей продукта:

Применение stepper моторов:
Stepper моторы использованы для точного контроля, широко использованный на медицинском оборудовании, принтере 3D, промышленном точном контроле, оборудовании автоматизации, etc.
Stepper моторы можно использовать в любых conrtol требованию к механизмов точном и вращательном/линейном движении.
Преимущество stepper моторов:
Stepper мотор может достигнуть точный контроль даже без кодировщиков конц-петли/без системы питания назад, также почищенные щеткой они не имеет электрическое. Таким образом никакие электромагнитного вопросы взаимодействия и электрических искр. В некоторых случаях, они могут заменить DC почистили моторы щеткой моторов безщеточные.
Stepper моторы легки для того чтобы контролировать с водителями, и этой особенностью установить свое важное положение в поле точного контроля.
1. Точный контроль достижимый, programmable
2. Без электромагнитного взаимодействия & электрических искр
3. Небольшой размер
4. Умеренная цена
5. Малошумный
6. Длинный срок службы
Упаковывая и грузя информация:
Образцы упакованы с губкой пены внутри бумажной коробки.
Для массового производства, продукты упакованы в коробке бумаги.
Для доставки моря (массового производства), коробки упакованы на паллете.
Грузя время:
срочным (UPS/Federal Express TNT DHL): 5~12 дня
4PX срочным: 10~20 дней
Доставка моря: 40~60 дней (зависит от различных стран)

Наша информация о компании:
CO. Vic-техника Changzhou, Ltd основано в 2011. Оно специализировал в произведении микро- моторов и аксессуаров, со сверх 20 летами опыта НИОКР в автомобильной промышленности.
После 10 лет непрерывных нововведения и развития, мы начали расширить международное дело, с экспортом к Европе, Южной Америке, Канаде, США, Азии, и Австралии.
Мы предлагаем обслуживание OEM/ODM, и обеспечиваем своевременный ответ, личный тест, безопасную упаковку, в срок доставку. Одна из самых больших причин за этим успехом наше эффективное обслуживание после-продажи, обеспечивает своевременную и профессиональную помощь для клиентов.
вопросы и ответы:
1. Вы изготовитель или торговец?
Мы изготовитель. Мы производим едем на автомобиле.
2. Где ваша фабрика? Можем мы посетить вашу фабрику?
Наша фабрика расположена в городе Changzhou. Чувствуйте свободной навестить мы если вы хотите.
3. Вы обеспечиваете подгонянные образцы образцов свободные?
Мы можем сделать изготовление на заказ на образцах, и оно стоило дополнительную цену изготовления на заказ.
Нет, мы не отправляем свободные образцы.
4. Что время выполнения на образцах?
Для образцов в запасе, время выполнения в течение 3 дней.
Для образцов не в запасе, время выполнения около 15 дней.
Для подгонянных образцов, время выполнения около 25 до 30 дней.
5. Какое обслуживание изготовления на заказ вы обеспечиваете?
Мы имеем превращаясь команду для многолетнего опыта сверх 20.
Мы обеспечиваем обслуживание изготовления на заказ на всех видах компонентов мотора.
От слайдера мотора, приведите винт, коробки передач конструируйте.
К длине кабеля, типу соединителя, и дизайну FPC.
6. Можем мы подписать контракт NDA если мы хотим развивать новый продукт?
Да, мы можем подписать контракт NDA и защитить вашу конфиденциальность.
Чувствуйте свободный связаться мы если вы имеете новый проект, который нужно превратиться.