Насос ДК низкой мощности ПБВ12 250мА безщеточный для вибрации отражетеля благоуханием низкой
Быстрая деталь:
| Место происхождения: | Чжэцзян Китай (материк) | Фирменное наименование: | Синх или пробел | Номер модели: | ПБВ12 |
| Теория: | Электромагнитный насос | Структура: | Насос диафрагмы | Использование: | Пневматический насос |
| Сила: | Электрический | Скорость течения: | 320мЛ/м для воды, 1.3Л/м для воздуха | Топливо: | Электрический |
| Давление: | 90кПА, -40кПА, сосут высоту 2м | Применение: | отжимающ или сосущ газ |
Описание:
Польза водяной помпы ПБВ12 ДК КИНХ безщеточная дизайн мотора ДК безщеточный который имеет возможность над 80000 часов непрерывной не требующей ухода деятельности. Он компактен, очень тихий, сильно надежный и недорогой, он имеет способность дизайна работать для химического газа жидкости или химиката непрерывно работая все время.
Особенности
> Компактный размер
> Устойчивые выходы воздуха с малошумным
> Потребление низкой мощности
> Экономический
> Очень низкая вибрация
Применения:
машина краски масла
насос шприца
машина чернил
аквариум
Бытовой прибор
Дозировать химический материал
Батарея управляя насосом
Насос вина
масляный насос
насос амиака
химический жидкостный насос
химический воздух/жидкостный насос
насос озона
насос отражетеля благоуханием
вакуумный насос для сосет жидкость или воздух
Спецификации:
Модель: ПБВ12
Тип: Безщеточная водяная помпа ДК
Расклассифицированное напряжение тока: ДК12В, ДК24В
Скорость течения: 320+_50мЛ/м для скорости течения воды
Течение потребления: 250мА
Высота 2м воды суктионабле
Максимальное давление: больше кПа чем 90
Классфикатион изоляции катушки: Тип
Время выносливости: больше чем 8000 часов
Работая шум: Чем 20дБ
Напряжение тока начала: 8В
Вес: 60г
Работая экологическая температура: 5-50.к
Работая экологическая влажность: 0-90%РХ
Рабочая характеристика
Для воды

для воздуха

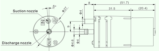
Размер

Информация о компании
Наше обслуживание
Мы изготовитель насосов. Так мы можем предложить обслуживание ОЭМ.
Кто мы?
Мы фабрика, изготовляя микро- насосы как микро- насос диафрагмы, электромагнитный пневматический насос наши продукты продают очень хорошо и выигрывают хорошие репутации внутри клиенты которые повторяют много заказов.
Что мы обеспечиваем?
Мы хотел были бы порекомендовать соответствующие насосы для вас. И вы можете иметь ваши насосы выполненные на заказ. Мы хотел были бы помочь разрешить любую после-продажу проблем.
Где мы?
Мы расположены в промышленном парке Люши, городе Юецинг, провинции Чжэцзяна, гостеприимсве Китая для того чтобы навестить мы:)
Как связаться мы?
Все вопросы, пльс чувствуют свободными контактировать телефон: 86-138-68752655
Почему выберите нас?
Мы изготовитель с новым оборудованием и новые но опытные дизайнеры. Так мы имеем новые идеи и большую емкость поставки. И мы можем закончить ваши заказы в короткийе срок. Мы молоды! Настолько ничего невозможно!