Насос тюфяка воздуха 12В ДК безщеточный медицинский, 1.5Л/М 90КПА
Быстрая деталь:
Безщеточный насос тюфяка воздуха ДК медицинский
1. Безщеточный мотор, супер длинная продолжительность жизни, супер тишь
2. Больше чем давление 90кПа, всасывание -40кПа и скорость течения воздуха 1.3-1.5Л/м
3. Скорость регулируемая и контроллабле с сигналом прямоугольной волны
4. Выдвинутый коррозийной устойчивостью фильм насоса, может снести химический газ
5. продолжительность жизни больше чем непрерывно рабочий день 8000хоурс и ночь
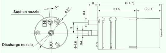
6. размер ∮27кс59.7мм
7. Дя выхода & входа: 4мм
8. вес: 60г
Описание:
Польза насоса ПБА12-1.5С тюфяка воздуха ДК КИНХ безщеточная медицинская дизайн мотора ДК безщеточный который имеет возможность над 80000 часов непрерывной не требующей ухода деятельности. Он компактен, очень тих, сильно надежный и недорогой, и химическая устойчивость, с функцией скорости контроллабле и регулируемой.
Особенности
> Компактный размер
> Устойчивые выходы воздуха с малошумным
> Потребление низкой мощности
> Экономический
> Очень низкая вибрация
Применения:
насос шприца
машина чернил
обжатие интермиттенд пневматическое (медицинское)
терапия обжатия
генератор озона
система спасения
отражетель благоуханием
воздушный матрас
Бытовой прибор
Атмосферическое обнаружение
Дозировать химический материал
Батарея управляя пневматическим насосом
Аквариум
Спецификации:
Модель: ПБА12-1.5С
Тип: Безщеточный насос тюфяка воздуха ДК медицинский
Расклассифицированное напряжение тока: ДК12В, ДК24В
Скорость течения: 1,3 до 1.5Л/м
Течение потребления: 320мА
Степень достижения вакуума: Больше чем -40кПа
Максимальное давление: больше кПа чем 90
Классфикатион изоляции катушки: Тип
Время выносливости: больше чем 8000 часов
Работая шум: Чем 30дБ
Напряжение тока начала: 8В
Вес: 60г
Работая экологическая температура: 5-50.к
Работая экологическая влажность: 0-90%РХ
Рабочая характеристика

Размер

Конкурентное преимущество:
длинные продолжительность жизни, малошумное, высококачественные, воздух 1.3-1.5Л/М скорость течения и давление 90кпа, с фильмом насоса химической устойчивости, могут снести химический газ, скорость РПМ регулируемую и контроллабле, энергосберегающее соответствующее для батареи управляя, насоса тюфяка воздуха ДК медицинского
вопросы и ответы
А: Вы изготовитель или торговая компания?
Б: Мы соединение изготовителя это союзничество полностью самый лучший медицинский изготовитель насоса тюфяка воздуха совместно
Так мы можем пообещать самой лучшей цене и стабилизированному качеству, в срок грузя.
А: Вы признаваете заказ ОЭМ?
Б: Да, мы также признаваем заказы ОЭМ
А: Как могу я получить некоторые образцы?
Б: Мы удостоены для предложения вам образцов.
А: Как ваша фабрика делает относительно проверки качества?
Б: «Качество приоритет. Мы всегда прикрепляем большое значение в качество контролируя с самого начала к очень концу.
Заказ образца доступен на в первый раз!
Посмотрите вперед к вашему дознанию!