Низкая мощность пневматического насоса аквариума микро- вакуумного насоса DC 12V тихая
Быстрая деталь:
Безщеточный вакуумный насос DC 12V
1.Brushless мотор, супер длинная продолжительность жизни, супер успокаивает
2.More чем 320+_50mL/m для скорости течения воды, может работать с водой или вином или маслом или ozonized скоростью течения воды или аммиачным газом или жидкостью. Высота 2m воды suctionable.
3.Speed регулируемое и controllable с сигналом прямоугольной волны
4. Фильм насоса коррозийной устойчивости предварительный, может снести химическую жидкость.
5. продолжительность жизни больше чем непрерывно рабочий день 8000hours и ночь
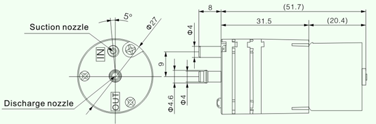
6. размер ∮27x59.7mm
7. Dia выхода & входа: 4mm
8. вес: 60g
Описание:
Вакуумный насос PBW12 DC 12V CINH безщеточный использовать дизайн мотора DC безщеточный который имеет возможность сверх 80000 часов непрерывной не требующей ухода деятельности. Он компактен, очень тихий, сильно надежный и недорогой, он имеет способность дизайна работать для химической жидкости или химического газа непрерывно работая все время.
Особенности
> Компактный размер
> Устойчивый воздух выводит наружу с малошумным
> Потребление низкой мощности
> Экономический
> Очень низкая вибрация
Применения:
машина краски масла
насос шприца
машина чернил
аквариум
Бытовой прибор
Дозировать химический материал
Батарея управляя насосом
Насос вина
масляный насос
насос амиака
химический жидкостный насос
химический воздух/жидкостный насос
насос озона
насос отражетеля благоуханием
вакуумный насос для сосет жидкость или воздух
Спецификации:
Модель: PBW12
Тип : Безщеточный вакуумный насос DC 12V
Расклассифицированное напряжение тока: DC12V, DC24V
Скорость течения: 320+_50mL/m для скорости течения воды
Потребление настоящее: 250mA
Высота 2m воды suctionable
Максимальное давление: больше kPa чем 90
Classfication изоляции катушки: Тип
Время выносливости: больше чем 8000 часов
Работая шум: Чем 20dB
Напряжение тока начала: 8V
Вес: 60g
Работая экологическая температура: 5-50.c
Работая экологическая влажность: 0-90%RH
Рабочая характеристика

Размер

Конкурентное преимущество:
длинные продолжительность жизни, малошумное, высококачественные, 320+_50mL/m для жидкостной скорости течения и давление 90kpa, с фильмом насоса химической устойчивости, могут снести любую химическую жидкость, скорость RPM регулируемую и controllable, энергосберегающее соответствующее для батареи управляя, безщеточного вакуумного насоса DC 12V