1. Основные функции и особенности
Умный регулятор компонент ядра отлитого в форму автомата защити цепи случая. Он приложен к предохранению от мотора или предохранению от распределения для того чтобы осуществить функции измерения, защиты, контроля и сообщения, так, что оборудование линии и электропитания будет защищено от перегрузки, короткого замыкания и зазмеления.
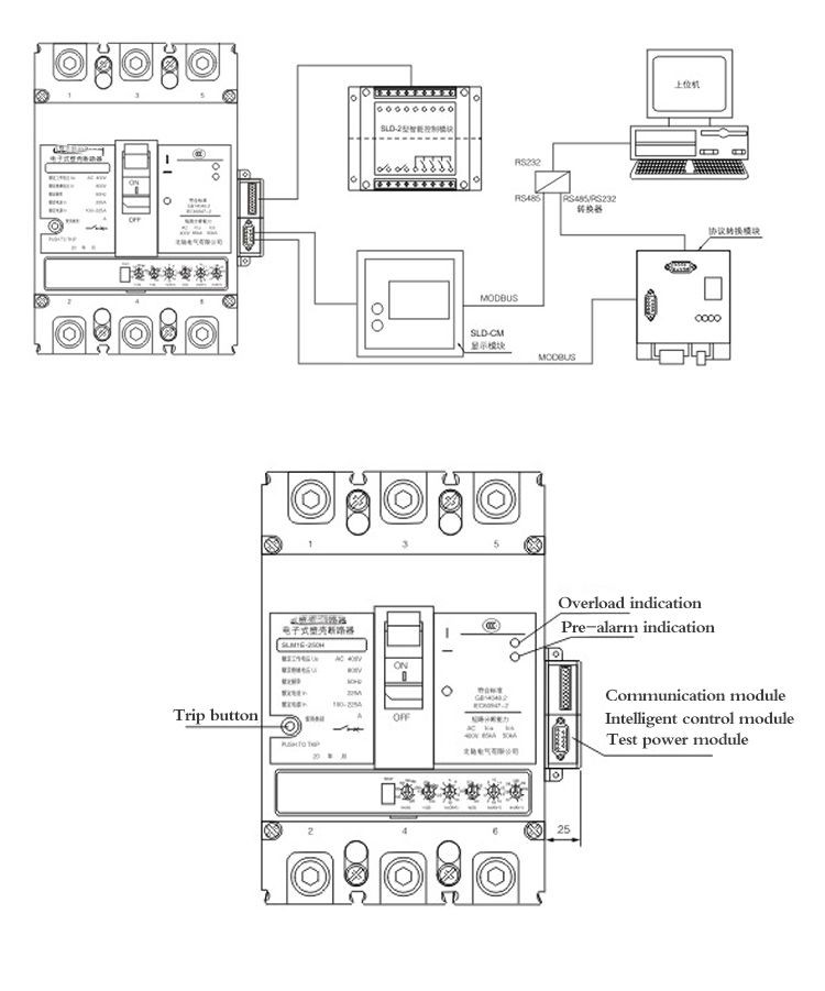
С управлением микропроцессора МКУ, представление стабилизировано и надежно: умный регулятор может поставить силу автоматически, покуда подпитан один участок, когда течение не ниже чем 20% из своей нормированной величины, функция защиты можно гарантировать, что работал нормально.
Выборочная пригонка с предохранением от 3-этапа: используйте автоматы защити цепи категории б и другие приборы предохранения от короткого замыкания подключенные в такой же цепи с выборочной координацией под условиями короткого замыкания: перегрузите регламент длительной задержки обратные, задержку короткого замыкания, переходный процесс короткого замыкания, установку етк. параметров функции защиты
Она имеет 3 набора параметров защиты на время потока действия и действия. 4-10 шагов можно отрегулировать: потребитель может отрегулировать установки согласно требованиям к нагрузки настоящим, или выбрать функцию согласно требованиям к потребителя повернуть соответствуя функцию (подгонянную функцию. Примечание когда заказы потребителя);
Сильнотоковая мгновенная задействуя функция: Когда автомат защити цепи закрыт или во время деятельности, если большой ток, то короткого замыкания (> 20 [нм) столкнуты, магнитный задействуя механизм автомата защити цепи можно задействовать сразу, и двойная охрана более надежна и безопасна;
С функцией теста отключения (теста): характеристики действия автомата защити цепи теста напряжения тока ДК ДК12В входного сигнала;
Функция самодиагностирования недостатка: защитите и проверите работая состояние самого и хода тихое состояние умного регулятора;
Высокая подсказка защиты: перегрузите защиту, точность т 10% времени действия предохранения от коротк-задержки короткого замыкания; подсказка значения действия предохранения от короткого замыкания мгновенная 15% в зависимости от потока действия:
2. Технический параметр
| Тип | ККМ1Э-125 | ККМ1Э-250 | |||||
| Ранг настоящее Инм рамки раковины (а) | 125 | 250 | |||||
| Расклассифицированное течение в (а) |
16,20. 25,32 |
32.36.40.45. 50.55.60.63 |
63.65.70.75 .80. 85.90.95.100 .125 |
100.125.140.160. 180.200.225.250 |
|||
| Расклассифицированное рабочее напряжение тока Уе (в) | АК400В | ||||||
| Расклассифицированное напряжение тока Уи изоляции (в) | АК800В | ||||||
| Расклассифицированное напряжение тока витхстанд импульса Уимп | АК8000В | ||||||
| Количество поляков | 3 | 4 | 3 | 4 | |||
| Расклассифицированный уровень разрывной мощности короткого замыкания предела | М | Х | М | Х | |||
| Расклассифицированная окончательная разрывная мощность Ику короткого замыкания (кА) | 50 | 85 | 50 | 50 | 85 | 50 | |
| Разрывная мощность Икс короткого замыкания оператинг Ратед (кА) | 35 | 50 | 35 | 35 | 50 | 35 | |
| Используйте категорию | А | А | |||||
| Операционная работа (времена) | включения питания | 3000 | 3000 | ||||
| Отсутствие силы | 7000 | 7000 | |||||
| Расстояние лисы летания (мм) | ≤50 | ≤50 | |||||

Наши обслуживания
(1) гарантия (24 месяца гарантия)
1. Гарантия начинает от даты доставки от нашей фабрики;
2. Во время гарантии, любой неполноценный продукт получит отремонтированным или замененным бесплатно;
3. Он за гарантией по мере того как отремонтированные продукты бреакед насилием, халатностью или, измененный без утверждения.
(2) время выполнения
1. Заказы образца будут поставлены от нашей фабрики не позднее 7 рабочих дней.
2. Общие заказы будут поставлены от нашей фабрики не позднее 7-15 рабочих дней.
3. Оптовые заказы будут поставлены от нашей фабрики не позднее 25 рабочих дней самое большее
(3) пересылка
1. ЭМС, ДХЛ, Федерал Экспресс, ТНТ, УПС или другим срочным.
2. нашим транспортно-экспедиционным агентом (самолетом или морским путем).
3. вашим собственным транспортно-экспедиционным агентом.
4. отечественными транспортно-экспедиционными агентами к любому городу в Китае
Примечание:
Серия ККЛМ1 модуль отпуска недонапряжения
Серия ККЛМ1Л модуль сигнала тревоги утечки
Серия ККЛМ1Э модуль связи