Спецификации
Номер модели :
CJ19
Место происхождения :
Китай
Количество минимального заказа :
ТИПСЫ
Термины компенсации :
L / C, T / T, Western Union
Способность поставкы :
100.000 ПК в месяц
Срок поставки :
10-20days
Упаковывая детали :
упаковка экспорта
No модели :
CJ19
Тип электричества :
Переменный ток
Количество полюсов :
3P
Фаза :
участок 3
Главное напряжение тока номинальности цепи :
24В~380В
Течение главным образом цепи классифицируя :
9~95А
стандарт :
ИЭК60947-4
Частота :
50/60HZ
Монтаж :
рельс 35mm DIN
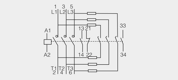
Нет вспомогательных контактов: :
1НК/1НО/1НО+1НК
Напряжение тока катушки :
24в-660в
расклассифицированное напряжение тока: :
220V/240V/380V
Электрическая жизнь :
1000000 времен
Описание
Контактор АК контактора конденсатора перестроения серии 32А 220В НБСе КДЖ19
 
 
Применение:

 

Контактор конденсатора перестроения серии КДЖ19 особенно использован для переключения конденсатора шунта низшего напряжения. И он широко использовал в оборудовании компенсации реактивной мощности в котором АК 50ХЗ, напряжение тока 380В, система инруш настоящая в контакторе может уменьшить удар к конденсатору и понизить оверволтагайн переключения пока ломающ цепь. Кроме того, он может заменить прибор передачи которые составлены одного контактора и 3 настоящих ограничиваясь реакторов, небольшой, освещает, присоединяется к удобному и надежному, емкость хиге поворачивать включено-выключено.
Этот продукт соответствует ГБ14048.4, стандарту ИЭК60947-4-1.

 

Модельное объяснение:

 

 

Нормальный ход и условия Инсталлтион:

 

 

1. Температура окружающего воздуха: -5℃+40℃. средняя величина не должно превысить +35℃ в течение 24 часов
2. Высота: самое большее 2000м.
3. Атмосферические условия: Когда температура на 40℃, относительная влажность атомсфере должна быть
самое большее 50%.Вхэн на относительно низких температурах, она смогла иметь более высокую относительную влажность. Ежемесячная максимальная относительная влажность смогла быть не больше чем измерения 90%.Спесиал должны быть приняты должное к возникновению орошают.
4. Класс загрязнения: Класс 3
5. Категория установки: Ⅲ
6. Условия установки: Степень наклонения между подходящей поверхностью и вертикальной поверхностью не должна превысить ИИ
7. Удар удара: Продукт должен быть установлен и использован в месте где часто встряхивания и удары.

 

 

Структура Феатруэс:

Контактор типа структуры прямого действия точки прерывания двойника, системы контакта имеет 2 слоя, там 3 настоящ-ограничиваясь контакта на первом слое, вместе с настоящ-ограничиваясь сопротивлением, когда он включает, контакт повернет дальше после немного секунд.

КДЖ19-25-43 имеют 2 вспомогательных контакта, КДЖ19-63-95 имеют 3 вспомогательных контакта.
Для КДЖ19-25-43, винты доступны для установки, так же, как рельса шума стандарта 35мм
Для КДЖ19-63-95, 35мм или 75мм рельс шума стандарта можно установить доступны для установки

 

Основной технический параметр:

Модель КДЖ19-25 КДЖ19-32 КДЖ19-43 КДЖ19-63 КДЖ19-80 КДЖ19-95
Расклассифицированное рабочее течение (а) 380В 17 23 29 43 50 63
Контроллабле емкость (кВар) 230В 6,5 8,5 10 20 21 23
400В 12 16,7 20 32 38 42
Расклассифицированное напряжение тока изоляции (в) 690 690 690 690 690 690
Контролируя емкость течения инруш 20Ин 20Ин 20Ин 20Ин 20Ин 20Ин
Электрический файф (104 деятельности) 10 10 10 8 8 8
Характеристика Оператинг Поглощая (85%~110%) США; выпустите (20%~75%) нас
Потребление средней мощности (ВА) 50Хз 20℃ Приемистость 76 110 110 230 230 230
Удержание 9,4 11 11 32 32 32
Контроллабле емкость вспомогательного контакта АК-15 360ВА: ДК-13 33В
Вес блока (кг) 0,44 0,6 0,63 1,33 1,5 1,5

 

 

 

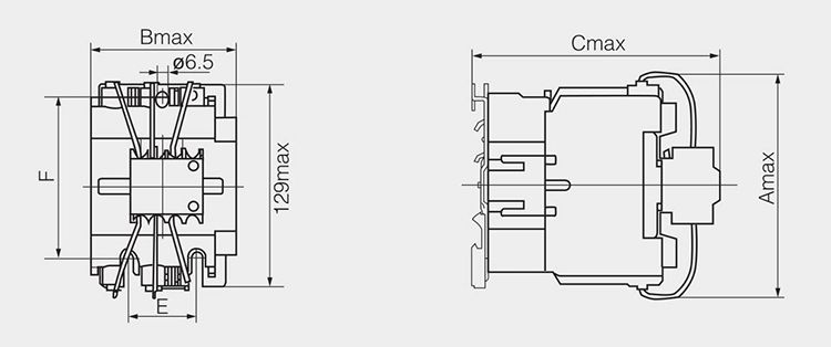
Размеры:

КДЖ19 25-63

Серия контактора КДЖ19 АК контактора 32А конденсатора перестроения электрическая магнитная

КДЖ19 63-95

Серия контактора КДЖ19 АК контактора 32А конденсатора перестроения электрическая магнитная

Серия контактора КДЖ19 АК контактора 32А конденсатора перестроения электрическая магнитная

 

 

 

Пример: КДЖ19-63/21, 95/21

Серия контактора КДЖ19 АК контактора 32А конденсатора перестроения электрическая магнитная

Серия контактора КДЖ19 АК контактора 32А конденсатора перестроения электрическая магнитная

Серия контактора КДЖ19 АК контактора 32А конденсатора перестроения электрическая магнитная

 

 
Отправьте сообщение этому поставщику
Отправляй сейчас

Серия контактора КДЖ19 АК контактора 32А конденсатора перестроения электрическая магнитная

Спросите последнюю цену
Номер модели :
CJ19
Место происхождения :
Китай
Количество минимального заказа :
ТИПСЫ
Термины компенсации :
L / C, T / T, Western Union
Способность поставкы :
100.000 ПК в месяц
Срок поставки :
10-20days
Контактный поставщик
Серия контактора КДЖ19 АК контактора 32А конденсатора перестроения электрическая магнитная
Серия контактора КДЖ19 АК контактора 32А конденсатора перестроения электрическая магнитная
Серия контактора КДЖ19 АК контактора 32А конденсатора перестроения электрическая магнитная
Серия контактора КДЖ19 АК контактора 32А конденсатора перестроения электрическая магнитная

Wenzhou New Blue Sky Electrical Co.,Ltd

Active Member
7 Годы
zhejiang, wenzhou
С тех пор 1993
Вид деятельности :
Manufacturer, Trading Компания
Общее годовое :
1000000-1200000
Количество работников :
100~200
Уровень сертификации :
Active Member
Узнайте о аналогичных продуктах
Смотрите больше
Контактный поставщик
Требование о предоставлении