Дисплей с дистанционным управлением с светодиодным троффером, специально разработанный для датчиков движения PIR
Датчик PIR 12VDC, специально разработанный для функции затуманивания светодиодного троффера
Рабочее напряжение | 10.5-15В постоянного тока |
Рабочий ток | > 30 мА |
Микроволновая частота | 50,8 ГГц±75 МГц |
Мощность в режиме ожидания | ≤ 0,5 Вт |
Рабочий ток | < 15 мА |
Программирование | Дистанционное управление HD05R |
Угол обнаружения | Френелевая линза ≤ 120° Френелевая линза 360° |
Диапазон обнаружения | Радиус < 2 м/6,56 фута |
Высота установки | Максимум 6 м/19.68 футов на потолке |
Область обнаружения | 25%/50%75%/100% |
Время ожидания | 5s/30s/1min/3min/5min/10min/20min/30min |
Порог дневного света | 2Lux/10Lux/30Lux/50Lux/80Lux/120Lux/отключенный |
Период ожидания | 0s/10s/30s/1min/5min/10min/30min/60min/+∞ |
Снижение ожидания | 10%/20%/30%/50% |
Рейтинг ИС | IP20 |
Операционная температура | -35°C~+70°C |
Гарантия | 3 года |
Модель обнаружения

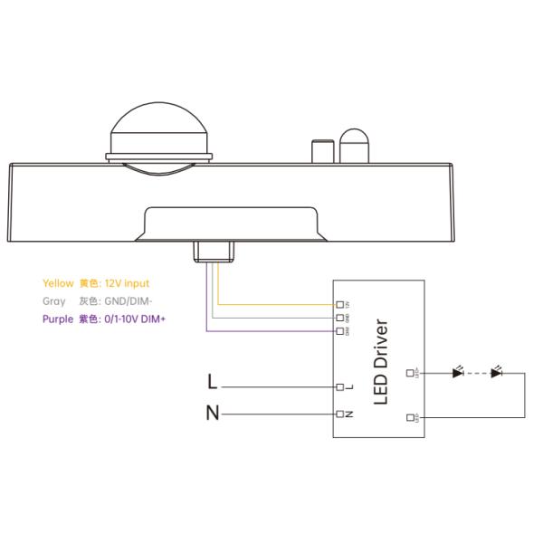
Диаграмма проводки

Производительность
HP05VCR.pdf