G3 / 8" катушка блока питания 18Mpa 12VDC 18W подъема паллета
Основная спецификация
|
Мотор |
DC 12V 1600W 2500RPM |
Масляный насос |
2.1cc/r |
|
Порт масла |
G3/8» |
Размер танка |
20L |
|
Давление системы |
18Mpa |
Устанавливать тип |
Горизонтальный |
Коммерчески термины
|
Количество минимального заказа: |
50pcs |
|
Цена: |
USD120-150/PC |
|
Условия оплаты: |
T/T |
|
Способность поставки: |
500pcs в месяц |
|
Срок поставки: |
25 рабочих дней после того как полученная плата авансом |
|
Упаковывая детали: |
Упакованный в коробках коробки, и после этого деревянных паллетах |
Описание
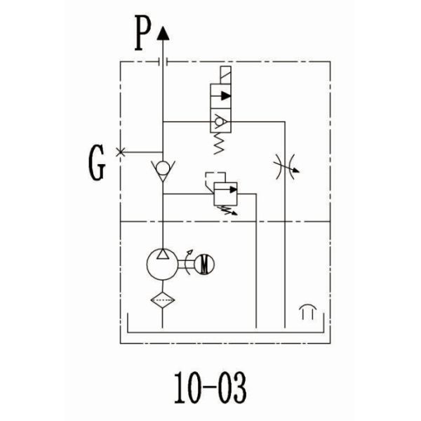
1). Компоненты: Этот блок питания приведен в действие вверх и вниз. Оно компоненты высоким насосом с зубчатой передачей давления, мотором DC, алюминиевым разбивочным коллектором, клапанами и гидравлическим масляным баком.
2). Как работать: Нажим «вверх» кнопка для начала мотора поднять трейлер, и actives клапана отпуска соленоида понижая движение.
3). Применения: Он особенно конструирован и широко использован в применениях тележки паллета.

Мини гидравлические схемы блока питания

Упаковка:
Коробки углерода и после этого деревянные паллеты


Конкурентное преимущество:
1. TIANDI гидравлическое одна из самых предыдущих фабрик гидравлических блоков питания и блоков. Мы имеем профессиональную команду для сырья покупая для того чтобы контролировать цену. Наши работы все вышколенны и эффективны. Все выше эти делает нашу цену очень конкурсной.
2. Наш штат отдела экспорта очень профессионален и эффективен. Они хороши на обработке экспорта, всех проблемах и вопросы о продуктах или обрабатывая, или бумажные вки, вы можете контактировать и рассчитывать на их.