Хорошая качественная дробилка удара
Дробилка удара может задавить большие, средние и небольшие материалы размера (гранит, известняк, бетон, etc.) с максимальным размером питания более менее чем 500mm и предел прочности при сжатии более менее чем 350Mpa.
Оно широко использовано в металлургии, шахте, цементе, химическом машиностроении, огнезащитных материалах, керамике и других промышленных секторах, так же, как в конструкции скоростной дороги, проекте охраны природы воды, задавленном зданием камне, и машин-сделанных полях процесса песка, etc.
В настоящее время, практиками, своя всесторонняя функция главна к конической дробилке и дробилке молотка.
дробилка удара, дробилка утеса гранита, каменная дробилка использовала особенности:

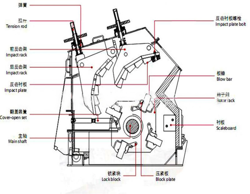
Принцип деятельности
Дробилка удара вид задавливать оборудование что использующ энергию удара для того чтобы задавить материал управляемый мотором. Когда материалы получают в область куда влияния молотка плиты, которых высокоскоростной функцией удара, задавленные материалы брошены к ударному устройству над ротором непрерывно, и после этого они отскочены от вкладыша удара к зоне влияния бара дуновения, который нужно задавливать снова. Материалы задавлены от крупно-размера к небольш-размеру в полости удара повторно. Процесс идет дальше до тех пор пока материалы не задавлены к необходимому размеру и после этого discharged от discharging парашюта.

