Конусность частей механического инструмента Lifter прессформы женщины 1,2343 HASCO круглая блокирует обнаруживающ местонахождение блок
Характер продукции:
| Название продукта: |
Квадратная блокировка |
| Материал продукта: | 1,2343 |
| Номер модели: | H.Z092 |
| Основание прессформы | Hasco |
| Доставка | DHL, UPS, Federal Express, TNT& etc |
Серия блока положения Baito:
Стандарт HASCO: Z07 Z17 Z08 Z06 Z05 Z051 Z060 Z080 Z085
Стандарты MISUMI: TSSB TBSF TBS VTBS TPNF TPNFC TPN TPNV VTPN ZTPN TPNC
Стандарт STRACK: Z50 Z46 Z48 Z56
Стандарт DME: PLM/PLF PLF/PXM MTR/FTR
Стандарт DME-EOC: SSI FW RSI XSI
Другой стандарт: TLP DLM DTBS
Характеристика продукта:
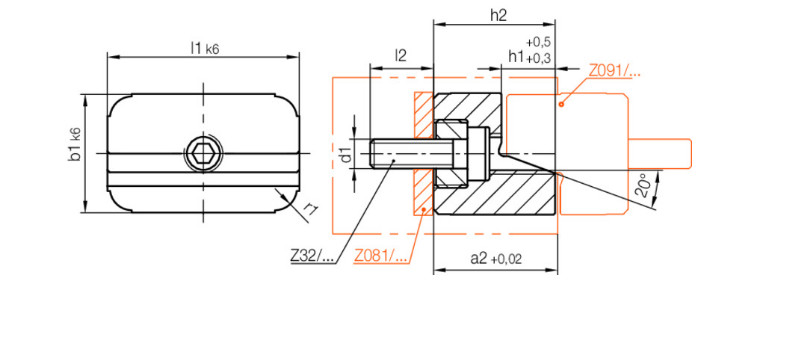
продукту 1.This женская часть и нужно быть использованным вместе с мужской частью H.Z091
располагая блок 2.The использован для обеспечения глубины прессформы или размера продукта, и главным образом использован где размер 3.determined. Располагая блок должен вообще быть установлен на задней части эластичного стриппера верхней прессформы.
прессформа 4.The с располагая установленным блоком может сплющить гнуть часть когда гнуть глубок.
Детали продукта:




Направление компании:
Мы обеспечиваем высококачественное и задушевное обслуживание. Это первое профессиональное развитие китайского изготовителя частей прессформы. Главные материалы импортированы от Японии, достигая высоких подвергая механической обработке допусков точности и ультра-точности 0,002 mm или более менее. Мы обеспечиваем стабилизированное качество, льготные цен, пунктуальную доставку и идеальное обслуживание.
Главный продукт
| Особенные части прессформы (- сохранить деньги и время) Изготовленные на заказ подвергая механической обработке части (- сохранить деньги и время) Вставка метки даты (- годовое производство 1 миллион ПК) Клапан тарелочки воздуха (- ультра-точность) Замок защелки прессформы (- хорошее качество) Блоки скольжения прессформы (горячая продажа всемирная) Плита носки и ведущие брусья (- быстрый срок поставки) Блоки ядра скольжения (горячая продажа всемирная) Прессформа блокирует (- популярные продукты) Поскакенное ядр (- популярные продукты) Lifter прессформы (- ультра-точность) Выталкивающая шпилька и рукав (дешевая цена) Втулка Sprue и кольцо размещать (запас) Весна прессформы (запас) Штырь стопа прессформы (запас) Соединение прессформы (запас) Гидравлический цилиндр (высококачественная прессформа) Складное ядр (- минимальный диаметр который мы можем произвести 6mm) |
Прессформа точности Dongguan Baitong изготовляя CO., Ltd. была основана в городке Huangjiang, городе Dongguan в 1998. Она профессиональное, научные исследования и разработки, продукция и компания продаж которая поставляет части прессформы, части прессформы особенные, автоматические приспособления, части механического инструмента, etc. после 20 лет развития, всех коллег работы точности Baitong совместно и остается истинной к первоначальной устремленности, устанавливает индустриальные стандарты, и построить универсальную платформу поставки для глобальных частей прессформы. Через быстрое развитие мира и прессформ Китая, основанное на новаторском и прагматическом общем соображении дела, в духе целостности, ответственности, уважения, восторга, и боя, точность Baitong совершена к идти выдающим поставщиком прессформы. Принимать долгосрочные потребности клиентов как стратегическое развитие компании, с клиентами как управляемый центр нововведения, высокий, быстрый, лучший для создания значения для клиентов, создает богатство для работников, и вносит вклад в общество.
Свидетельство о качестве товара ISO 9001:

Номенклатуры товаров

