Точная ручная платформа смещения подъема, лаборатория Джек PT-SD404 оси z ручная
Платформа руководства точности поднимаясь: PT-SD404
Поднимаясь платформа обеспечивает стабилизированную установку высоты и имеет высокую пропускную способность. Своя деятельность простое, надежное представление, использована для того чтобы поддержать различные оптически элементы и поддержать свои стабилизированные компоненты высоты оптически оси.
Платформа PT-SD404 руководства точности поднимаясь платформа смещения высокой точности ручная запущенная PDV. Этот продукт ИСПОЛЬЗУЕТ высокопрочный алюминиевый сплав, основную черную обработку поверхностного окисления, используя перекрестную структуру ведущего бруса ролика, смещение дифференциальной передачи, высокой точности, небольших, ровных, высоких твердых конечных характеристик линейного движения, получает широкое применение в машинах OA и вокруг, все виды тестера, машины точности платы с печатным монтажом, как выстукивая машина.
Характеристики продукта:
■Структуру клина, минимальная регулировка можно удвоить.
■Высококачественный перекрестный ведущий брус ролика, высокая точность, большая величина наибольшей допускаемой нагрузки на опору.
■Чтение привода с ведущим шкивом в голове микрометра, интуитивный и удобный.
■Основание и таблица стандартное отверстие соединения дистанционирования отверстия, удобное для того чтобы соединиться с другой таблицей смещения, формируя многомерную мобильную таблицу.
Технические характеристики изделия:
| Номер деталя | PT-SD404 |
| Ряд перемещения | 5mm |
| Платформа | 50mm x 64mm |
| Тип привода | Голова микрометра |
| Проводник перемещения | Пересеченный подшипник ролика |
| Минимальный отсчет | 5μm |
| Минимум регулирует расстояние | 1.5μm |
| Параллелизм | 100μm |
| Прямота | 5μm |
| Управлять параллелизмом | 20μm |
| Материал – финиш | Алюминиевый Черно-анодированный сплав - |
| Емкость нагрузки | 10Kgs |
| Вес | 0.72kgs |
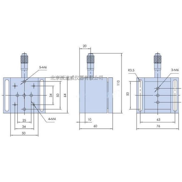
Карта размера продукта:
