Подъемный стол точности ручной, таблица скольжения подъема, ручная лаборатория Джек PT - SD410
Подъемный стол точности ручной: PT-SD410
Ручная поднимаясь платформа PT-SD410, главный материал продукта сделана из высокопрочного трудного алюминия, поверхность очернена анодным окислением. Она принимает scissive поднимаясь структуру, управляемую винтом точности меля, с само-запирая функцией, стабилизированной структурой, удобные регулировка, соответствующая для ручных случаев регулировки с большим ходом и грубым располагать.
Характеристики продукта:
※ Оно использовано для поднимаясь регулировки большого хода, не количественной и большой нагрузки.
※ Механизм ножниц поднимаясь принято, двойной роторный привод винта руководства точно отполирован, и двойные пропуски вала ведущего бруса через располагая механизм для обеспечения стабилизированного и удобного движения, высокой точности и большой величины наибольшей допускаемой нагрузки на опору.
※ Таблица широко и таблица конструирована со множественными отверстиями, которая имеет сильную применимость и может быть использована как устанавливая поверхность.
※ Оборудованное с запирать маховичок, безопасный и надежный.
※ Основание и таблица имеет соединяясь отверстия со стандартным дистанционированием отверстия, которое удобно для комбинации с другими продуктами серии.
Технические характеристики изделия:
|
Модель |
PT-SD410 |
|
Размер платформы |
165mm×280mm |
|
Управлять режимом |
Привод винта руководства тонкого помола |
|
Поднимаясь ход |
135mm |
|
Минимальная регулировка |
5μ |
|
подшипник нагрузки |
25kg |
|
Мертвый груз |
4.2kg |
|
Наука о новых материалах |
Дуралумин |
|
Поверхностное покрытие |
Анодируя чернить |
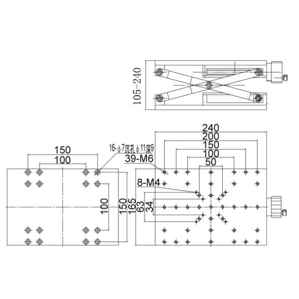
Карта размера продукта:
