Ручной неубедительный этап вращения настраивая роторный этап 360° скольжения вращает
Ручной роторный этап PT-R160
Характер продукции
Вращая платформа составлена 3 частей: направляя механизм, питаясь механизм и запирая механизм, который удобен для точные располагать и регулировки. Его можно использовать для проверки, собирающ, обработка или свои приспособление, etc. механизм проводника этого продукта двойной носящ проводника завальцовки, механизма питания дифференциальная голова, запирая механизм зафиксированы на стороне двигая винта.
Таблицы высокой эффективности роторные совместимы с нашим широким диапазоном линейных таблиц смещения и платформ наклона & тангажа. Их можно совместить для того чтобы обеспечить мульти-осевое движение и могут легко быть приспособлены к потребностям определенной системы.
Характеристики продукта
Управление рулем кольца вала высокой точности, скачка конца и другие основные индикаторы достигают международный уровень;
Микро- привод карты, высокая чувствительность;
Ультратонкая структура, компактный и восхитительный;
Смогите быть использовано с другой серией размера группы продукции;
Ручной роторный этап PT-R160 составлен кольца вала высокой точности, микро- карты, etc. он имеет хорошие характеристики движения вращая, и ключевые индексы как скачка конца и скачка диаметра могут достигнуть международный уровень подобных продуктов. Продукт соответствующий для ручной регулировки угла имеет высокие требования в поле.
Техническая характеристика изделия
|
Номер модели |
PT-R160 |
|
Диаметр мезы |
160mm |
|
Толщина таблицы |
30mm |
|
Дифференциальная главная точность |
0,01 |
|
Минимально необходимое движение |
0.05° |
|
Емкость нагрузки |
78.4N (8.0kgf) |
|
Фиксированный режим |
Запирать ручку |
|
Материальная поверхность |
Алюминий (Черно-анодированный сплав) |
|
Количество движения |
Грубый: Штраф 360°: ±5° |
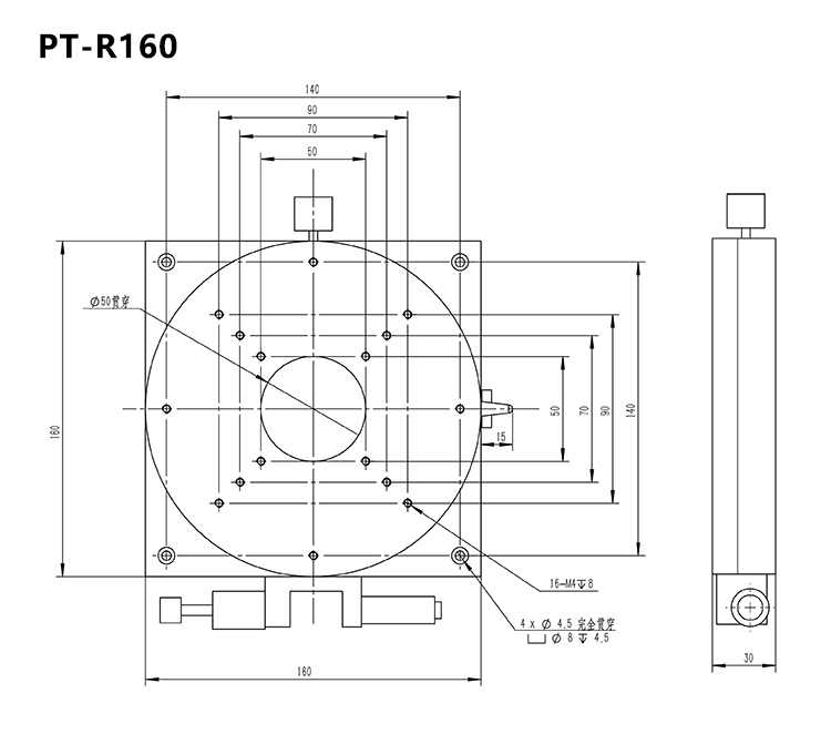
Чертеж размера продукта
