Ручная регулировка этап платформы вращения 360 градусов совмещенный угломером мобильный
Эта совмещенная таблица смещения составлена 2 ручных этапов PT-SD308 угломера и одного ручного роторного этапа PT-SD203.
Техническая характеристика изделия:
Этап руководства точности роторный: PT-SD203
характеристика:
■таблица может быть отрегулирована вращением 360 °.
■гравировка 360 ° на таблице для легкого чтения.
■дизайн точности shafting, регулируемый shafting зазор и хорошая стабильность.
■привод шестерни червя финиша подвергая механической обработке и червя, с большим коэффициентом уменьшения, высокой точностью и большой величиной наибольшей допускаемой нагрузки на опору.
■пустые возвращенные структура, шестерня червя и червь полно зацепили, уменьшающ пустое возвращение движения таблицы.
■там соединяют отверстия со стандартным дистанционированием отверстия на верхних и нижних частях, которые удобны для того чтобы соединиться с другими таблицами смещения для того чтобы сформировать многомерную мобильную таблицу.
Этап угломера точности ручной: PT-SD308
Характеристики продукта:
■Продукт обеспечивает малоугольную регулировку вращения.
■Используйте ведущий брус проводника rail+ball земли точности клиновидный.
■Привод пар шестерни червя, удобный в движении, точный и надежный.
■Столешница бежит ровно с меньшими отклонением и наклонением.
■Оно конструировано в парах. После суперпозиции, центр вращения такой же пункт, и ортогональное двухосное концентрическое вращение можно отрегулировать.
■Колесо руки, который заперли, безопасные и надежные.
■Столешница горизонтально помещена со стандартными отверстиями соединения, которые могут сформировать многомерную рамку регулировки с другой серией продуктов.
Параметры продукта:
| Номер модели | PT-SD203 | Номер модели | PT-SD308 |
| Диаметр таблицы | φ100mm | Размер платформы | 65mm×65mm |
| Управляя механизм | Шестерня червя | Ряд вращения | ±15° |
| Ряд регулировки | 360° | Высота центра вращения | 50 mm |
| Минимальный писец | 2° | Отступление центра вращения | φ0.05 mm |
| Минимальное чтение | 12 ′ | Приводной механизм | Шестерня червя |
| Минимальная регулировка | 36 ″ | Форма ведущего бруса | V-проводник + шарик |
| Емкость нагрузки | 15kg | Положение привода | Центральный привод |
| Runout конечной грани | 30μ | Минимальный масштаб | 1° |
| Ексцентриситет | 15μ | Минимальное чтение | 6 ′ |
| Параллелизм таблицы | 30μ | Минимальная регулировка | подразделение 3 ″/10 |
| Вес | 0.8kg | Отклонение | 80 ″ |
| Материал | Алюминиевый сплав | Наклон | 60 ″ |
| Подготовка поверхности | Черно-анодированный | Емкость нагрузки | 10kg |
| Вес | 0.8kg | ||
| Материал | Алюминиевый сплав | ||
| Подготовка поверхности | Черно-анодированный |
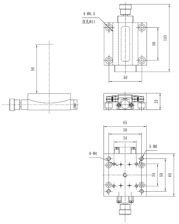
Чертеж размера:
PT-SD203

PT-SD308

Ручная таблица смещения имеет следующие характеристики
1. Легкое собрание. Собрание ручной таблицы смещения особенно удобно, и этот вид товара также вид частей и компоненты товара, простого собрания и его очень метода состава также связаны в определенной степени, свой метод состава очень легок, поэтому собирая как раз вспомните немного простых шагов метода могут быть.
2. Хорошая эффективность работы. В некоторой работе под состоянием высокой нагрузки, также смогите быть послужено как совершенно, теперь некоторое из сырья всей относительной плотности высоко, и состояние сопротивления носки также довольно хорошее, ручное применение естественного смещения также новое сырье, работая влияние применения этих материалов сделать его вверх не только класс настолько просто.
3. Коррозионная устойчивость. Ручная способность сопротивления кислоты и алкалиа таблицы смещения особенно сильна, это преимущество и свое применение сырья большее отношение, и в много аспектов можно увидеть своей супер работу способности, эти преимущества все в работе она показывает главные преимущества, особенное практически.