Особенности:
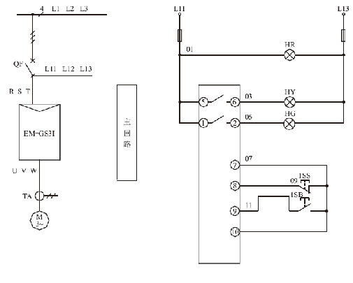
Обеспечьте мягкую функцию протектора стартера и мотора, оборудованную онлайн функцию защиты, дизайн выхода 3 входной сигнал и 3.
Уменьшите мотор начиная течение, и уменьшите инвестируя цену возможности раздатчика силы.
Уменьшите машину начиная стресс для того чтобы продлить продолжительность жизни обслуживания деятельности машины.
Никакой запрос вторичная проводка, не устанавливает множественную функцию защиты, функцию надежности и длинная продолжительность эксплуатации доступна.
Дисплей LCD китайский и английский для легкий работать, испытывающ и поддерживать.
Совместимость с видами режима связи.
Полностью цифровая система управления с видами начиная режим
Приложите микро- блок управления, расплывчатый контроль и большую настоящую технологию 0 пунктов отдельную.
Сильная приспособляемостьь нагрузки и сильная возможность EMC, высокая идущая надежность
Легкие деятельность и поддержание.
Не используя контактор Ac для увеличения надежности.
Признавайте широко входной сигнал напряжения тока, допуск ±15%.


