Weigher не-весны высокой точности стандартный для весить еду более эффектно
Weigher не-весны высокой точности деятельность стандартного стабилизированная, главное стоить представление, 10 лет продавая модель.
дизайн Ржавчин-защитных, пылезащитных и не-весны хоппера, больше защитить продовольственную безопасность. легкий для использования. Смогите встретить 1 различный том выбора тома хоппера
Особенности
1. Линейную амплитуду можно отрегулировать независимо;
2. Никакая функция перерыва продуктов автоматическая не может улучшить весить стабильность и точность;
3. Много языков доступных для мировых рынков;
4. емкость 100 программ может соотвествовать различные веся и дружественное меню помощи вносит вклад в легкую деятельность;
5. Примите высокую точность и высокое точное loadcell известного бренда, разрешения улучшенная десятичная дробь до 2;
6. функция спасения программы может уменьшить отказы деятельности и тарировку веса мульти-этапа поддержки.
Механический характер
хоппер 1.No-spring с патентом, экономический и практически, рентабельным;
хоппер не-весны 2.Use для обеспечения продовольственной безопасности более эффективного;
проектно-конструкторские стандарты процесса принятия 3.Mold и формы вносят вклад в лучшую взаимозаменяемость для запасных частей;
4. Весить тип для материального обнаружения доступен, которое может сделать точный контроль толщины времени кормления & материала и обеспечить весить точность;
5. Алюминиевое сгущенное среднее положение увеличивает прочность машины, делая время для стабилизируя хопперов очень короткий.
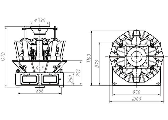
Технические данные
| Модель | JW-A10 | JW-A14 |
| Определите код | A10-1-3 | A14-1-3 |
| Весить ряд | 10-1000g | 10-1500g |
| Точность | X (0,5) | X (0,5) |
| Максимальная скорость | 60P/M | 100P/M |
| Том хоппера | 1.6L | |
| Пульт управления | 7" экран касания | |
| Варианты | Плита димпла/хоппер времени/принтер/прибор брака | |
| Вынуждающая система | Мотор шага | |
| Требование к электической мощности | 220V/1000W/ 50/60Hz /10A | 220V/1500W/ 50/60Hz /12A |
| Пакуя размер (mm) | 1620 (L) X1100 (W) X1110 (H) | 1700 (L) X1110 (W) X1265 (H) |
| Вес брутто | 380kg | 490kg |
Применение
Соответствующее для весить конфету, семена, студень, корм для домашних животных, тучную еду, фисташку, арахис, гайки, изюминки, высушенные плоды, легкие закускы, etc. (подсказки: Не оденьте для небольших зерна и продукта с силой удара)

Принятие известных японских и немецких ячеек загрузки бренда. Ключевые компоненты как хопперы, линейные лотки, водоустойчивая крышка сделаны высокоточными прессформами, которая вносит вклад в высокие последовательность и взаимозаменяемость. Дизайн монтажной платы принимает схему дизайна промышленн-степени, материал промышленн-степени, и технологию изготовления от выбора обломока к дизайну PCB и защите. Стандартные экраны касания используют экран LCD час-жизни 50 000, которая принимает стандарт невосприимчивости более высокий чем промышленная среда EC общая стандартная, и достигают высокопоставленного дизайна 4kV.
Имеющ высококачественную команду с техниками больше чем 30% профессиональными, которая обеспечивает нашу всестороннюю емкость от НИОКР, производство, маркетинг, установка, техническая подготовка к послепродажному обслуживанию для полной автоматической веся системы упаковки.
