Параллельный манипулятор
Параллельный манипулятор способен на достигать быстрой сортируя возможности. Опционная визуальная прикладная система делает располагающ больше точным и более легким для того чтобы схватить. Она может осуществить автоматический сортировать, автоматический palletizing, и автоматический сортировать умных функций деятельности. Параллельный манипулятор соответствующий для различных типов транспортировать материалы в еде, медицине, condiment, пластмассе, ремесленничестве, электронике, и других индустриях.
Особенности
1. Может быть состыкованным первоначальным weigher проверки, металлоискателем, детектором рентгеновского снимка, и другими упаковывая оборудованием применения автоматизации производственной линии, сильной многосторонностью, широким рядом применения, высокой точностью, и сильной стабильностью.
2. Оно может осуществить быструю сортируя способность и опционную визуальную прикладную систему, которая делает располагать точное и легкий для того чтобы схватить. Он может осуществить автоматический сортировать, автоматический palletizing, и деятельность автоматический сортировать умная.
интерфейс человеческ-машины экрана 3.Touch, отладка формы мульти-координаты, управление jog, установки параметра, режим преподавательства поддержки etc., совершенно линейные, дуга, и движение траектории космоса.
4. Преподавательство и отладка с уча прибором, легким для того чтобы выучить программирующ, богатый набор инструкций, могут соотвествовать широкий диапазон прикладных требований, потребители могут унести вторичное развитие.
встречи мульти-станции 5.Support.
функция предохранения от автоматического выключения 6.Overload.

Механический характер
1. Независимое основное основание с распыляя, простое и красивое возникновением, легким для установки и для поддержания.
2. Вращая главная рука сделана волокна углерода, которое лихтер в структуре и стабилизированные в представлении.
3. Структура рычага 4 осей, которая может осуществить материал хватая и вращая в определенном направлении.
4. Используйте систему servocontrol для обеспечения точности применения работы.
5. материал согласно среде прикладной программы, сталь рамки опционного тела наружный нержавеющей стали/углерода опционный.
6.Optional визуальное или телескопичное и полная линейка соединили применения, поддержку для подгонянных применений в разделе транспортера, гибкой конфигурации.

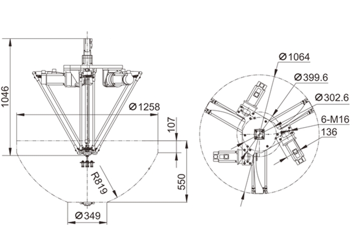
Технические данные
| Модель | JW-D1100 |
| Определите код | D1100-1-1 |
| Тип структуры | ПЕРЕПАД (параллель 4-оси) |
| Точность повторения | ±0.1mm |
| Работая ряд | φ1100mm |
| Максимальная скорость | 150P/M |
| Максимальная нагрузка | 3000g |
| Требование к электической мощности | 220V/4000W/ 50/60Hz |
| Размер машины | 12000 (l) *1100 (w) *610 (h) mm |
| Вес машины чистый | 110 Kg |
Применение
Применимый к еде, медицине, специям, пластмассам, ремесленничествам, электронике, и различным типам материалов сортируя и транспортируя других индустрий.

Отечественное и международное обслуживание
Гарантия лет A.2: Все наши клиенты которые покупают машины Kenwei насладятся двухклассной гарантией. Только высококачественный смогите обеспечить стабилизированную деятельность weigher комбинации с весьма - низкой интенсивностью отказов. От недавней статистики, интенсивность отказов машин Kenwei чем 0,5% within1year, и интенсивность отказов не позднее 2 лет чем 1%.
B. Организация: Отдел обслуживания Kenwei будет включать контрольную группу, группу планирования, от двери к двери группы обслуживания, etc, главным образом для того чтобы обеспечить комиссию для специфических материалов и сделать индикаторы закономерности комиссии так, что для того чтобы узнать соответствующий материал для машины; Также, они ответственны за тренировку клиента и онлайн работая навыки, включая руководство установки и руководство по уходу и обслуживанию обеспечили. Выше клиент признавал инициативы.
Эффективность C.High: Kenwei имеет высокую эффективную команду обслуживания. Когда клиенты сталкиваются проблемы, 98,5% из проблем получают ответ внутри в тот же день, и запасная часть отправлена в течение 3 дней если нужно.
D.Record: Каждая машина Kenwei имеет код продукта и номер компонентов, который имеет соответствуя конфигурацию, фото, и больше машины детализировала показатели так, что мы сможем помочь клиентам разрешить проблемы быстро когда проблема придет. Также, технический отдел делает модульное проектирование для блока который делает компонентную замену более простой и меньше тревог.
вопросы и ответы
Q1: Как знать что машина упаковки соответствующая для нас?
Вы можете сперва сказать представителей дела которые оборудование вы хочет знать, какой материал продукт, сколько граммов, который нужно весить, и ряд требований к точности и скорости. Наши инженеры после этого рекомендуют соответствующие машины упаковки основанные на этих данных и характеристиках продукта.
Q2: Как привестись в действие его?
Много языков доступны для мировых рынков. Не только детальные инструкции но также подвергают видео механической обработке для учить ссылки.
Q3: Почему мы должны выбрать вашу компанию?
Мы имеем много лет промышленного производства и опыт управления, профессиональное НИОКР, продажи, после-продажи объединяется в команду. Он может совершенно разрешить все проблемы которые клиенты сталкиваются от приобретения к продаже.
Q4: Как объединить с вами?
Вам только нужно контактировать наш представителя дела, и они будут терпеливы для того чтобы направить вас через весь процесс.
Q5: Что ваш путь оплаты?
T/T нашим банковским счетом сразу.
Q6: Как о доставке и послепродажном обслуживании?
Все наши машины сделанный на заказ потому что различные клиенты имеют различные требования, доставка будут в течение 20 дней для небольшого с несколькими головками weigher, для широкомасштабной машины, оно принимают более длиной. Гарантия: 2years (электрические аксессуары) и свободное обслуживание продолжительности жизни.
Если вы получили любую проблему при использовании машины и видео не могут помочь, то наш техник будет иметь видео беседуя с вами для того чтобы зафиксировать вашу проблему