Машина Weigher одиночной головы жидкая линейная для весить мозоль насыпного веса
Weigher одиночной головы жидкий линейный специально конструирован для весить тяжеловесные материалы, соответствующий для мозоли, соь, риса, риса, арахисов, и других еды и пищевых промышленностей. Деятельность масштаба зерна проста. Оператору только нужно установить сумку и касаться переключатель перемещения сумки зажимая, и действия кормить, заполнять и разгружать сумку совсем автоматически выполнены количественный весить, который полуавтоматный веся прибор.
Особенности
1. Соответствующее для весить материал в насыпном объеме с быстрым ходом и высокой точностью.
2. Дружественное HMI может быть быстро и легко для того чтобы принять и сохранить выбранный заранее утяжеляющ параметры для различных веся рядов.
3. Легкий работать. Оператор может проще говоря на сумке и касание переключить после этого кормить, заполнять, и разгружать сумки можно выполнить автоматически законченным.
4. Регулятор и модуль ОБЪЯВЛЕНИЯ в режиме связи автобуса КОНСЕРВНОЙ БАНКИ, независимом веся процессе унесенном доской модуля ОБЪЯВЛЕНИЯ, уменьшая время связи регулятора, делают веся процесс обратной связи результата более быстро.
5. Порты выввода используют дизайн режима вольной гавани, имеющ функцию критерия сигнала, легкую для того чтобы знать об отказе оборудования.
6. Детальные функции статистики показателей продукции.

Механический характер
1. Система использует высокоточную ячейку загрузки. Модуль конвертера ОБЪЯВЛЕНИЯ с равочей частотой 400 times/s, которая высокая точность и хорошая стабильность.
2. Питаясь уровень 3 и особенные алгоритмы управления делают веся скорость более быстро и более высокую точность.
3. Автоматическая структура entrainment, удобные искусственные сумки починки, оно безопасный и более эффективный.
4. Материальные части контакта сделаны из нержавеющей стали ед-класса, здоровый, экологически, и легкий для того чтобы помыть и поддержать.

Технические данные
| Модель | JW-AX1 |
| Определите код | XL1-2-1 |
| Весить ряд | 5-50Kg |
| Точность | X (1) |
| Максимальная скорость | 7-11P/M |
| Том хоппера | 50L |
| Параметры отжимают нет. | 100 |
| Максимальные продукты смешали | 1 |
| Пульт управления | 7" экран касания |
| Варианты | Уплотнитель /bag конвейерной ленты |
| Требование к электической мощности | 220V/80W/50/60HZ/0.4A |
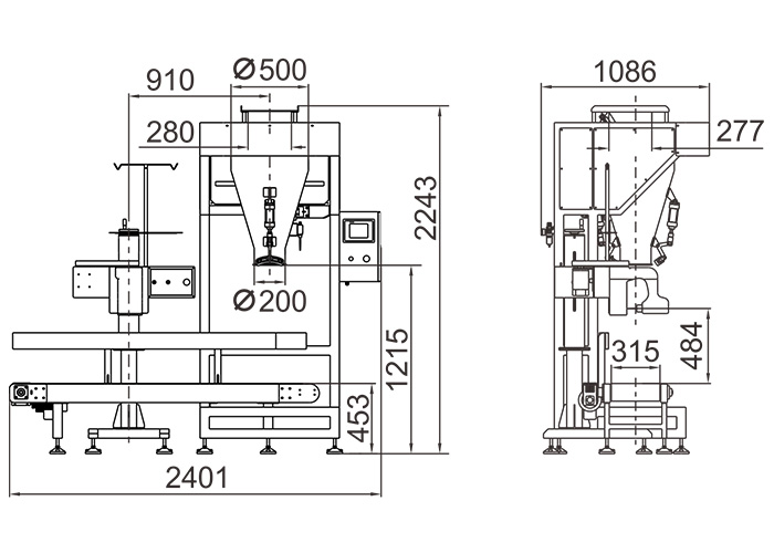
| Пакуя размер (mm) | 1250 (l) x1150 (w) x2280 (h) |
| Вес брутто | 150kg |
Применение
Соответствующее для весить мозоль, сои, рис, ячмень, пшеницу, гречиху, арахисы, фасоли, и другие небольшие зерна в пищевой промышленности, легкой промышленности, химической промышленности в насыпном весе.

Имеющ лабораторию высококачественного и НИОКР в индустрии, наш качественный отдел покрывает 16 пунктов осмотра как входящие материалы проверяя, направляющ осмотр, QE, контроль продукции пре-вызревания, и осмотра пост-вызревания, заканчивать, и полную систему управления качеством с ограниченным контролем верхних и более низких процессов. Наши продукты прошли тест симуляции окружающей среды, частоту, водоустойчивый тест, тест брызг соли, амплитуду, и эластичный тест сжатие-деформации, функциональный тест симуляции, тест часов 7*24 непрерывный старея, и так далее. Компоненты ядра как монтажные платы и экраны касания все проведены для нон-стоп старея теста на больше чем 72 часа на окружающей среде 50℃ потому что мы посвящаем к изготовляя продуктам мастерства с высококачественным. Интенсивность отказов наших продуктов чем 0,5% не позднее 1 год и меньше чем 1% не позднее 2 лет.
Kenwei независимо исследовало и развило и стандартные и высокие вибромашины амплитуды. Время вибрации и амплитуду вибрации каждой вибромашины можно автоматически отрегулировать для того чтобы оптимизировать материальную подачу. Шасси с несколькими головками weigher центральное сделано из плиты толщины 2.5mm нержавеющей и усилено структурно с внутренней усиливать нервюрой. Модуль преобразования ОБЪЯВЛЕНИЯ совмещает техническое изменение с противоинтерференционной технологией эффектно для того чтобы уменьшить различное взаимодействие вибрации и обеспечить точность всей машины.
13 лет опыта в изготовлении на заказ продукта и практически применении индустрии. Команда особенной программы техническая с быстрым ответом. Портняжничанные продукты и решения с высокими пертинентностью и применимостью поставлены после всесторонних планирования и оценки основанных на ситуации и использовании фактического производства клиента.