Блок ссылки разрешения AWS RC для проверки возможностей разрешения датчика диагональной распорки
Спецификации:
Блоки тарировки важный дополнительный материал в ультразвуковом испытании, используемом для того чтобы откалибрировать чувствительность ультразвукового детектора рванины и ультразвукового зонда. Наш испытывая блок аттестован властью depeartment государства. Наши продукты включают: блоки отечественных стандартов UT, европейский стандартный блок UT, блок NDT, шестиугольный испытывая блок, и так далее. Обработка особенного блока спецификаций UT
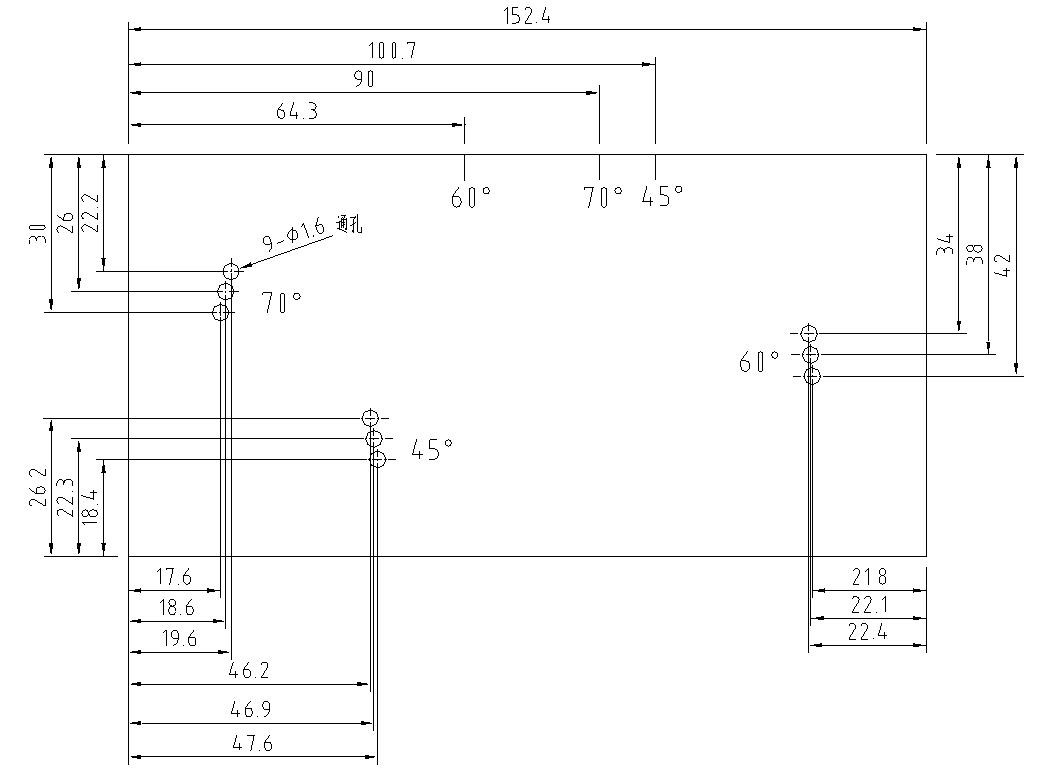
Оно также вызвало блок RC, блок ссылки разрешения AWS использовано для проверки возможностей разрешения датчиков диагональной распорки. Содержит 3 набора через-отверстий диаметра 1.6mm для 45°, 60° и 70°. В соответствии со спецификацией D2.0 сваривая шоссе AWS и железнодорожных мостов, и структурного сваривая кодом ANSI/AWS D1.1.
Размеры: 6,000" x 3,000" x 1,000" (152,4 mm x 76,2 mm x 25,4 mm)
Чистый вес: вес брутто 2.35kg: приблизительный материал веса 3.3kg (сталь углерода)
AWS не определяет отдельную метрическую версию блока разрешения AWS. Метрический блок в AWS показывает только метрические эквиваленты к типовой конструкции. Поэтому, этот один блок можно использовать как для дюйма, так и для метрических требований.
