Ультразвуковая тарировка детектора рванины преграждает блоки теста IIW-V1
Блок тарировки IIW V1
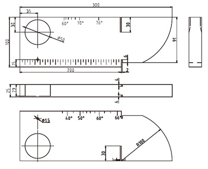
Стандарт: ISO2400-1972E
Блок теста IIW (блок теста V-1) также вызван блоком теста Голландск. Блок теста международного стандарта одобренный международным сваривая институтом (IIW) и порекомендованный International Organization for Standardization (ISO). Форма и размер показаны в диаграмме 1-1:
Сути проблемы пользы:
(1) динамический диапазон, горизонтальные линеарности и ряд обнаружения продольной волны детектора рванины могут быть измерены путем использование толщины блока теста 25mm;
(2) 50 дуга и 1,5 через отверстие была использована для того чтобы определить допустимый предел чувствительности косого угла рефракции зонда и зонда продольной волны прямого. Также возможно грубо оценить размер слепой зоны прямого зонда и способности проникания измеряя аппаратуры совмещенной с зондом.
(3) пункт падения и слепая зона склонного зонда измерены путем использование поверхности дуги R100mm, и пропорцию оси времени и нул пунктов можно исправиться;
(4) продольное разрешение прямого зонда можно измерить с самолетом зазубрины 85mm, 91mm и 100mm;
(5) использует прямоугольный край блока теста для того чтобы измерить ядровый луч уклоняет угол склонного зонда.


