Подшипники ролика кривой KRE30 без внутренних типов KR/KP… PP модели кольца
Особенности:
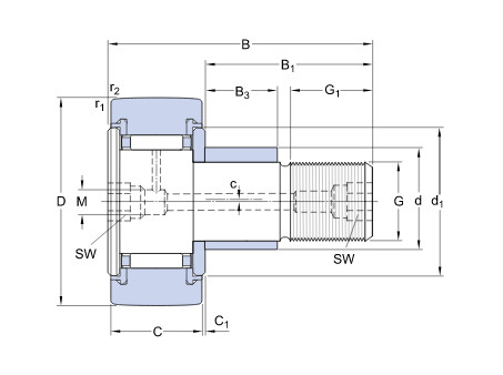
Чертеж:

1.are основало на подшипниках ролика иглы
2.it состоит из толстостенного наружного кольца со сферически профилем внешней поверхности, твердого стержня ролика с потоком для фиксировать, шайб тяги и собрания ролика и клетки иглы так же, как уплотнения 3-этапа с обеих сторон подшипника обеспеченного осевыми простыми шайбами сделанными пластмассы
3.it поддерживает высокое радиальное и аксиальные нагрузки от небольших рассогласований и уклоненного хода
4.suitable для быстрых ходов
5.mounting с эксцентриковой обоймой, тип ролик стержня следа можно таким образом подрегулировать и позволяет более большим изготовляя допускам смежной конструкции
осевое наведение 6.with
осевое наведение 7.the унесено путем свертывать элементы и нервюры
8.seal: уплотнение 3-этапа состоя из осевых простых шайб сделанных из резины на обеих сторонах (PP)
9. в дополнение к этой статье, мы можем также предложить подшипники СИГАРЕТЫ брендов, KOYO, NSK, SKF, SNR, etc. по запросу.
| Размеры mm установки | Носить тип | ||||||||||
| Ролик дуги свертывает иглу | Цилиндрический ролик свертывает иглу | Ролик иглы | |||||||||
| D | d | C | B | G | B1 | KR | KRV | KR… X | KRV… X | NUKR | NUKR… X | 
| 30 | 12 | 14 | 40 | 12×1.5 | 15,2 | KR30 | KRV30 | KR30X | KRV30X | NUKR30 | NUKR30X | 
| 12 | 14 | 90 | 12×1.5 | 15,2 | KR30L | KRV30L | KR30XL | KRV30XL | |||
| 12 | 14 | 60 | 12×1.5 | 15,2 | KRV30XL1 | ||||||
| 12 | 14 | 55 | 12×1.5 | 15,2 | KRV30XL2 | ||||||
| 32 | 12 | 21,2 | 47 | 12×1.5 | 22 | KRV32V | |||||
| 12 | 21,2 | 47 | 12×1.5 | 22 | KRV32XL | ||||||
| 12 | 14 | 40 | 12×1.5 | 15,2 | KR32 | KRV32 | KR32X | KRV32X | NUKR32 | NUKR32X | |
| 14 | 17 | 48 | 14×1.5 | 18 | KR3214 | KRV3214 | KR3214X | KRV3214X | |||
| 35 | 16 | 18 | 52 | 16×1.5 | 19,5 | KR35 | KRV35 | KR35X | KRV35X | NUKR35 | NUKR35X | 
| 16 | 18 | 55 | 16×1.5 | 19,6 | KRV35XL | ||||||
| 37 | 16 | 20 | 56 | 16×1.5 | 21 | KR3716 | KRV3716 | KR3716X | KRV3716X | ||
| 38 | 16 | 22 | 62 | 16×1.5 | 23 | KRV3816X | |||||
| 40 | 18 | 20 | 58 | 18×1.5 | 21,5 | KR40 | KRV40 | KR40X | KRV40X | NUKR40 | NUKR40X | 
| 42 | 20 | 22 | 65 | 18×1.5 | 24 | KR4220 | KRV4220 | KR4220X | KRV4220X | ||
| 47 | 20 | 24 | 66 | 20×1.5 | 25,5 | KR47 | KRV47 | KR47X | KRV47X | NUKR47 | NUKR47X | 
| 22 | 25 | 75 | 20×1.5 | 27 | KR4722 | KRV4722 | KR4722X | KRV4722X | |||
| 24 | 25 | 75 | 20×1.5 | 27 | KR4724 | KRV4724 | KR4724X | KRV4724X | |||
| 50 | 22 | 24 | 71 | 24×1.5 | 25,5 | KR50 | KRV50 | KR50X | KRV50X | NUKR50 | NUKR50X | 
| 52 | 20 | 24 | 66 | 20×1.5 | 25,5 | KR52 | KRV52 | KR52X | KRV52X | NUKR52 | NUKR52X | 
| 58 | 21 | 28 | 85 | 20×1.5 | 28,8 | KR5821 | KRV5821 | KR5821X | KRV5821X | ||
| 30 | 32 | 93 | 30×1.5 | 34 | KR5830 | KRV5830 | KR5830X | KRV5830X | |||
| 30 | 32 | 130 | 30×1.5 | 34 | KR5830L | KRV5830L | KR5830XL | KRV5830XL | |||
| 62 | 24 | 29 | 80 | 24×1.5 | 30,5 | KR62 | KRV62 | KR62X | KRV62X | NUKR62 | NUKR62X | 
| 72 | 24 | 29 | 80 | 24×1.5 | 30,5 | KR72 | KRV72 | KR72X | KRV72X | NUKR72 | NUKR72X | 
| 36 | 38 | 116 | 36×3 | 40 | KR7236 | KRV7236 | KR7236X | KRV7236X | |||
| 76 | 38 | 43,66 | 108,74 | 36×2 | 45,24 | KRV7638X | |||||
| 80 | 30 | 35 | 100 | 30×1.5 | 37 | KR80 | KRV80 | KR80X | KRV80X | NUKR80 | NUKR80X | 
| 30 | 35 | 120 | 30×1.5 | 44 | KR80L | KRV80L | KR80XL | KRV80XL | |||
| 35 | 50,4 | 122 | 30×1.5 | 52 | KR8035 | KRV8035 | KR8035X | KRV8035X | |||
| 30 | 27 | 100 | 30×1.5 | 29 | NUKR80XL | ||||||
| 30 | 35 | 130 | 30×2 | 37 | KRV80EE | ||||||
| 85 | 30 | 35 | 100 | 30×1.5 | 37 | KR85 | KRV85 | KR85X | KRV85X | NUKR85 | NUKR85X | 
| 42 | 46 | 135 | 42×3 | 48 | KR8542 | KRV8542 | KR8542X | KRV8542X | |||
| 42 | 46 | 125 | 42×3 | 48 | KR8542L | KRV8542L | KR8542XL | KRV8542XL | |||
| 86 | 24 | 29 | 80 | 24×1.5 | 30,6 | NUKR86K | NUKR86KX | ||||
| 89 | 36 | 50 | 128 | 36×3 | 52 | KR8936 | KRV8936 | KR8936X | KRV8936X | ||
| 90 | 30 | 35 | 100 | 30×1.5 | 37 | KR90 | KRV90 | KR90X | KRV90X | NUKR90 | NUKR90X | 
| 30 | 35 | 232 | 30×1.5 | 37 | KR90L | KRV90L | KR90XL | KRV90XL | |||
| 40 | 35 | 150 | 30×1.5 | 37 | KRV9040X | ||||||
| 30 | 35 | 136 | 30×1.5 | 37 | KRV90E | KRV90EX | |||||
| 36 | 38 | 128 | 36×3 | 39 | KR9036 | KRV9036 | KR9036X | KRV9036X | |||
| 45 | 50 | 125 | 45×3 | 52 | KR9045 | KRV9045 | KR9045X | KRV9045X | |||
| 50 | 35 | 130 | 36×3 | 50 | KR9050 | KRV9050 | KR9050X | KRV9050X | |||
| 100 | 36 | 43 | 120 | 36×1.5 | 46 | KR100 | KRV100 | KR100X | KRV100X | NUKR100 | NUKR100X | 
| 36 | 45 | 120 | 36×3 | 49 | KR10036 | KRV10036 | KR10036X | KRV10036X | |||
| 48 | 54 | 156 | 48×3 | 56 | KR10048 | KRV10048 | KR10048X | KRV10048X | |||
| 110 | 56 | 61 | 178 | 56×4 | 63 | KR11056 | KRV11056 | KR11056X | KRV11056X | ||
| 30 | 35 | 100 | 30×1.5 | 37 | KRV11030X | ||||||
| 120 | 42 | 50 | 140 | 42×1.5 | 53 | NUKR120 | NUKR120X | ||||
| 42 | 40 | 170 | 36×1.5 | 46 | NUKR120XL | ||||||
| 125 | 60 | 69 | 180 | 57×2.2 | 75,5 | KRV12560X | |||||
| 64 | 69 | 200 | 64×4 | 71 | KR12564 | KRV12564 | KR12564X | KRV12564X | |||
| 140 | 48 | 57 | 160 | 48×1.5 | 60 | NUKR140 | NUKR140X | ||||
| 72 | 76 | 222 | 72×3 | 80 | KR14072 | KRV14072 | KR14072X | KRV14072X | |||
| 149 | 60 | 69 | 102 | ∮64 | 71 | KR14960A | KRV14960A | KR14960XA | KRV1496X0A | Коротким штанга отполированная концом без потока | |
| 70 | 69 | 102 | ∮60 | 71 | JS9804.5 | ||||||
| 150 | 52 | 60 | 170 | 52×1.5 | 63 | NUKR150 | NUKR150X | ||||
| 160 | 56 | 63 | 180 | 56×3 | 37 | NUKR160 | NUKR160X | ||||
| 80 | 83 | 246 | 80×4 | 89 | KR16080 | KRV16080 | KR16080X | KRV16080X | |||
| 170 | 60 | 66 | 190 | 60×3 | 70 | NUKR170 | NUKR170X | ||||
| 180 | 64 | 72 | 200 | 64×3 | 76 | NUKR180 | NUKR180X | ||||
| 68 | 63 | 293 | 68×2 | 73 | RK180 | RK180X | |||||
| 190 | 80 | 99 | 262 | 80×4 | 102 | KR19080 | KRV19080 | KR19080X | KRV19080X | ||
| 80 | 100 | 458 | Соединяя тип отсутствие потока | 110 | KR19080T | KRV19080T | KR19080XT | KRV19080XT | |||
| 80 | 95 | 448 | 100 | KR19080TA | KRV19080TA | KR19080XTA | KRV19080XTA | ||||
| 80 | 100 | 465 | 110 | KR19080TB | KRV19080TB | KR19080XTB | KRV19080XTB | ||||
| 80 | 100 | 438 | 110 | KRV19080XTC | |||||||
| 80 | 100 | 475 | 110 | KRV19080XTD | |||||||
| 210 | 90 | 111 | 292 | 90×4 | 114 | KR21090 | KRV21090 | KR21090X | KRV21090X | ||
| 240 | 100 | 128 | 328 | 100×4 | 131 | KR240100 | KRV240100 | KR240100X | KRV240100X | ||
Модель RNA22… 2RS, поддерживая ролик NA22… 2RS
Подшипник иглы ролика двустороннего уплотнения без внутренней модели RN… 2RS кольца
Модельный подшипник иглы ролика 2RS РИБОНУКЛЕИНОВОЙ КИСЛОТЫ… имеет не внутреннее кольцо и оборудован с двусторонним уплотнением кольца в обоих sides.it имеют хорошее представление пыл-защиты. В виду того что подшипник не имеет никакое внутреннее кольцо, спрошено, чтобы поверхностные твердость и поверхность журнала вала приспособленные с ним соответствовались носить. Представление этого подшипника такое же как это из модельного NA22… 2RS.
Если поверхность наружного кольца зеркало цилиндра, то обозначение подшипника RNA22… 2RSX.
Подшипник иглы ролика двустороннего уплотнения с внутренним кольцом и без NA… 2RS модели плеча «
Подшипник иглы ролика 2RS NA модели… имеет не внутренние кольцо и плечо и оборудован с кольцами двустороннего уплотнения в обеих сторонах. он имеет хорошее представление пыл-защиты. В виду того что наружное кольцо тип ролика с толстой стеной, оно имеет лучшее сопротивление удара.
Если поверхность наружного кольца зеркало цилиндра, то обозначение подшипника NA22… 2RSX.




Наш каталог подшипника ролика иглы
Цилиндрический подшипник ролика
Автозапчасти
Подшипники автомобиля
Кольцо подшипника внутреннее
Подшипник муфты
Совмещенный подшипник ролика иглы
Совмещенный подшипник ролика иглы с внутренним кольцом
Подшипники ролика кривой
Цилиндрические подшипники ролика с пружинным кольцом
Цилиндрические подшипники ролика с пружинным кольцом Groores
Вычерченный подшипник ролика иглы чашки со стопорным устройством
Вычерченный подшипник ролика иглы чашки с кольцом
Вычерченный подшипник ролика иглы чашки с кольцом уплотнения
Вычерченная муфта ролика иглы чашки
Вычерченные подшипники ролика иглы полного дополнения чашки
Вычерченный подшипник ролика иглы чашки
Вычерченное собрание муфты ролика иглы чашки
Подшипники ролика полного дополнения цилиндрические
Полный подшипник ролика иглы Coplement с или без внутреннего кольца
Подшипник для работы в тяжелых условиях
Кольцо подшипника иглы внутреннее
Изготовитель подшипника иглы
Собрания ролика и клетки иглы
Подшипник ролика иглы
Подшипник ролика иглы без внутреннего кольца
Ролик иглы без плеча и внутреннего кольца
Ролик иглы без плеча и с внутренним кольцом
Отсутствие собраний ролика и клетки плиты воротника
Нештатные подшипники
Одна муфта пути
Односторонний подшипник ролика иглы
Переливаться через край муфта
Радиальные собрания ролика и клетки иглы
Собрания ролика и клетки иглы Штанг-пользы
Штыри ролика
Подшипники Rollering
Подшипник ролика иглы кольца уплотнения с внутренним кольцом или без внутреннего кольца
Загерметизированные подшипники ролика иглы
Кольцо места
Само-выравнивая подшипник иглы
Кольцо вала
Твердый подшипник ролика иглы воротника
Тип односторонняя муфта подшашки
Подшипники поддерживая ролика
Толкнутый шарикоподшипник с плоским местом
Толкнутые цилиндрические собрания ролика и клетки усаживают кольцо вала кольца
Толкните подшипники ролика иглы
Шайба тяги etc.