Высококачественных и подшипник NUP314ENM точности цилиндрический ролика для грузового автомобиля (цилиндрический подшипник ролика)
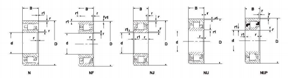
Подшипник ролика одиночной строки цилиндрический, включая наружное кольцо, внутреннее кольцо замка кольца и клетку. Кольцевой паз стресса обеспечен в середине поверхности наружной стены наружного кольца. Множественность кольцевых запирая пазов на наружной стене наружного кольца. Форма и размер запирая кольца приспособлены к форме и размеру кольцевого запирая паза. Запирая кольцо установлено в кольцевой запирая паз. Кольцевой паз проводника клетки обеспечен на поверхности кольца внутренней стены наружного кольца соответствие к пазу стресса. Общего назначения модель имеет преимущества удобного собрания, большого давления на подшипник, высокой ограничиваясь скорости, сильной надежности, длинного срока службы и подобия.
Цилиндрические подшипники ролика вообще только использованы для того чтобы выдержать радиальные нагрузки, и ролики и raceways колец в линейном контакте, который осев сепарабольный подшипник. Сравненный с глубокими подшипниками паза с такими же внешними размерами, цилиндрические подшипники ролика имеют более большую емкость радиальной нагрузки. Этот вид подшипника легок для установки и демонтировать, сопротивление удара, хорошая ригидность, может вообще иметь некоторое количество осевого смещения, не может принести аксиальную нагрузку самостоятельно.

| Отечественная новая модель | Отечественная старая модель | внутренний диаметр | Наружный диаметр | ширина | Cr | Cor | Скорость тавота | Скорость смазки масла | вес |
| NUP309 | 92309 | 45 | 100 | 25 | — | — | — | — | 0,9 |
| NUP309NV/R01 | - | 45 | 100 | 25 | — | — | — | — | 0,9 |
| NUP309EN | 192309 | 45 | 100 | 25 | — | — | — | — | 0,949 |
| NUP309VHNRSD | - | 45 | 100 | 25 | - | - | - | - | 0,967 |
| NUP309N-2Z | 192309ZZ | 45 | 100 | 25 | - | - | - | - | 0 |
| NUP309N | 192309 | 45 | 100 | 25 | - | - | - | - | 0,91 |
| NUP309M | 92309H | 45 | 100 | 25 | - | - | - | - | 1,02 |
| NUP309ENV | 192309K | 45 | 100 | 25 | - | - | - | - | 0 |
| NUP309ENTN1 | 192309EA | 45 | 100 | 25 | - | - | - | - | 0,904 |
| NUP309EN/C3 | C3G192309EK | 45 | 100 | 25 | - | - | - | - | 0,908 |
| NUP309EM | 92309EH | 45 | 100 | 25 | - | - | - | - | 0 |
| NUP309EF1 | 192309W1E | 45 | 100 | 25 | - | - | - | - | 0,969 |
| NU309F | 32309W | 45 | 100 | 25 | - | - | - | - | 0,94 |
| NU309EM | 32309EH | 45 | 100 | 25 | - | - | - | - | 0 |
| NU309EF1 | 32309W1E | 45 | 100 | 25 | - | - | - | - | 0,93 |
| NU309L1 | 32309L1 | 45 | 100 | 25 | - | - | - | - | 0,898 |
| NU309/HG | 32309G | 45 | 100 | 25 | - | - | - | - | - |
| NUP309ENF1 | 192309W1E | 45 | 100 | 25 | - | - | - | - | 0,97 |
| NUP309-E-TVP2 | NUP309-E-TVP2 | 45 | 100 | 25 | - | - | - | - | 0.937kg |
| NU309ECP | NU309ECP | 45 | 100 | 25 | - | - | - | - | 1kg |
| NU2309E | 32609E | 45 | 100 | 36 | 130 | 152 | 5600 | 7000 | 1,34 |
| NUP2309E | 92609E | 45 | 100 | 36 | 130 | 152 | 5600 | 7000 | 1,34 |
| NUP2309M | 92609H | 45 | 100 | 36 | — | — | — | — | 1,51 |
| NU2309 | 32609 | 45 | 100 | 36 | - | - | - | - | - |
| NUP2309 | 92609 | 45 | 100 | 36 | - | - | - | - | - |
| NU2309M | 32609H | 45 | 100 | 36 | - | - | - | - | 1,5 |
| NU2309EM | 32609EH | 45 | 100 | 36 | - | - | - | - | 0 |
| NU400 | - | 45 | 120 | 29 | 102 | 100 | 5000 | 6300 | 1,8 |
| NUP409 | 92409 | 45 | 120 | 29 | 102 | 100 | 5000 | 6300 | 1,8 |
| NU409M | 32409H | 45 | 120 | 29 | — | — | — | — | 1,97 |
| NU409 | 32409 | 45 | 120 | 29 | - | - | - | - | - |
| NUP409M | 92409H | 45 | 120 | 29 | - | - | - | - | 1,8 |
| RNU307E | 292307E | 46,2 | 80 | 21 | — | — | — | — | 0,396 |
и так далее. (цилиндрический подшипник ролика)
(KN) MassdDBCCoKgN 208EMNU208EMNJ208EM40801851.553.00.39N209EMNU209EMNJ209EM45851958.563.80.52N210EMNU210EMNJ210EM 5090 2061,2 69,20.56 N211EMNU211EM NJ211EM55100 21 80,2 95,50.62N212EMNU212EM NJ212EM 60110 22 89,8 102,00.84 N213EMNU213EM NJ213EM 65120 23 102,0 118,01.05 N214EMNU214EM NJ214EM 70125 24 110,0 135,01.29 N215EMNU215EM NJ215EM 7513025 125,0 155,01.45 N216EMNU216EM NJ216EM 80140 26 132,0 165,01.74 N217EMNU217EM NJ217EM 85 150 28158,0 192,02.08 N218EMNU218EMNJ218EM 90 160 30170,0 203,02.50 N219EMNU219EM NJ219EM 95 170 32190,0 214,02.80 N220EMNU220EM NJ220EM 100 180 34208,0 226,0 3,14 N222EMNU222EM NJ222EM110 200 38239,0 342,0 2,11 N224EMNU224EM NJ224EM 120 21540 247,0 249,0 6,32 N226EMNU226EM NJ226EM 130 230 40358,0 372,0 7,38 N228EMNU228EM NJ228EM 140 250 42302,0415 .09.01 N230EMNU230EM NJ230EM 150 27045450,0 595,0 12,50 N232EMNU232EM NJ232EM 160 290 48 500,0 665,0 15,50 N234EMNU234EM NJ234EM 170 310 52605,0 800,0 19,20 N236EMNU236EM NJ236EM 180 32050625,0 850,0 20,00 N238EMNU238EM NJ238EM 190 34055695,0 955,024.00 N240EMNU240EM NJ240EM 200 36058765,01060 .028.60 N244EMNU244EMNJ244EM22040065760.01080.037.30N248EMNU248EMNJ248EM24044075935.01340.050.40

Наш каталог подшипника ролика иглы
Цилиндрический подшипник ролика
Автозапчасти
Подшипники автомобиля
Кольцо подшипника внутреннее
Подшипник муфты
Совмещенный подшипник ролика иглы
Совмещенный подшипник ролика иглы с внутренним кольцом
Подшипники ролика кривой
Цилиндрические подшипники ролика с пружинным кольцом
Цилиндрические подшипники ролика с пружинным кольцом Groores
Вычерченный подшипник ролика иглы чашки со стопорным устройством
Вычерченный подшипник ролика иглы чашки с кольцом
Вычерченный подшипник ролика иглы чашки с кольцом уплотнения
Вычерченная муфта ролика иглы чашки
Вычерченные подшипники ролика иглы полного дополнения чашки
Вычерченный подшипник ролика иглы чашки
Вычерченное собрание муфты ролика иглы чашки
Подшипники ролика полного дополнения цилиндрические
Полный подшипник ролика иглы Coplement с или без внутреннего кольца
Подшипник для работы в тяжелых условиях
Кольцо подшипника иглы внутреннее
Изготовитель подшипника иглы
Собрания ролика и клетки иглы
Подшипник ролика иглы
Подшипник ролика иглы без внутреннего кольца
Ролик иглы без плеча и внутреннего кольца
Ролик иглы без плеча и с внутренним кольцом
Отсутствие собраний ролика и клетки плиты воротника
Нештатные подшипники
Одна муфта пути
Односторонний подшипник ролика иглы
Переливаться через край муфта
Радиальные собрания ролика и клетки иглы
Собрания ролика и клетки иглы Штанг-пользы
Штыри ролика
Подшипники Rollering
Подшипник ролика иглы кольца уплотнения с внутренним кольцом или без внутреннего кольца
Загерметизированные подшипники ролика иглы
Кольцо места
Само-выравнивая подшипник иглы
Кольцо вала
Твердый подшипник ролика иглы воротника
Тип односторонняя муфта подшашки
Подшипники поддерживая ролика
Толкнутый шарикоподшипник с плоским местом
Толкнутые цилиндрические собрания ролика и клетки усаживают кольцо вала кольца
Толкните подшипники ролика иглы
Шайба тяги etc.