Фланец продетый нитку фланцом S32750 RF 150# нержавеющей стали индустрии супер двухшпиндельным для соединения
Спецификации
двухшпиндельный фланец нержавеющей стали 1.Super
2.sch5s-schxxs
3.ISO9001, ISO9000
4.Market: Америка, Африка, Ближний Восток, к юго-востоку от Азии
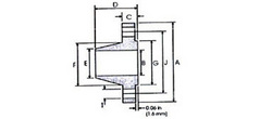
Продетый нитку фланец не-сваренный фланец который обрабатывает внутреннее отверстие фланца в трубу
проденьте нитку и соединитесь с продетой нитку трубой. Сравненный с фланцами или сваркой встык плоской сварки
фланцы, продетые нитку фланцы имеют характеристики удобных установки и обслуживания,
и смогите быть использовано на трубопроводах которые не позволены быть сваренным на некоторых местах. Легированная сталь
фланец имеет достаточную прочность, но не легко сварить, или сваривая представление не хорошо,
вы можете также выбрать продетый нитку фланец. Однако, под условием что температура
изменения трубопровода остро или температура выше чем 260 ° c и понизить чем -45 ° c,
порекомендованы, что использует продетый нитку фланец для избежания утечки.
| ||||||||||||||||||||||||||||||||||||||
Описание: Стальные фланцы, фланцы нержавеющей стали WNRF фланцов шеи сварки/ASTM a 182
ASTM A 182, GR F1, F11, F22, F5, F9, F9
Фланцы шеи сварки
Фланцы шеи сварки очень общий тип фланцов трубы используемых в различных промышленных применениях.
Они имеют длиной сплющенный эпицентр деятельности и часто использованы для высоких применений давления.
Мы быстро растущая организация, приниманнсяое за производство, поставка и экспорт сваривая шеи
фланцы, промышленные фланцы шеи сварки и выкованные фланцы. Наши фланцы шеи сварки просверлены с
толщина стены фланца имея такие же размеры трубы. Фланцы для более тяжелых труб имеют небольшое
пробурите, пока фланцы более светлых труб имеют более большую скважину. Эти фланцы шеи сварки, промышленная шея сварки
фланцы, выкованные фланцы нормально использованы для высоконапорной, холодной или горячей температуры.
Вид продукции:
WNRF служит фланцем размер: 1/8" N.B. ДО 48" N.B.
WNRF служит фланцем класс: 150#, 300#, 400 #, 600#, 900#, 1500# & 2500 #.
Фланцы нержавеющей стали WNRF: ASTM A 182, A 240
Ранг: F 304, 304L, 304H, 316, 316L, 316Ti, 310, 310S, 321, 321H, 317, 347, 347H, 904L, дуплекс
нержавеющая сталь UNS S31803, 2205, супер двухшпиндельная нержавеющая сталь UNS S32750
Фланцы углерода стальные WNRF: ASTM A 105, ASTM A 181
Фланцы легированной стали WNRF: ASTM A 182, GR F1, F11, F22, F5, F9, F91
Никель сплавляет фланцы WNRF: Monel 400 & 500, Inconel 600 & 625, Incolloy 800, 825, Hastelloy C22, C276
Фланцы медных сплавов WNRF: Медь, латунь & пушечный металл
WNRF служит фланцем стандарт
ANSI: ANSI B16.5, ANSI B16.47, MSS SP44, ANSI B16.36, ANSI B16.48
DIN: DIN2527, DIN2566, DIN2573, DIN2576, DIN2641, DIN2642, DIN2655, DIN2656, DIN2627, DIN2628,
DIN2629, DIN 2631, DIN2632, DIN2633, DIN2634, DIN2635, DIN2636, DIN2637, DIN2638, DIN2673
B.S: BS4504, BS4504, BS1560, BS10
Повышенно-ценные обслуживания
Горячее погружение гальванизируя, покрытие эпоксидной смолы.
Протокол испытаний оборудования
Протокол испытаний оборудования изготовителя согласно EN 10204/3.1B
