Путь CKL-A60170 одно соединяя переливающся через край подшипник муфты
Особенности
Тип CKL-A тип подшашки freewheels, сдержанный, загерметизированный и подшипник поддержанный. Блоки поставленное смазанное масло.
Пользуются ключом внутренняя гонка и фланец к противоположному валу.
Эта комбинация использована как переливаться через край муфта и обширное используемые в механизме упаковки, движения. и metallury.mine и так далее.
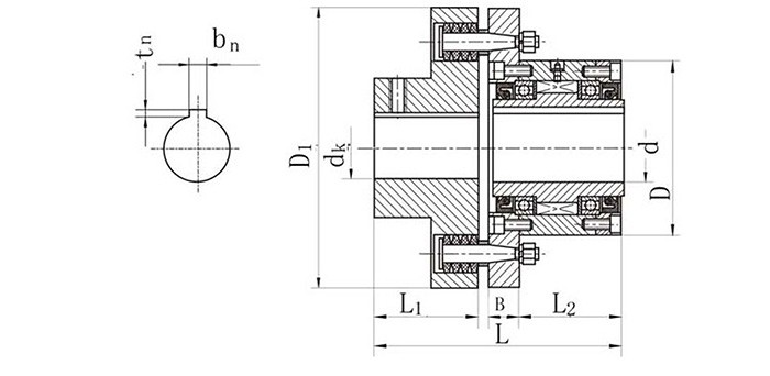
Размеры и емкости

|
Тип
|
Нормальный вращающий момент
|
Переливаться через край скорость r/min |
Размер mm |
Вес
|
|||||||||
| Внутренняя гонка | Наружная гонка | dH7 | D k (H7) | D | D 1 | L | L 1 | L 2 | B | ×t n b n | |||
| CKL-A1252 | 44 | 2125 | 2100 | 12 | 12~25 | 52 | 97 | 90,0 | 35 | 42 | 13,0 | 2×1.0 | 3,0 |
| CKL-A1568 | 90 | 1615 | 2100 | 15 | 15~30 | 68 | 112 | 110,0 | 40 | 52 | 18,0 | 3×1.4 | 4,4 |
| CKL-A2075 | 98 | 1360 | 1960 | 20 | 15~30 | 75 | 118 | 114,5 | 40 | 56 | 14,0 | 3×1.4 | 4,6 |
| CKL-A2590 | 230 | 1190 | 1610 | 25 | 20~40 | 90 | 130 | 127,5 | 50 | 60 | 17,5 | 4×1.8 | 6,4 |
| CKL-A30100 | 400 | 1105 | 1470 | 30 | 20~50 | 100 | 160 | 146,0 | 60 | 66 | 20,0 | 5×2.3 | 11 |
| CKL-A35110 | 580 | 935 | 1330 | 35 | 25~65 | 110 | 190 | 168,0 | 75 | 74 | 19,0 | 6×2.8 | 17 |
| CKL-A40125 | 820 | 807,5 | 1190 | 40 | 25~65 | 125 | 190 | 178,0 | 75 | 86 | 17,0 | 6×2.8 | 19 |
| CKL-A45130 | 840 | 765 | 1120 | 45 | 25~65 | 130 | 190 | 178,0 | 75 | 86 | 17,0 | 6×2.8 | 19 |
| CKL-A48150 | 1400 | 730 | 1000 | 48 | 25~65 | 150 | 225 | 207,0 | 90 | 88 | 25,0 | 14×3.8 | 31,5 |
| CKL-A50150 | 1400 | 722,5 | 980 | 50 | 30~75 | 150 | 225 | 207,0 | 90 | 92 | 25,0 | 14×3.8 | 31 |
| CKL-A55160 | 1600 | 612 | 910 | 55 | 35~90 | 160 | 270 | 233,5 | 100 | 104 | 29,5 | 16×4.3 | 47 |
| CKL-A60170 | 2200 | 578 | 840 | 60 | 35~90 | 170 | 270 | 244,0 | 94 | 114 | 30,0 | 18×4.4 | 49 |
| CKL-A70170 | 2200 | 578 | 840 | 70 | 35~90 | 170 | 270 | 267 | 117 | 114 | 30,0 | 20×4.9 | 48 |
| CKL-A70190 | 4500 | 493 | 770 | 70 | 45~110 | 190 | 340 | 312,5 | 140 | 134 | 38,5 | 20×4.9 | 90 |
| CKL-A75190 | 4500 | 493 | 770 | 75 | 50~120 | 190 | 340 | 312,5 | 140 | 134 | 35,0 | 20×4.9 | 88 |
| CKL-A80210 | 6800 | 408 | 630 | 80 | 55~125 | 210 | 380 | 340,0 | 160 | 142 | 35,0 | 22×5.4 | 107 |
| CKL-A90230 | 11000 | 323 | 595 | 90 | 65~140 | 230 | 440 | 369,0 | 160 | 159 | 50,0 | 25×6.4 | 170 |
| CKL-A95230 | 11000 | 323 | 595 | 95 | 70~145 | 230 | 440 | 379,0 | 160 | 175 | 35,0 | 25×5.4 | 165 |
| CKL-A100270 | 16000 | 297,5 | 525 | 100 | 76~160 | 270 | 500 | 422,5 | 200 | 182 | 40,5 | 28×6.4 | 230 |
| CKL-A75170 | 2200 | 578 | 840 | 75 | 35~90 | 170 | 270 | 291 | 140 | 114 | 30,0 | 20×4.9 | 46 |
Устанавливать пример

Изображение продукта:


Применение
