Backstops пути Holdback одного Because6MA схватывают для склонных транспортеров
Технические данные
ДО РОЖДЕСТВА ХРИСТОВА backstops совершенно механические, автоматические работая блоки, включая принцип действия доказанный временем основной, для того чтобы обеспечить большую безопасность и более длинную жизнь с минимальными требованиями к техническому обслуживанию. 17 нормальных размеров доступные до 1 200 000 фунт-ног вращающего момента.
Во время вольного, (нормальное функционирование), кулачка и собрания ролика вращать с headshaft как показано стрелками в иллюстрации 2. Обеспечивают наружную гонку к неподвижным coverplates и руке вращающего момента луча «I». Фильм масла заклинивает и отделяет ролики от наружной гонки. Это двигает ролики немного тысячн дюйма передавая относительное угловое движение между клеткой ролика и кулачком. Это небольшое движение роликов в более глубокие зоны кулачка, с чистым фильмом смазки заклиненным между роликами и наружной гонкой, разрешения вольные без металла к контакту металла.
Размеры и емкости

|
Размер Backstop |
Вращающий момент N-m |
Расклассифицированный Вращающий момент lb. FT. |
Макс RPM |
Нагрузка «l» Килограммы. |
Нагрузка «l» lbs. |
Скважина mm Max.* | Скважина Max.* внутри. |
Max.* Шпоночное соединение скважины mm |
Шпоночное соединение скважины Max.* в. |
Килограммы веса корабля. | Вес lbs корабля. |
| 3MA | 4067 | 3 000 | 300 | 510 | 1 120 | 75 | 2,94 | 20 x 4,9 | .75 x .25 | 46 | 100 |
| 6MA | 8135 | 6 000 | 250 | 920 | 2 000 | 95 | 3,69 | 25 x 5,4 | .88 x .31 | 69 | 150 |
| 12MA | 16270 | 12 000 | 210 | 1325 | 2 880 | 115 | 4,50 | 32 x 7,4 | 1,00 x .38 | 100 | 220 |
| 18MA | 24405 | 18 000 | 180 | 1776 | 3 860 | 140 | 5,44 | 36 x 8,4 | 1,25 x .44 | 152 | 330 |
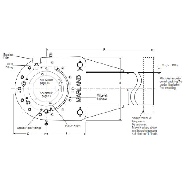
| Размер Backstop | B | C | D | E | F | G | ||||||||
| mm | в. | mm | в. | mm | в. | mm | в. | mm | в. | mm | в. | mm | в. | |
| 3MA | 210 | 8,25 | 143 | 5,62 | 146 | 5,75 | 64 | 2,50 | 76 | 3 | 813 | 32 | 105 | 4,12 |
| 6MA | 248 | 9,75 | 165 | 6,50 | 169 | 6,62 | 70 | 2,75 | 102 | 4 | 914 | 36 | 124 | 4,87 |
| 12MA | 292 | 11,50 | 203 | 8,00 | 178 | 7,00 | 83 | 3,25 | 127 | 6 | 1270 | 50 | 146 | 5,75 |
| 18MA | 343 | 13,50 | 235 | 9,25 | 189 | 7,44 | 92 | 3,62 | 152 | 6 | 1422 | 56 | 168 | 6,6 |

|
Размер Backstop |
Вращающий момент N-m |
Расклассифицированный вращающий момент lb. FT. |
Макс RPM |
Нагрузка «l» Килограммы |
Нагрузка «l» lbs. |
Скважина mm Max.* | Скважина Max.* внутри. | Шпоночное соединение mm скважины Max.* |
Max.* Шпоночное соединение скважины в. |
Килограммы веса корабля. | Вес lbs корабля. |
| 27MA | 36607 | 27 000 | 150 | 2259 | 4 910 | 165 | 6,50 | 40 x 9,4 | 1,50 x .50 | 207 | 450 |
| 45MA | 61012 | 45 000 | 135 | 3450 | 7 500 | 180 | 7 | 45 x 10,4 | 1,75 x .56 | 276 | 600 |
| 63MA | 85417 | 63 000 | 120 | 4462 | 9 700 | 205 | 8 | 50 x 11,4 | 2,00 x .69 | 381 | 830 |
| 90MA | 122024 | 90 000 | 105 | 6072 | 13 200 | 235 | 9 | 56 x 12,4 | 2,50 x .75 | 520 | 1 130 |
| 135MA | 183035 | 135 000 | 90 | 8464 | 18 400 | 265 | 10 | 63 x 12,4 | 2,50 x .87 | 690 | 1 500 |
| 180MA | 244047 | 180 000 | 80 | 10580 | 23 000 | 300 | 11,75 | 70 x 14,4 | 3,00 x 1,00 | 966 | 2 100 |
| Размер Backstop | B | C | D | E | F | G | ||||||||
| mm | в. | mm | в. | mm | в. | mm | в. | mm | в. | mm | в. | mm | в. | |
| 27MA | 384 | 15,12 | 254 | 10,00 | 222 | 8,75 | 98 | 3,87 | 178 | 7 | 1676 | 66 | 191 | 7,50 |
| 45MA | 445 | 17,50 | 289 | 11,37 | 235 | 9,25 | 105 | 4,12 | 203 | 8 | 1829 | 72 | 216 | 8,50 |
| 63MA | 498 | 19,62 | 311 | 12,25 | 244 | 9,62 | 127 | 5,00 | 254 | 10 | 1981 | 78 | 244 | 9,62 |
| 90MA | 584 | 25,75 | 362 | 14,25 | 276 | 10,87 | 140 | 5,50 | 305 | 12 | 2083 | 82 | 270 | 10,62 |
| 135MA | 654 | 30,37 | 406 | 16,00 | 314 | 12,37 | 143 | 5,62 | 381 | 15 | 2235 | 88 | 308 | 12,12 |
| 180MA | 772 | 34,50 | 419 | 16,50 | 330 | 13,00 | 159 | 6,25 | 457 | 18 | 2388 | 94 | 349 | 13,75 |
Установка и соединение


Когда транспортер замедляет и кулачок затем приходит, сработанная весной клетка ролика, иллюстрация 1, уже располагала ролики в зону соприкосновения. Все ролики несомненно были направлены для того чтобы включить равномерно и поддержать их относительные положения точно для того чтобы уверить распределение равномерной нагрузки. Ролики после этого принимаются за обжатие между землей точности, затвердетыми поверхностями кулачка плоскими и внутренним диаметром наружной гонки. Необходимо, что включает относительное движение между кулачком и наружной гонкой ролики. Когда «включен» backstop в или «backstopping» условие, кулачок, ролики, и наружная гонка относительно неподвижны и поэтому, не вопрос для того чтобы нести если использовано в пределах нормальной приведенной оценки.
Устанавливать детали
Backstops Marland поставлены с посадкой с гарантированным зазором между скважиной и валом для легких установок поля. Ключ должен быть «приводом туго» приспособленным на стороны только. В результате метод осевого удерживания вала необходим для всех backstops. Предпочитаемый метод выполнения этого с пользой установленных воротников которые могут быть поставлены Marland по требованию.
Изображения
