Особенности толкнутых подшипников ролика иглы
Ролик иглы толкнул подшипники приспособлен с форм-стабилизированной клеткой надежно для того чтобы направить и сохранить большое количество роликов иглы. Отступления диаметра роликов внутри одно собрание внутри µm 2, позволяющ эти подшипники приспособить тяжелые аксиальные нагрузки и толчковые нагрузки. Эти подшипники обеспечивают высокую степень жесткости внутри минимальный осевой космос. В применениях где стороны смежных компонентов машины могут служить как raceways, ролик иглы толкнул подшипники займет не больше космоса чем обычная толкнутая шайба.
Спецификации подшипника иглы
1) Тип подшипника иглы: AXK, NTA, TC, КАК, LS, GS, 51100, K81101, TRA, TRB, TRC, TRD
2) с отверстием масла
3) Материал: Chrome/нержавеющая сталь
4) Экран/закрытие: Раскройте
5)Точность: ABEC-1 (P0), ABEC-3 (P6), ABEC-5 (P5)
6) Вибрация и уровень шума: V2, V1, Z1, Z2
7) внутренний зазор: C0, C2, C3
8) Упаковка: промышленная упаковка или индивидуальная упаковка коробки, коробка, паллет.
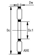
Размеры и емкости
|
вал dia |
подшипник тип |
размер (mm) | Оценка основной нагрузки (n) | spped ограниченное (rpm) |
вес (g)
|
|||||
| (mm) |
первоначальный тип |
Внутренний | Наружный | Ширина | dynamia | статический | тавот | масло | ||
| Dc1 | Dc | Dw | ||||||||
| 4 | AXK 0414 TN | 4 | 14 | 2 | 4100 | 7900 | 14000 | 5500 | 0,7 | |
| 5 | AXK 0515 TN | 5 | 15 | 2 | 4000 | 8500 | 13000 | 4800 | 0,8 | |
| 6 | AXK 0619 TN | 6 | 19 | 2 | 6000 | 12000 | 12000 | 4200 | 1 | |
| 8 | AXK 0821 TN | 8 | 21 | 2 | 7100 | 13500 | 11000 | 4000 | 2 | |
| 10 | AXK 1024 | 10 | 24 | 2 | 7800 | 24000 | 9500 | 3600 | 3 | |
| 12 | AXK 1226 | 12 | 26 | 2 | 8200 | 26700 | 7200 | 3200 | 3 | |
| 15 | AXK 1528 | 15 | 28 | 2 | 9500 | 33000 | 6500 | 3000 | 4 | |
| 17 | AXK 1730 | 17 | 30 | 2 | 10200 | 36500 | 5500 | 2800 | 4 | |
| 20 | AXK 2035 | 20 | 35 | 2 | 11000 | 43000 | 5000 | 2600 | 5 | |
| 25 | AXK 2542 | 25 | 42 | 2 | 12500 | 538000 | 4500 | 2300 | 7 | |
| 30 | AXK 3047 | 30 | 47 | 2 | 14000 | 656000 | 4100 | 2100 | 8 | |
| 35 | AXK 3552 | 35 | 52 | 2 | 15500 | 770000 | 3700 | 2000 | 10 | |
| 40 | AXK 4060 | 40 | 60 | 3 | 25000 | 1100000 | 3200 | 1900 | 16 | |
| 45 | AXK 4565 | 45 | 65 | 3 | 25800 | 1250000 | 3000 | 1700 | 18 | |
| 50 | AXK 5070 | 50 | 70 | 3 | 27600 | 1370000 | 2800 | 1600 | 20 | |
| 55 | AXK 5578 | 55 | 78 | 3 | 35000 | 1950000 | 2600 | 1500 | 28 | |
| 60 | AXK 6085 | 60 | 85 | 3 | 38600 | 2400000 | 2500 | 1100 | 33 | |
| 65 | AXK 6590 | 65 | 90 | 3 | 41000 | 2580000 | 2400 | 1000 | 35 | |
| 70 | AXK 7095 | 70 | 95 | 4 | 50000 | 2670000 | 2100 | 950 | 60 | |
| 75 | AXK 75100 | 75 | 100 | 4 | 51000 | 2750000 | 1900 | 900 | 61 | |
| 80 | AXK 80105 | 80 | 105 | 4 | 52400 | 2850000 | 1800 | 870 | 63 | |
| 85 | AXK 85110 | 85 | 110 | 4 | 54000 | 3000000 | 1700 | 850 | 67 | |
| 90 | AXK 90120 | 90 | 120 | 4 | 66000 | 4100000 | 1580 | 800 | 86 | |
| 100 | AXK 100135 | 100 | 135 | 4 | 76000 | 5570000 | 1400 | 770 | 104 | |
| 110 | AXK 110145 | 110 | 145 | 4 | 82000 | 6000000 | 1300 | 740 | 122 | |
| 120 | AXK 120155 | 120 | 155 | 4 | 84800 | 6620000 | 1200 | 700 | 131 | |
| 130 | AXK 130170 | 130 | 170 | 5 | 110000 | 9300000 | 1100 | 660 | 205 | |
| 140 | AXK 140180 | 140 | 180 | 5 | 115000 | 9100000 | 1000 | 620 | 219 | |
| 150 | AXK 150190 | 150 | 190 | 5 | 118000 | 9600000 | 950 | 580 | 232 | |
| 160 | AXK 160200 | 160 | 200 | 5 | 125000 | 10000000 | 900 | 500 | 246 | |
| ОСЬ 715 | 7 | 15 | 2,3 | 3100 | 3250 | 6400 | 18400 | 0,0016 | ||
| ОСЬ 816 | 8 | 16 | 2,3 | 3100 | 7900 | 6300 | 18000 | 0,0017 | ||
| ОСЬ 1022 | 10 | 22 | 2,8 | 6200 | 15300 | 4700 | 13700 | 0,0044 | ||
| ОСЬ 1022 | 10 | 22 | 4 | 6200 | 15300 | 4700 | 13700 | 0,0068 | ||
| ОСЬ 1528 | 15 | 28 | 4 | 8100 | 26900 | 3600 | 10500 | 0,0098 | ||
| ОСЬ 2542 | 25 | 42 | 5 | 13100 | 58000 | 2300 | 6600 | 0,0257 | ||
| ОСЬ 2744 | 27 | 44 | 2,8 | 13700 | 61900 | 2200 | 6200 | 0,0127 | ||
| ОСЬ 4060 | 40 | 60 | 2,8 | 20000 | 110000 | 1500 | 4400 | 0,0239 | ||
| ОСЬ 4565 | 45 | 65 | 2,8 | 21000 | 123000 | 1400 | 4000 | 0,0247 | ||
| AXW 10 | 10 | 27 | 3/3.2 | 9200 | 25500 | 6000 | 14000 | 8,3 | ||
| AXW 12 | 12 | 29 | 3/3.2 | 9900 | 29000 | 5500 | 13000 | 9,1 | ||
| AXW 15 | 15 | 31 | 3.5/3.2 | 11300 | 36000 | 5200 | 11000 | 10,1 | ||
| AXW 17 | 17 | 33 | 3.5/3.2 | 11900 | 39500 | 4500 | 10000 | 11 | ||
| AXW 20 | 20 | 38 | 3.5/3.2 | 13100 | 46500 | 4000 | 8500 | 14 | ||
| AXW 25 | 25 | 45 | 4/3.2 | 14700 | 58000 | 3000 | 7000 | 19,5 | ||
| AXW 30 | 30 | 50 | 4/3.2 | 16300 | 7000 | 2000 | 6000 | 22 | ||
| AXW 35 | 35 | 55 | 4/3.2 | 17800 | 81000 | 1700 | 5500 | 26,6 | ||
| AXW 40 | 40 | 63 | 4/4.2 | 28000 | 114000 | 1500 | 4700 | 39,2 | ||
| AXW 45 | 45 | 68 | 4/4.2 | 30000 | 128000 | 1200 | 4300 | 43,4 | ||
| AXW 50 | 50 | 73 | 4.5/4.2 | 32000 | 143000 | 1000 | 3900 | 49,2 | ||

Изображения
