Высокое компьютерное зрение единообразия освещает сторону контржурным светом освещает серию контржурным светом OPT-FLC7070 освещения OPT-FLC обширного района равномерную
Характеристики продукта
| Модель | OPT-FLC7070 |
|---|---|
| Цвет | Голубой/зеленый/красный/белый |
| Выход | W: 24V/3.7W R: 24V/4.1W B: 24V/3.6W G: 24V/4.4W |
| Каналы | 1 |
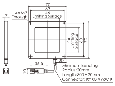
| Расквартировывающ размер (длина) | 70 |
| Порекомендованный регулятор | OPT-DPA2024E |
| OPT-FLC7070 | |
![]() |
Особенности
