40X-400X перевернуло биологический микроскоп конструированный для замечания и культивирования для ткани клетки
M13117 40X-400X перевернуло биологический микроскоп конструированный для замечания и культивирования для ткани клетки. Путем использование задач контраста участка плана безграничности LWD, оно может легко осуществить замечание контраста участка. Furthermore, оно имеет освещение флуоресцирования Epi, который нужно выбрать.
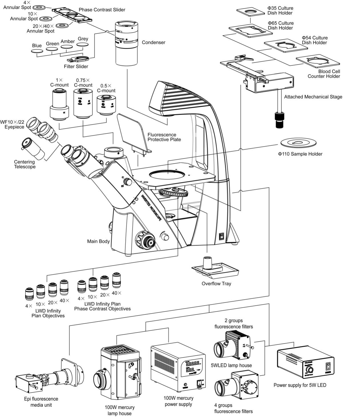
Особенности:
- Сверхразмерный окуляр поля взгляда, поле до 22mm взгляда для удобного замечания.
- Новые исследование и новая разработка.
- Освещение Koehler с 2 вариантами, 6V/30W и 5WLED
- Распределение света (и): 100: 0 (100% для окуляра), 80: 20 (80% для trinocular головы и 20% для окуляра).

Длинный конденсатор N.A. 0,30 расстояния работы, расстояние работы: 72mm
Расстояние деятельности: 195mm (без конденсатора), доступный для дополнительного блюда высокой культуры
Крупноразмерный этап удобный для исследования, размера: этап mm × 210 240mm (x) (y) механический доступный для плиты 96 отверстий. Двигая ряд: × 80 (y) mm 128mm (x)

M13117B перевернуло люминесцентный микроскоп

Nosepiece quintuple большого диаметра можно установить больше задач, более удобных для использования. Распределение света (и): 100:0 (100% для окуляра); 80:20 (80% для trinocular головы и 20% для окуляра)



M13117A перевернуло размер биологического микроскопа (mm)

M13117B перевернуло размер люминесцентного микроскопа (mm)

M13117 перевернуло диаграмму общего размещения биологического микроскопа

Конфигурация биологического микроскопа серии M13117
| Детали | Спецификация | M13117A | M13117B |
| Окуляр | WF10×/22mm (регулируемое) | ●● | ●● |
| Задачи плана безграничности LWD | LPlanFL 4×/0.11, W.D.=12.1mm | ○ | ○ |
| LPlanFL 10×/0.25, W.D.=10.3mm | ● | ● | |
| LPlanFL 20×/0.45, W.D.=5.8mm | ● | ● | |
| LPlanFL 40×/0.65, W.D.=5.1mm | ● | ● | |
| Задачи контраста участка плана безграничности LWD | PHP 4×/0.10 LPlanFL, W.D.=9.2mm | ○ | ○ |
| PHP 10×/0.25 LPlanFL, W.D.=10.3mm | ○ | ○ | |
| PHP 20×/0.45 LPlanFL, W.D.=5.8mm | ● | ● | |
| PHP 40×/0.65 LPlanFL, W.D.=5.1mm | ○ | ○ | |
| Кольцевое пятно | 10×/20×/40× | ● | ● |
| 4× | ○ | ○ | |
| Голова Seidentopf Trinocular |
Склоненное 45°, interpupilary расстояние: 48-76mm Распределение света (и): 100: 0 (100% для окуляра) 80:20 (80% для trinocular головы, и 20% для окуляра) |
● | ● |
| Голова Seidentopf Trinocular |
Склоненное 45°, interpupilary расстояние: 48-76mm Распределение света (и): 100: 0 и 0:100 (100% для окуляра или 100% для trinocular головы) |
○ | ○ |
| Nosepiece | Quintuple | ● | ● |
| Механический этап | Размер этапа: X×Y: 210×241mm, круглый размер скольжения: Φ110mm, прикрепленный механический этап (доступный для плиты 96 отверстий, двигая ряда X×Y: 128×80mm.) | ● | ● |
| Держатель блюда культуры | 65mm | ○ | ○ |
| 54mm | ● | ● | |
| 35mm | ○ | ○ | |
| счетчик клетки крови | ○ | ○ | |
| Конденсатор |
Длинное расстояние работы, быстро отделяемое, N.A.0.3, Расстояние деятельности: 72mm (с конденсатором), 195mm (без конденсатора). |
● | ● |
| Освещение Koehler | 6V/30W (ввод напряжения: 100V~240V) | ● | ● |
| 5WLED, ввод напряжения: 100V~240V | ○ | ○ | |
| Фильтр | Синь | ● | ● |
| Зеленый цвет | ● | ● | |
| Амбер /Grey | ○ | ○ | |
| C-держатель | 1 C-держатель x /0.5X /0.75X (фокус регулируемый) | ○ | ○ |
|
Флуоресцирование Epi Освещение |
Средства массовой информации блок флуоресцирования Epi, диафрагма поля, центр регулируемый. | ● | |
| лампа ртути 100W, 5WLED (ввод напряжения: 100V~240V) | ● | ||
| B, g, v, УЛЬТРАФИОЛЕТОВЫЕ фильтры флуоресцирования можно выбрать | ● |
Примечание:● значит что настоящее ○ конфигурации значит опционное
Пакуя размер: 660mm×590mm×325mm
Вес брутто: 18 килограммов
Чистый вес: 13,5 килограмма
