Приемопередатчик РоХС уступчивый 10Гб/с СФП+ двухнаправленный, достигаемость 40км
1270/1330нм ТС/1330/1270 нм РС
ХАРАКТЕРИСТИКИ ПРОДУКТА
●Суппорц 9.95Гб/с к тарифам данных 10.3Гб/с
приемопередатчик соединителя двухнаправленный СФП+ ЛК ●Симплекс оптически
●Дигитал диагностика СФФ-8472 уступчивая
●Хот плугабле
передатчик лазера ●1:1270нм ДФБ, приемник 1330нм
передатчик лазера 2:1330нм ДФБ, приемник 1270нм
● до 40км на 9/125ум СМФ
●СФП+ МСА СФФ-8431 уступчивое
●Оператинг температура случая: °К 0 до 70
ПРИМЕНЕНИЯ
●10ГБАСЭ-ЭР на 10.3125Гбпс
●10ГБАСЭ-ЭВ на 9.953Гбпс
связи ●Отер оптически
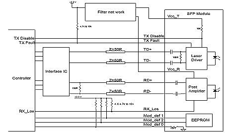
ФУНКЦИОНАЛЬНАЯ ДИАГРАММА

АБСОЛЮТНЫЙ МАКСИМУМ ОЦЕНОК
| Параметр | Символ | Минимальный. | Макс. | Блок | Примечание |
| Подача напряжения | Вкк | -0,5 | 4,0 | В |
|
| Температура хранения |
| -40 | 85 | °К |
|
| Относительная влажность |
|
| 85 | % |
|
Примечание: Стресс свыше максимальных абсолютных оценок может причинить постоянное повреждение к модулю
ХАРАКТЕРИСТИКИ ОПЭРАТИНГ ГЭРЭРАЛ
| Параметр | Символ | Минимальный. | Тип | Макс. | Блок | Примечание | |
| Тариф данных | Локальные сети |
|
| 10,3125 |
| Гб/с |
|
| Канал волокна |
|
| 10,518 |
|
| ||
| Подача напряжения | Вкк | 3,13 | 3,3 | 3,47 | В |
| |
| Вкк |
|
|
| В |
| ||
| Течение поставки | Икк5 |
|
|
| мамы |
| |
| Икк3 |
|
| 400 | мамы |
| ||
| Работая Темп случая. | Тк | 0 |
| 70 | °К |
| |
ЭЛЕКТРИЧЕСКИЕ ХАРАКТЕРИСТИКИ ВХОД-ВЫХОДА
л передатчик
| Параметр | Символ | Минимальный. | Тип | Макс. | Блок | Примечание | |
| Дифф. качание ввода напряжения |
| 120 |
| 820 | мВпп | 1 | |
| Входной сигнал отключения Ткс | Х | ВИХ | 2,0 |
| Вкк+0.3 | В |
|
| Л | ВИЛ | 0 |
| 0,8 | |||
| Выход недостатка Ткс | Х | ВОХ | 2,0 |
| Вкк+0.3 | В | 2 |
| Л | ВОЛ. | 0 |
| 0,8 | |||
| Входной сигнал Дифф. Импеданс | Зин |
| 100 |
| Ω |
| |
л приемник
| Параметр | Символ | Минимальный. | Тип | Макс. | Блок | Примечание | |
| Дифф. качание напряжения тока выхода |
| 340 | 650 | 800 | мВпп | 3 | |
| Выход Ркс ЛОС | Х | ВОХ | 2,0 |
| Вкк+0.3 | В | 2 |
| Л | ВОЛ. | 0 |
| 0,8 |
| ||
Заметьте 1) АК ТД+/АРЕ внутренне соединенный с дифференциальным прекращением 100Ω внутри модуля.
Заметьте 2) Ткс ошибитесь и Ркс ЛОС выходы открытого сборника, которые должны быть вытягиваны вверх с 4.7к к резисторам 10кΩ на доске хозяина. Вытяните вверх по напряжению тока между 2.0В и Вкк+0.3В.
Соединенные выходы примечания 3) РД+/- внутренне АК, и должны быть закончены 100Ω (дифференциал) на потребителе СЭРДЭС.
ОПТИЧЕСКИ ХАРАКТЕРИСТИКИ
л передатчик
| Параметр | Символ | Минимальный. | Тип | Макс. | Блок | Примечание |
| Работая длина волны |
| 1260 | 1270 | 1280 | нм |
|
| 1320 | 1330 | 1340 | ||||
| Аве. (позволенная) сила выхода | По | 0 |
| 4 | дБм | 1 |
| Коэффициент вымирания | ЭР | 5 |
|
| дБ | 1 |
| Ширина РМС спектральная | Δλ |
|
| 1 | нм |
|
| Время подъема/падения (20%~80%) | Тр/Тф |
|
| 50 | пс | 2 |
| Оптически амплитуда модуляции | ОМА | -6,2 |
|
| дБм |
|
| Штраф рассеивания |
|
|
| 1 | дБ |
|
| Глаз выхода оптически | Уступчивый с ИЭЭЭ 0802.3аэ | |||||
л приемник
| Параметр | Символ | Минимальный. | Тип | Макс. | Блок | Примечание |
| Работая длина волны |
| 1320 | 1330 | 1340 | нм |
|
| 1260 | 1270 | 1280 | ||||
| Чувствительность | Псен |
|
| -15 | дБм | 3 |
| Минимальная перегрузка | Пимакс | 0,5 |
|
| дБм |
|
| ЛОС утверждает | ПА | -30 |
|
| дБм |
|
| ЛОС Де-утверждает | Пд |
|
| -16 | дБм |
|
| Гистерезис ЛОС | Пд-ПА | 0,5 |
| 4 | дБ |
|
Заметьте 1) измеренный на 10.3125б/с с телевизионной испытательной таблицей НРЗ ПРБС 231 до 1.
Заметьте 2) 20%~80%
Заметьте 3) под наихудшим случаем ЭР, измеренным на 10,3125 Гб/с с телевизионной испытательной таблицей НРЗ ПРБС 231 до 1 для БЭР < 1кс10-12
ОПРЕДЕЛЕНИЯ И ФУНКЦИИ ПИН

| Пин | Символ | Имя/описание |
| 1 | ВЭЭТ [1] | Земля передатчика
|
| 2 | Ткс_ФАУЛТ [2] | Недостаток передатчика
|
| 3 | Ткс_ДИС [3] | Отключение передатчика. Выведенный наружу лазер выведенным из строя на максимуме или раскрывает
|
| 4 | СДА [2] | двухпрободная телевизионная строка с данными телетекста последовательного интерфейса |
| 5 | СКЛ [2] | двухпрободная линия часов последовательного интерфейса
|
| 6 | МОД_АБС [4] | Модуль отсутствующий. Заземленный внутри модуль
|
| 7 | РС0 [5] | Тариф выбирает 0 |
| 8 | РС_ЛОС [2] | Потеря индикации сигнала. Логика 0 показывает нормальное функционирование |
| 9 | РС1 [5] | Тариф выбирает 1
|
| 10 | ЛАВИРУЙТЕ [1] | Земля приемника
|
| 11 | ЛАВИРУЙТЕ [1] | Земля приемника
|
| 12 | РД | ДАННЫЕ перевернутые приемником вне. Соединенный АК
|
| 13 | РД+ | ДАННЫЕ ПО приемника вне. Соединенный АК
|
| 14 | ЛАВИРУЙТЕ [1] | Земля приемника
|
| 15 | ВККР | Электропитание приемника
|
| 16 | ВККТ | Электропитание передатчика
|
| 17 | ВЭЭТ [1] | Земля передатчика
|
| 18 | ТД+ | ДАННЫЕ ПО передатчика внутри. Соединенный АК
|
| 19 | ТД | ДАННЫЕ перевернутые передатчиком внутри. Соединенный АК
|
| 20 | ВЭЭТ [1] | Земля передатчика
|
Примечания:
[1] земля цепи модуля изолирована от шасси модуля смолотого внутри модуль.
[2] .шоульд были вытягиваны вверх с 4.7к – омами 10к на доске хозяина к напряжению тока между 3.15Ванд 3.6В.
[3] Ткс_Дисабле контакт входного сигнала с кΩ 4,7 к пуллуп 10 кΩ к ВккТ внутри модуля.
[4] Мод_АБС подключено с ВеТ или ВеР в модуле СФП+. Хозяин может вытянуть этот контакт до Вкк_Хост с резистором в границах 4,7 кΩ то10 кΩ.Мод_АБС утвержено «высоко» когда модуль СФП+ физически отсутствующий от слота хозяина.
[5] РС0 и РС1 входные сигналы модуля и вытягиваны низко к ВеТ с > 30 резисторами кΩ в модуле.
ТИПИЧНАЯ ЦЕПЬ ИНТЕРФЕЙСА

Порекомендованный фильтр электропитания

Примечание: Индукторы с сопротивлением ДК чем 1Ω должны быть использованы для поддержания необходимого напряжения тока на штыре входного сигнала СФП с подачей напряжения 3.3В. Когда порекомендованная сеть поставки фильтруя будет использована, горячий затыкать модуля приемопередатчика СФП приведет в течении инруш не больше чем 30 мам более больших чем номинальное значение
РАЗМЕРЫ ПАКЕТА

УПОРЯДОЧЕНИЕ ИНФОРМАЦИИ
| Номер детали | Описание | ||
| ДИС-СФП+-ВДМ-1240 | СФП+ БиДи, 10.3125Гбпс, 1270нм, 40км, 0~70℃, с ДДМ | ||
| ДИС-СФП+-ВДМ-1330 |
|