·Бесподобная низкая цена
·Низкая вносимая потеря
·Высокая изоляция канала
·Высокая стабильность, высокая надежность
·свободный от Эпоксидн на оптически пути
·Запирать на задвижку или Не-запирать на задвижку
Применения
·Оптически сеть
·Защита/восстановление
·Оптически трасса Синнал
·Конфигурируемые оптически добавляют/падение
·Предохранение от передатчика и приемника
·Испытательная система сети
Представление:
| Параметры | Блок | ТЗ-ФСВ-2×2Ф | ||
| Диапазон длины волны | нм | 1260 | 1650 | ||
| Длина волны теста | нм | /1550 1310 | ||
| Вносимая потеря 1, 2 | дБ | Тип: 0,7 | Макс: 1,1 | |
| Возвращенная потеря 1, 2 | дБ | ≥ 50 СМ | ||
| Помеха 1 | дБ | ≥ 55 СМ | ||
| ПДЛ | дБ | ≤0.05 | ||
| ВДЛ | дБ | ≤0.25 | ||
| Повторимость | дБ | ≤±0.02 | ||
| Рабочий потенциал | В | 3,0 | или 5,0 | |
| Стойкость | Циклы | ≥ 10 миллионов | ||
| Время переключения | госпожа | ≤8 | ||
| Оптически сила | мВ | ≤500 | ||
| Рабочая температура | ℃ | -20 | +70 | ||
| Температура хранения | ℃ | -40 | +85 | ||
| Относительная влажность | % | 5 | 95 | ||
| Цвет волокна | П1, П3 КРАСНЫЙ ЦВЕТ, П2, чернота П4 | |||
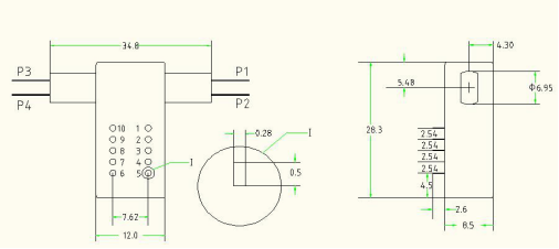
| Размер | мм | (Л) 28.3× (в) 12.0× (х) 8,5 ±0.2 или дизайн клиента | ||
Примечание: 1 в пределах рабочей температуры и СОП.
2 исключая соединителей.
Штыри
| Тип | Государство | Оптически маршрут | Электрический привод | Датчик состояния | ||||||
| 2×2Ф | Пин 1 | Пин 5 | Пин 6 | Пин 10 | Пин 2-3 | Пин 3-4 | Пин 7-8 | Пин 8-9 | ||
| Запирать на задвижку | А | П1-П4, П2-П3 | --- | --- | ГНД | В+ | Конец | Открытый | Открытый | Конец |
| Б | П1-П3, П2-П4 | В+ | ГНД | --- | --- | Открытый | Конец | Конец | Открытый | |
| Не- | А | П1-П4, П2-П3 | --- | --- | --- | --- | Конец | Открытый | Открытый | Кольсе |
| запирать на задвижку | ||||||||||
| Б | П1-П3, П2-П4 | В+ | --- | --- | ГНД | Открытый | Конец | Конец | Открытый | |
Оптически маршрут

Размер

Фото продукта


Наша информация о компании

ОЭМ и ОДМ
Заказ ОЭМ/ОДМ доступен
мы можем поставить продукты согласно вашим требованиям, и конструируем ярлык продуктов для вашей компании.
Пересылка
Интернатионал срочный: ДХЛ, Федерал Экспресс, ЭМС, ТНТ, УПС и так далее. Он принимает 3-7 дней.
Гарантия
Мы обещаем что все разрекламированные оптически приемопередатчики совершенно новы с новыми компонентами и частями и совершенно никогда не используют старые и приведенные материалы. Все оптически приемопередатчики через функциональный тест и тест вызревания. Мы обеспечиваем 3 лет гарантии для всех оптически приемопередатчиков от даты пересылки.
Мы поставляем все виды оптически модулей, если вы не можете найти продукт вам, как раз отправляете нами дознание, то мы ответим вы скоро.