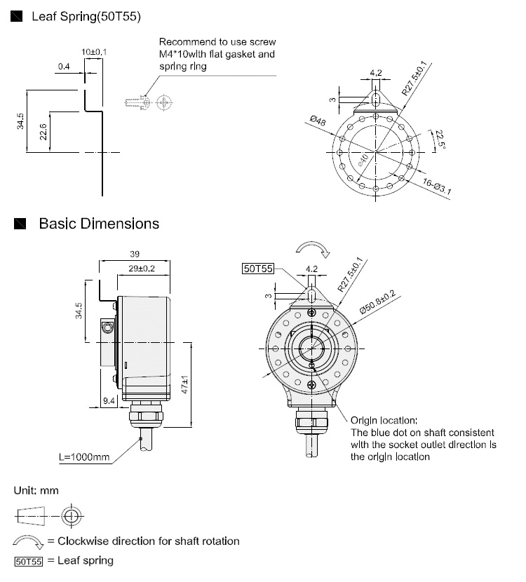
Светоэлектрический абсолютный роторный кодировщик КДЖ50 толщины 39мм полого вала 10мм кодировщика
Немного номера детали для кодировщика абсолюта КДЖ50
КДЖ50-ТЭ8 НХ360 КБ10
КДЖ50-ТЭ9 Н512ВБ8
КДЖ50-Т10 НХ1024К14
КДЖ50-Т11 Н2048ВК12
КДЖ50-К12 НХ4096К10
КДЖ50-К5 Н32 КК8
КДЖ50-ТЭ6 НХ64Б15
КДЖ50-ТЭ7 Н128ВБ14
КДЖ50-Т8 НХ256 КБ12
КДЖ50-Т9 Н512ВБ10
КДЖ50-К10 НХ1024 КБ8
КДЖ50-К11 Н2048К10
Таблица параметра серии КДЖ50
| Детали | Основные параметры |
| Направление отсчета | против часовой стрелки |
| направление внешнего контроля | |
| по часовой стрелке | |
| Интерфейс | Низший уровень НПН эффективный |
| НПН на высшем уровне эффективное | |
| Ранг защиты | ИП50; ИП65 |
| Длина кабеля | 1М (длина кабеля смогла быть добавлена соотвественно мимо |
| требуйте, только оно оплата потребности индивидуально) | |
| Течение потребления | 100мА МАКС |
| Верхняя частота ответа | 100КХЗ |
| Позволяемая пульсация | ≤3%рмс |
| Напряжение на зажимах | ≤ДК30В |
| Код выхода | серый код |
| Точность | 360/(разрешение кс 4) |
| Прочность изоляции | АК500В 60с |
| Сопротивление изоляции | 10МΩ |
| ГНД | не соединиться с кодировщиком |
| начало вращающего момента | чем 5кс 10-3Н.м |
| Момент Интертя | чем 3кс 10-6кг.м2 |
| Нагрузка вала | Радиальное 50Н; Осевое 30Н |
| Верхняя часть РЭВ | 3000РПМ; ИП65≤2000 РПМ |
| Бренд | ХЭНГСИАНГ |
| Тип кодировщика | абсолютный кодировщик |
| Внешний диаметр | 51мм |
| Толщина | 39мм |
| Размер установки | диаметр 40мм |
Пересылка

Условия оплаты:
1. Т/Т, западное соединение, кредитная карточка, ПайПал, етк
2. через 3-5 рабочих дней после полученной оплаты
3. Кодировщики будут погруженные раз готовыми
О нашей фабрике
Наше обслуживание
Дела внимание
1. Выбрать напряжение тока электропитания: ДК5В или ДК8-30В
2. Выбрать номер модели плиты весны лист если вы выбираете кодировщик полого вала
3. Пожалуйста посоветуйте скорости мотора (РПМ) этой вы фактически польза
4. Если вы имеете любые другие требования, то пожалуйста обеспечьте параметры детали