К100 через разрешения 12000ппр вала 42мм диаметра 100мм кодировщика отверстия кодировщик внешнего высокого роторный
О вибрации кодировщика
Вибрация действуя на ИМПе ульс причины кодировщика всегда неправильном легко.
Так мы должны обратить больше внимания место службы кодировщика.
Больше ИМП ульс в круг, более узкое шпунтовое дистанционирование скрежетать, влияние руды к кодировщику вибрацией, когда скорость мотора низки или даже остановлены, вибрация действуя на вале кодировщика или кодировщик раковина причинила бы гратинг вибрацию, таким образом, кодировщик могли показать неправильный сигнал ИМПа ульс.
Использование кодировщика
Машина ВФФС
Машинное оборудование упаковки
Машина завалки капсулы
Фармацевтическая машина
Мотор ВВВФ
Красить ткани
Кожаная машина
Бумажное оборудование
Промышленное машинное оборудование
Бумажный резец
Механический инструмент КНК
Автоматическое измерение
Дистанционное управление
Наша фабрика
1. Иметь бренд кодировщика «ХЭНГСИАНГ»
2. Имеет ИСО9001: Сертификат 2000 системы управления качеством и аттестация КЭ
3. Вымысел патентует 5 и общего назначения модель патентует 5
4. Проект проведенного Шанхая новый и высокотехнологичный достижений преобразования.
5. Наша цель: Требование к клиента встречи, создающ клиентов общественной стоимости, служения внимательно и достигать беспроигрышного.
6. Размещенный в городе Шанхая
7. 20-30 лицо имеющее трудовых стажей
Время выполнения
3-5 рабочих дней для образца после вполне оплаченный
7-15 дней для массового производства после вполне оплаченный
Таблица параметра
Длина кабеля
Ранг защиты
Длина кабеля
Аттестация
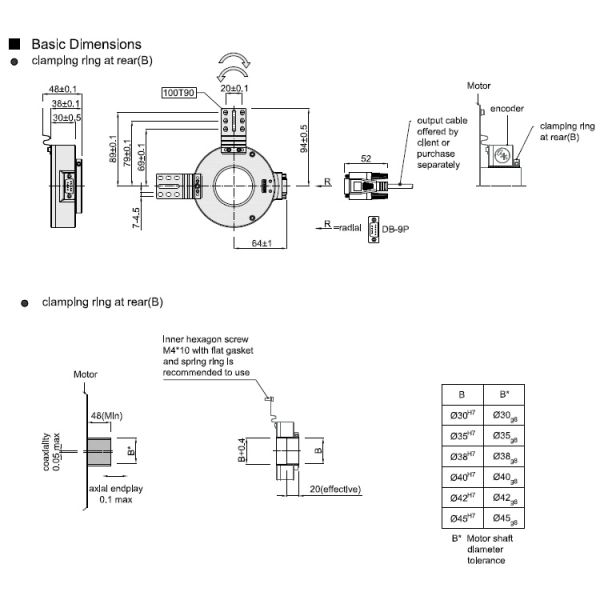
| Детали | Основные параметры |
| Бренд | ХЭНГСИАНГ |
| Тип кодировщика | Дифференциальный кодировщик |
| Внешний диаметр | 100мм |
| Толщина | 38мм |
| Размер установки | Р50мм (плита 100Т90 весны) |
| Тип полого вала | через отверстие (прижимное кольцо на прежде и прижимное кольцо на заде) |
| Диаметр полого вала | 30мм, 35мм, 38мм; 40мм; 42мм; 45мм; |
| Разрешение | 100; 360; 512; 1000; 1024; 1200; 2000; 2048; 2500; 2880; 3000; 3600; 4096; 5000; 5760; 8192; 10000; 11520; 12000; 20000; 24000; 40000; 48000; |
| 2048/6; 2048/8; 2048/10; 2500/4; 2500/6; 2500/8; 2500/16; 4096/4; 4096/6; 4096/8; 4096/16; 5000/6; 5000/8; 5000/10; 5000/12; | |
| 8192/6; 8192/8; /8192/10; 10000/6; 10000/8; 10000/10; 10000/16; | |
| Участок выхода | Участок А+, Б+, З+, а, Б-, З-, У+, В+, В+, У-, в-, В- |
| Подача напряжения | ДК5В; ДК8-30В |
| Тип выхода | Гнездо вне от стороны |
| Режим выхода | НПН/ПНП (выход открытого сборника) |
| Выход напряжения тока | |
| Пушпульный выход | |
| линия привод (26ЛС31) ТТЛ | |
| линия привод (ДК8-30В) ХТЛ | |
| 1000мм (кабель с защищать) | |
| ИП50 | |
| 1М (длина кабеля смогла быть добавлена соотвественно мимо | |
| требуйте, только оно оплата потребности индивидуально) | |
| КЭ |
Больше информации
Если вы ищете больше информации о нашей фабрике или о наших продуктах, пожалуйста свяжетесь мы или отправляетесь нас по электронной почте прямо сейчас, то мы ответим вы как можно скорее.
вопросы и ответы
К: Как приказать ваш кодировщик?
А: Свяжитесь мы, или отправьтесь нас по электронной почте, мы ответим вы как можно скорее.
К: Вы фабрика или торговая компания?
А: мы фабрика 100% с нашим брендом.
К: Что ваш бренд?
А: ХЭНГСИАНГ
К: Можете вы продукт грузить к нашей стране?
А: Да, пожалуйста посоветуйте вашим назначению и зип-коду, мы проверим перевозку стоить для вас немедленно.
К: Как получить самую последнюю цену?
А: Свяжитесь мы и скажитесь мне кодировщик модельный выбор.
К: Что ваша политика гарантии продукта кодировщика?
А: гарантия 1 года качественная и бессрочная служба технической поддержки.
К: Где могу я загрузить каталог или схему данных кодировщика?
А: Вы смогли посетить наш официальный вебсайт или отправить нас по электронной почте сразу к самым последним файлам.
К: Какие параметры спрошены перед приказывать кодировщик?
А: Вы должны получить некоторые основные параметры прежде чем вы начинаете приказать. Как размеры установки, разрешения, сигнал цепи, напряжение тока электропитания, етк.
Если вы имеете любое сомнение на выбирать модель, то вы радушны для того чтобы связаться мы для ассистентского.
К: Где ваша фабрика?
А: Наша фабрика расположена на городе Шанхая.
О вибрации кодировщика
Вибрация действуя на ИМПе ульс причины кодировщика всегда неправильном легко.
Так мы должны обратить больше внимания место службы кодировщика.
Больше ИМП ульс в круг, более узкое шпунтовое дистанционирование скрежетать, влияние руды к кодировщику вибрацией, когда скорость мотора низки или даже остановлены, вибрация действуя на вале кодировщика или кодировщик раковина причинила бы гратинг вибрацию, таким образом, кодировщик могли показать неправильный сигнал ИМПа ульс.
Использование кодировщика
Машина ВФФС
Машинное оборудование упаковки
Машина завалки капсулы
Фармацевтическая машина
Мотор ВВВФ
Красить ткани
Кожаная машина
Бумажное оборудование
Промышленное машинное оборудование
Бумажный резец
Механический инструмент КНК
Автоматическое измерение
Дистанционное управление
Наша фабрика
1. Иметь бренд кодировщика «ХЭНГСИАНГ»
2. Имеет ИСО9001: Сертификат 2000 системы управления качеством и аттестация КЭ
3. Вымысел патентует 5 и общего назначения модель патентует 5
4. Проект проведенного Шанхая новый и высокотехнологичный достижений преобразования.
5. Наша цель: Требование к клиента встречи, создающ клиентов общественной стоимости, служения внимательно и достигать беспроигрышного.
6. Размещенный в городе Шанхая
7. 20-30 лицо имеющее трудовых стажей
Время выполнения
3-5 рабочих дней для образца после вполне оплаченный
7-15 дней для массового производства после вполне оплаченный
Таблица параметра
Длина кабеля
Ранг защиты
Длина кабеля
Аттестация

| Детали | Основные параметры |
| Бренд | ХЭНГСИАНГ |
| Тип кодировщика | Дифференциальный кодировщик |
| Внешний диаметр | 100мм |
| Толщина | 38мм |
| Размер установки | Р50мм (плита 100Т90 весны) |
| Тип полого вала | через отверстие (прижимное кольцо на прежде и прижимное кольцо на заде) |
| Диаметр полого вала | 30мм, 35мм, 38мм; 40мм; 42мм; 45мм; |
| Разрешение | 100; 360; 512; 1000; 1024; 1200; 2000; 2048; 2500; 2880; 3000; 3600; 4096; 5000; 5760; 8192; 10000; 11520; 12000; 20000; 24000; 40000; 48000; |
| 2048/6; 2048/8; 2048/10; 2500/4; 2500/6; 2500/8; 2500/16; 4096/4; 4096/6; 4096/8; 4096/16; 5000/6; 5000/8; 5000/10; 5000/12; | |
| 8192/6; 8192/8; /8192/10; 10000/6; 10000/8; 10000/10; 10000/16; | |
| Участок выхода | Участок А+, Б+, З+, а, Б-, З-, У+, В+, В+, У-, в-, В- |
| Подача напряжения | ДК5В; ДК8-30В |
| Тип выхода | Гнездо вне от стороны |
| Режим выхода | НПН/ПНП (выход открытого сборника) |
| Выход напряжения тока | |
| Пушпульный выход | |
| линия привод (26ЛС31) ТТЛ | |
| линия привод (ДК8-30В) ХТЛ | |
| 1000мм (кабель с защищать) | |
| ИП50 | |
| 1М (длина кабеля смогла быть добавлена соотвественно мимо | |
| требуйте, только оно оплата потребности индивидуально) | |
| КЭ |
Больше информации
Если вы ищете больше информации о нашей фабрике или о наших продуктах, пожалуйста свяжетесь мы или отправляетесь нас по электронной почте прямо сейчас, то мы ответим вы как можно скорее.
вопросы и ответы
К: Как приказать ваш кодировщик?
А: Свяжитесь мы, или отправьтесь нас по электронной почте, мы ответим вы как можно скорее.
К: Вы фабрика или торговая компания?
А: мы фабрика 100% с нашим брендом.
К: Что ваш бренд?
А: ХЭНГСИАНГ
К: Можете вы продукт грузить к нашей стране?
А: Да, пожалуйста посоветуйте вашим назначению и зип-коду, мы проверим перевозку стоить для вас немедленно.
К: Как получить самую последнюю цену?
А: Свяжитесь мы и скажитесь мне кодировщик модельный выбор.
К: Что ваша политика гарантии продукта кодировщика?
А: гарантия 1 года качественная и бессрочная служба технической поддержки.
К: Где могу я загрузить каталог или схему данных кодировщика?
А: Вы смогли посетить наш официальный вебсайт или отправить нас по электронной почте сразу к самым последним файлам.
К: Какие параметры спрошены перед приказывать кодировщик?
А: Вы должны получить некоторые основные параметры прежде чем вы начинаете приказать. Как размеры установки, разрешения, сигнал цепи, напряжение тока электропитания, етк.
Если вы имеете любое сомнение на выбирать модель, то вы радушны для того чтобы связаться мы для ассистентского.
К: Где ваша фабрика?
А: Наша фабрика расположена на городе Шанхая.