Водитель на линии полого вала 28мм разрешения кодировщика 3000 квадрирования К76 роторный вывел наружу для мотора
Быстрое описание для кодировщика К76
Тип кодировщика: Дифференциальный кодировщик
Бренд: ХЭНГСИАНГ
Внешний диаметр: 76.5мм
Толщина: 37мм
Ранг защиты: ИП50
Длина кабеля: 1000ММ
Аттестация: КЭ
Пакет: Коробка коробки
Почему выберите нас?
Бренд ХЭНГСИАНГ--Благонадежный партнер
Одобренный КЭ--адвантагед качество продукции;
Быстрая доставка--сильная способность продукта запаса;
Фабрика сразу обеспечивает конкурентоспособную цену;
Универсальное обслуживание--для вашего эффективного покупая опыта;
Принятый дизайн ОЭМ--подгонянный дизайн, ваш собственный принятый бренд.
Характеристики основы кодировщика К76
| Детали | Основные параметры |
| Тип кодировщика | Дифференциальный кодировщик |
| Бренд | ХЭНГСИАНГ |
| Диаметр полого вала | 18мм, 20мм, 22мм; 25мм; 28мм; 30мм; |
| Разрешение | 100; 200; 250; 300; 360; 400; 450; 500; 512; 600; 720; 800; 1000; 1024; 1200; 1800; 2000; 2048; 2500; 3000; 3600; 4096; 5000; |
| 7200; 8192; 10000; 14400; 16384; 28800; 32768 | |
| 1024/4; 1024/6; 1024/8; 2048/4; 2048/6; 2048/8; 2500/4; 2500/6; 2500/8; 4096/4; 4096/6; 4096/16; 5000/6; 5000/8; 5000/10; 5000/12; 5000/16; | |
| 8192/8; 8192/10; /8192/16; 10000/8; 10000/10; 10000/16; | |
| Участок выхода | Участок А+, Б+, З+, а, Б-, З-, У+, В+, В+, У-, в-, В- |
| Подача напряжения | ДК5В; ДК8-30В |
| Тип выхода | Кабель вне от стороны |
| Режим выхода | НПН/ПНП (выход открытого сборника) |
| Выход напряжения тока | |
| Пушпульный выход | |
| линия привод (26ЛС31) ТТЛ | |
| линия привод (ДК8-30В) ХТЛ | |
| Течение потребления | 100мА МАКС |
| Верхняя частота ответа | 300КХЗ |
| Позволяемая пульсация | ≤3%рмс |
| Напряжение на зажимах | ≤ДК30В |
| ГНД | не соединиться с кодировщиком |
| Марк к коэффициенту космоса | 45% до 55% |
Пересылка

Извещение для установки кодировщика
1. Пожалуйста прочитайте спецификацию кодировщика осторожно перед установкой
2. Кодировщик принадлежит аппаратуре точности, поэтому мы должны избежать удара или вибрации для защиты внутренних частей.
3. Напряжение тока электропитания необходимо холдед внутри определенный ряд, или кодировщик смог быть разрушен.
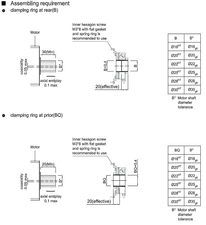
4. Заметьте коаксиально требования когда вы устанавливаете вал силы, пожалуйста используйте гибкое сцепление и не отжимайте кодировщик неволей.
5. Защищать кабель кодировщика необходимо соединиться для избежания взаимодействия электромагнитизма переменного тока, кабелей кодировщика должен быть планом индивидуально.
6. Соединение монтажной схемы должно быть строго следовать определенным цветом в каталоге, или цепь кодировщика внутренняя может быть разрушена
7. Кодировщик должен быть отдельно от сильного магнитного поля, пыли, масла, воды, более высокой (более низкой) температуры и каустика или огнеопасного материала во время работы.
8. Кодировщик сигнал кабеля не может быть нарисовал или согнул неволей.
Больше информации
Если вы ищете больше информации о нашей фабрике или о наших продуктах, пожалуйста свяжетесь мы или отправляетесь нас по электронной почте прямо сейчас, то мы ответим вы как можно скорее.