Диаметр 48мм К130 вала через разрешение дифференциального выхода 65536 кодировщика отверстия
О нашей фабрике
Внедрение продукции кодировщика К130
| Детали | Основные параметры |
| Бренд | ХЭНГСИАНГ |
| Тип кодировщика | Дифференциальный кодировщик |
| Внешний диаметр | 130мм |
| Толщина | 48мм |
| Размер установки | Р72.5мм (плита 130Т145 весны) |
| Тип полого вала | через отверстие (прижимное кольцо на прежде) |
| Диаметр полого вала | 48мм, 55мм, 60мм; |
| Разрешение | 1024; 2048; 4096; 8192; 16384; 32768; 65536 |
| Участок выхода | Участок А+, Б+, З+, а, Б-, З- |
| Подача напряжения | ДК5В; ДК8-30В |
| Тип выхода | Гнездо вне от стороны |
| Режим выхода | Пушпульный выход |
| линия привод (26ЛС31) ТТЛ | |
| линия привод (ДК8-30В) ХТЛ | |
| Течение потребления | 100мА МАКС |
| Верхняя частота ответа | 300КХЗ |
| Сопротивление изоляции | 10МΩ |
| ГНД | не соединиться с кодировщиком |
| Марк к коэффициенту космоса | 45% до 55% |
| начало вращающего момента | меньше чем 300 кс 10-3 Н.м |
| Момент Интертя | чем 220кс 10-6 кг.м 2 |
| Нагрузка вала | Радиальное 90Н; Осевое 60Н |
| Верхняя часть РЭВ | 3000РПМ |
| Экологическая температура | Работать: - 20 ~+85°; хранение: - 25 ~+90° |
Роторное использование кодировщика К130

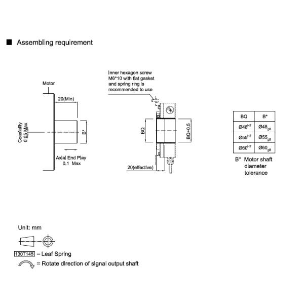
Извещение для установки кодировщика
1. Пожалуйста прочитайте спецификацию кодировщика осторожно перед установкой
2. Кодировщик принадлежит аппаратуре точности, поэтому мы должны избежать удара или вибрации для защиты внутренних частей.
3. Напряжение тока электропитания необходимо холдед внутри определенный ряд, или кодировщик смог быть разрушен.
4. Заметьте коаксиально требования когда вы устанавливаете вал силы, пожалуйста используйте гибкое сцепление и не отжимайте кодировщик неволей.
5. Защищать кабель кодировщика необходимо соединиться для избежания взаимодействия электромагнитизма переменного тока, кабелей кодировщика должен быть планом индивидуально.
6. Соединение монтажной схемы должно быть строго следовать определенным цветом в каталоге, или цепь кодировщика внутренняя может быть разрушена
7. Кодировщик должен быть отдельно от сильного магнитного поля, пыли, масла, воды, более высокой (более низкой) температуры и каустика или огнеопасного материала во время работы.
8. Кодировщик сигнал кабеля не может быть нарисовал или согнул неволей.