Через выход водителя на линии ИМПа ульс кодировщика 28800 кодировщика К58 отверстия 16мм сверхмощный
Простое введение роторного кодировщика К58
Тип кодировщика: Дифференциальный кодировщик
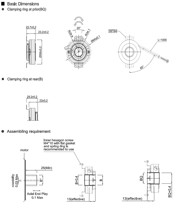
Внешний диаметр: 58мм
Толщина: 24мм
Размер установки: Р34.1мм (плита 58Т64 весны)
Тип полого вала: прижимное кольцо на прежде или прижимное кольцо на заде
Диаметр полого вала: 15мм, 16мм, 18мм; 20мм; 22мм
Нагрузка вала: Радиальное 50Н; Осевое 30Н
Жизнь подшипника: 1.5кс109 возбуждает при расчетной нагрузке (100000хрс на 2500РПМ)
Спецификация для серии К58
| Детали | Основные параметры |
| Бренд | ХЭНГСИАНГ |
| Тип кодировщика | Дифференциальный кодировщик |
| Внешний диаметр | 58мм |
| Толщина | 24мм |
| Позволяемая пульсация | ≤3%рмс |
| Напряжение на зажимах | ≤ДК30В |
| ГНД | не соединиться с кодировщиком |
| Марк к коэффициенту космоса | 45% до 55% |
| начало вращающего момента | меньше чем 9,8 кс 10-3 Н.м |
| Момент Интертя | чем 6.5кс 10-6кг.м2 |
| Нагрузка вала | Радиальное 50Н; Осевое 30Н |
| Верхняя часть РЭВ | 3000РПМ |
| Жизнь подшипника | 1.5кс109 возбуждает при расчетной нагрузке (100000хрс на 2500РПМ) |
| Экологическая температура | Работать: - 20 ~+85°; хранение: - 25 ~+90° |
| Экологическая влажность | Оператинг и хранение: 35-85%РХ (нонконденсинг) |
| Вибрация (вытерпите) | Амплитуда 1.52мм, 5-55Хз, 2 часа для трехосного индивидуально |
| Носок (вытерпите) | 980м/с2, госпожа 11 три раза для кс, ы, направления з индивидуально |
| Материал вала | Нержавеющая сталь |
| Материал раковины | умирает литой алюминий |
| Длина кабеля | 1000мм (кабель с защищать) |
| Ранг защиты | ИП50 |
| Длина кабеля | 1М (длина кабеля смогла быть добавлена соотвественно мимо |
| требуйте, только оно оплата потребности индивидуально) | |
| Аттестация | КЭ |
| пакет | Коробка коробки |
| Чистый вес | О 150г (с пакетом) |
Принцип кодировщика
он дифференциальные выходы имеет самую высокую возможность частоты откликов и самую лучшую невосприимчивость шума. Обеспечить этому приемник должен также быть дифференциалом.
Замена более старых водителей выхода

Логический вентиль интерпретирует некоторые вводы напряжения как максимум (логика 1) или низкий уровень (логика 0).
ТТЛ (транзистор-транзистор-логика): Сигнал над 2 в интерпретирован по мере того как логика 1 и сигнал чем 0,8 в интерпретированы как логика 0. Ряды напряжения тока выхода между 0-5 В.
ХТЛ (высоко-порог-логика): Сигнал над 3 в логика 1 и сигнал чем 1 в логика 0. Высокий уровень выходного сигнала зависит от подачи напряжения. Из-за более высокой разницы в напряжения тока между логикой 0 и 1, логика ХТЛ более иммунна к взаимодействию и более устойчива против электрического шума.
Механическая степень фактическое вращение вала в градусах. Электрический градус использован для электрических сигналов. Необходимое время на завершать один переменное электрическое напряжение/период тока определено как 360 электрических градусов (ел°). Для дифференциальных кодировщиков, один цикл равен до один полный ИМП ульс. С, который дали ППР электрический градус можно преобразовать к механической степени для любого дифференциального кодировщика.
О вибрации кодировщика
Вибрация действуя на ИМПе ульс причины кодировщика всегда неправильном легко.
Так мы должны обратить больше внимания место службы кодировщика.
Больше ИМП ульс в круг, более узкое шпунтовое дистанционирование скрежетать, влияние руды к кодировщику вибрацией, когда скорость мотора низки или даже остановлены, вибрация действуя на вале кодировщика или кодировщик раковина причинила бы гратинг вибрацию, таким образом, кодировщик могли показать неправильный сигнал ИМПа ульс.