KN35 через выход водителя на линии 1024ppr вала 6mm диаметра 35mm кодировщика отверстия внешний
Характер продукции
Номер детали кодировщика серии KN35
KN35-J12C1024/6Q6 DC5V
KN35-J2N1024Q8
KN35-J3V2500Z7
KN35-J4E2048B6 DC12V
KN35-J6C3600B8 DC5V
KN35-J12E5000/6Z7 DC12V
KN35-J2V7200Q8
KN35-J3F5000Q6 DC8V
KN35-J4C10000B6
KN35-J6E14400B8
KN35-J12C4096/4Z7 DC5V
Возможность продукции кодировщика фабрики
5000 частей в месяц
-------- Емкость производственной линии
50000 частей в год
--------Фактические произведенные блоки (предыдущий год)
Информация о продукте кодировщика KN35
| Детали | Основные параметры |
| Тип кодировщика | Дифференциальный кодировщик |
| Бренд | HENGXIANG |
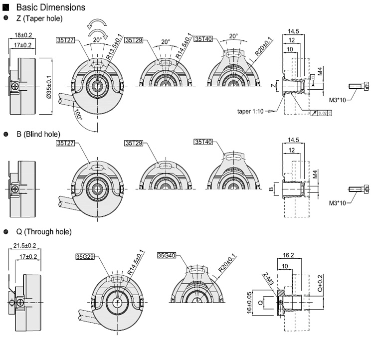
| Внешний диаметр | 35mm |
| Толщина | 18mm |
| Размер установки | R13.5mm, R14.5mm, R20mm |
| Тип полого вала | глухое отверстие; через отверстие, отверстие конусности |
| Диаметр полого вала | 6mm, 7mm; 8mm; 10mm |
| Разрешение | 1024; 2048; 2500; 3600; 5000; 7200; 10000; 14400 |
| 1000/4; 1000/6; 1000/8; 1024/4; 1024/6; 1024/8; 2000/4; 2000/6; 2000/8; 2048/4; 2048/6; 2048/8; 2500/4; 2500/6; 2500/8; 4096/4; 4096/6; 4096/8; 5000/4; 5000/6; 5000/8 | |
| Участок выхода | Участок A+, B+, Z+, a, B-, Z-, U+, V+, W+, U-, v, W- |
| Подача напряжения | DC5V; DC8--30V |
| Тип выхода | Кабель вне от стороны |
| Режим выхода | NPN/PNP (выход открытого сборника) |
| Выход напряжения тока | |
| Пушпульный выход | |
| линия привод (26LS31) TTL | |
| линия привод (DC8-30V) HTL | |
| Участок ABZ TTL (DC5V) назад участка UVW | |
| Ранг защиты | IP40 |
| Вибрация (вытерпите) | Амплитуда 0.75mm, 5-55Hz, 2 часа для трехосного индивидуально |
| Носок (вытерпите) | 490m/s2, госпожа 11 три раза для x, y, направление z индивидуально |
| Материал раковины | умирает литой алюминий |
| Аттестация | CE |
| пакет | Коробка коробки |

О нашей фабрике
Применения
Дела внимание
1. Выбрать напряжение тока электропитания: DC5V или DC8-30V
2. Выбрать номер модели плиты весны лист если вы выбираете кодировщик полого вала
3. Пожалуйста посоветуйте скорости мотора (RPM) что вы фактически для использования
4. Если вы имеете любые другие требования, то пожалуйста обеспечьте параметры детали