Небольшая гидравлическая электростанция моторов БММ 20, жатки клубники
Мотор серии БММ небольшой том, экономический тип, который конструирован с подачей распределения вала, которая приспосабливают дизайн шестерни Геротор установленный и обеспечивают компактный том, наивысшую мощность и низкий вес.
Характерные особенности:
* предварительные приборы производства для набора шестерни Геротор, которые обеспечивают небольшие том, высокую эффективность и длинную жизнь.
* уплотнение вала может принести высокое давление мотора чего смогите быть использовано параллельно или последовательно.
* предварительный дизайн конструкции, наивысшая мощность и низкий вес.
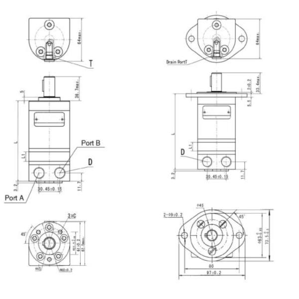
Основная спецификация
| тип | БММ8 | БММ12 | БММ20 | БММ32 | БММ40 | БММ50 | |
| смещение | 8,2 | 12,9 | 19,9 | 31,6 | 39,8 | 50,3 | |
| Максимальная скорость (рпм) | расклассифицированный | 1537 | 1256 | 814 | 513 | 452 | 358 |
| Конт. | 1950 | 1550 | 1000 | 630 | 500 | 400 | |
| инт. | 2450 | 1940 | 1250 | 800 | 630 | 500 | |
| Максимальный вращающий момент (Н*М) |
расклассифицированный | 8 | 13 | 19 | 31 | 37 | 33 |
| Конт. | 11 | 16 | 25 | 40 | 45 | 46 | |
| инт. | 15 | 23 | 35 | 57 | 70 | 88 | |
| пик | 21 | 33 | 51 | 64 | 82 | 100 | |
| Максимальная скорость (кв) |
расклассифицированный | 1,3 | 1,7 | 1,7 | 1,7 | 1,7 | 1,2 |
| Конт. | 1,8 | 2,4 | 2,4 | 2,4 | 2,2 | 1,8 | |
| инт. | 2,6 | 3,2 | 3,2 | 3,2 | 3,2 | 3,2 | |
| Максимальное давление падение (МПа) |
расклассифицированный | 9 | 9 | 9 | 9 | 8,5 | 6 |
| Конт. | 10 | 10 | 10 | 10 | 9 | 7 | |
| инт. | 14 | 14 | 14 | 14 | 14 | 14 | |
| пик | 20 | 20 | 20 | 16 | 16 | 16 | |
| Максимальная подача (Л/МИН) | расклассифицированный | 14 | 18 | 18 | 18 | 20 | 20 |
| Конт. | 18 | 20 | 20 | 20 | 20 | 20 | |
| инт. | 20 | 25 | 25 | 25 | 25 | 25 | |
| Вес (кг) | 1,9 | 2 | 2,1 | 2,2 | 2,3 |
2,4 |
|

ТАБЛИЦА ПЕРЕКРЕСТНОЙ ССЫЛКИ МОТОРА |
||||||||
| ХАНДЖИУ ГИДРАВЛИЧЕСКИЙ |
М+С ГИДРАВЛИЧЕСКИЙ |
ЭАТОН ЧАРС ЛИНН |
ДАНФОСС | РОСС ТРВ |
БЕЛЫЙ КРЕСТ |
ПАРКЭР | СЭМ БРЭВИНИ |
БОСКХ РЭКРОТХ |
| БММ | ММ МЛХК | СЕРИЯ Дж | ОММ | БГМ | МГС | |||
| БМП/БМ1 | ХП МП | СЕРИЯ Х | ДХ ОМП | МГ МФ | ВП РС | ТБ ТК ТЭ | БГ | МГП ГСП |
| БМР/БМ2 | Г-Н ХР МЛХРВ, РВ | С, СЕРИЯ В СЕРИИ Т | ОМР ДС ОМЭВ | МБ | РЭ ВР | ТФ | БР | МГР ГМР |
| БМХ/БМ4 | МХ МЛХХ ХВ ХВФ | ОМХ | Я | РЭ | ТГ | |||
| БМС/БМ5 | МС МСИ МЛХС | 2000 СЕРИЙ | ОМС | Я | РЭ | ТГ | ХПР | МГС ГМС |
| БМТ/БМ6 | МТ МЛХТ МТМ | 6000 СЕРИЙ | ОМТ ТМТ | МДЖ | ХТ | МГТ, ГМТ | ||
| БМВ | МВ МЛХВ | 10000 СЕРИЙ | ОМВ |
МГВ ГМВ |
||||
Применения:
Жатки клубники
жатки виноградины
жатки картошки
другие аграрные жатки
метельщик дороги